Operation CHARM: Car repair manuals for everyone.
Manuals through 2025 now available!

Our trusted friends have launched a new website named LEMON, which has newer manuals. It also contains all the CHARM manuals.

LEMON is the spiritual successor to CHARM, I recommend you try it!

Link: lemon-manuals.la or lemon-manuals.org.ua

(Some people have issue connecting. LEMON is investigating. For now, use Firefox or change your DNS server)

Or, hide this message: temporarily or permanently

Transfer Case Replacement

Transfer Case Replacement

Removal Procedure
1. Remove the engine and transaxle from the vehicle.
2. Place a drain pan or suitable container under the transfer case assembly.





3. Remove the transfer case drain plug and gasket (1).
4. Drain the transfer case.





5. Remove the left rear engine mount bracket (1) from the engine block.





6. Remove the upper 2 bolts (1) from the transfer case bracket.
7. Remove the lower 3 bolts (3) from the transfer case bracket.
8. Remove the bracket from the transfer case.
9. Remove the 4 right transfer case bracket bolts (2), then remove the bracket from the transfer case.





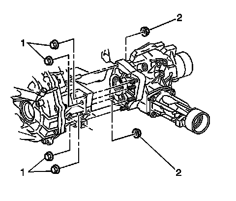
10. Remove the 2 front transfer case retaining nuts (2).
11. Remove the 4 rear transfer case retaining nuts (1).
12. Using a soft faced hammer, gently dislodge the transfer case from the transaxle assembly.
13. Slide the transfer case horizontally to remove it from the mounting studs.

Installation Procedure





1. Install the right side transfer case mounting bracket to the transfer case.
2. Install the 2 bracket-to-transfer case retaining bolts (2).

Notice: Refer to Fastener Notice in Service Precautions.

Tighten the bolts to 34 Nm (25 ft. lbs.).
3. Install the upper transfer case bracket.
4. Install the 3 lower bracket bolts (3).
Tighten the bolts to 34 Nm (25 ft. lbs.).
5. Raise the transfer case into position and slide it onto the transaxle.





6. Install the 6 transfer case-to-transaxle nuts (1) and (2).
Tighten the 6 transfer case-to-transaxle nuts to 69 Nm (51 ft. lbs.).





7. Install the left rear engine mount bracket (1) to the engine block.
Tighten the 3 bolts to 64 Nm (47 ft. lbs.).





8. Install the 2 upper transfer case bracket bolts (1).
Tighten the bolts to 34 Nm (25 ft. lbs.).
9. Install the right side transfer case mounting bracket-to-engine block mounting bolts.
Tighten the bolts to 34 Nm (25 ft. lbs.).
10. Install the engine and transaxle assembly into the vehicle.





11. Install the transfer case drain plug with a new gasket (1) in the transfer case.
Tighten the drain plug to 49 Nm (36 ft. lbs.).
12. Remove the oil level/filler plug from the transfer case (2).
13. Add approximately 0.8 liters (1.7 pints) of 80W-90 API GL5 lubricant, or the equivalent, into the transfer case oil level/filler plug hole. The oil level should be even with the bottom of the oil level/filler plug hole (2).
14. Install the transfer case oil level/filler plug (2) with a new gasket into the transfer case.
Tighten the transfer case oil level/filler plug (2) to 34 Nm (25 ft. lbs.).
15. Lower the vehicle.