Operation CHARM: Car repair manuals for everyone.
Manuals through 2025 now available!

Our trusted friends have launched a new website named LEMON, which has newer manuals. It also contains all the CHARM manuals.

LEMON is the spiritual successor to CHARM, I recommend you try it!

Link: lemon-manuals.la or lemon-manuals.org.ua

(Some people have issue connecting. LEMON is investigating. For now, use Firefox or change your DNS server)

Or, hide this message: temporarily or permanently

Electrical Diagrams



ENGINE CONTROLS SCHEMATICS

Engine Controls Power, Ground and MIL







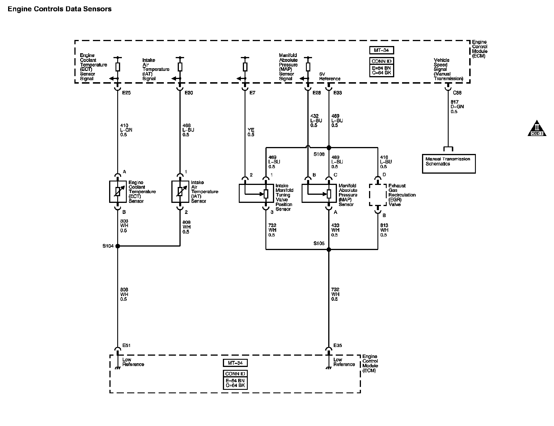
Engine Controls Data Sensors







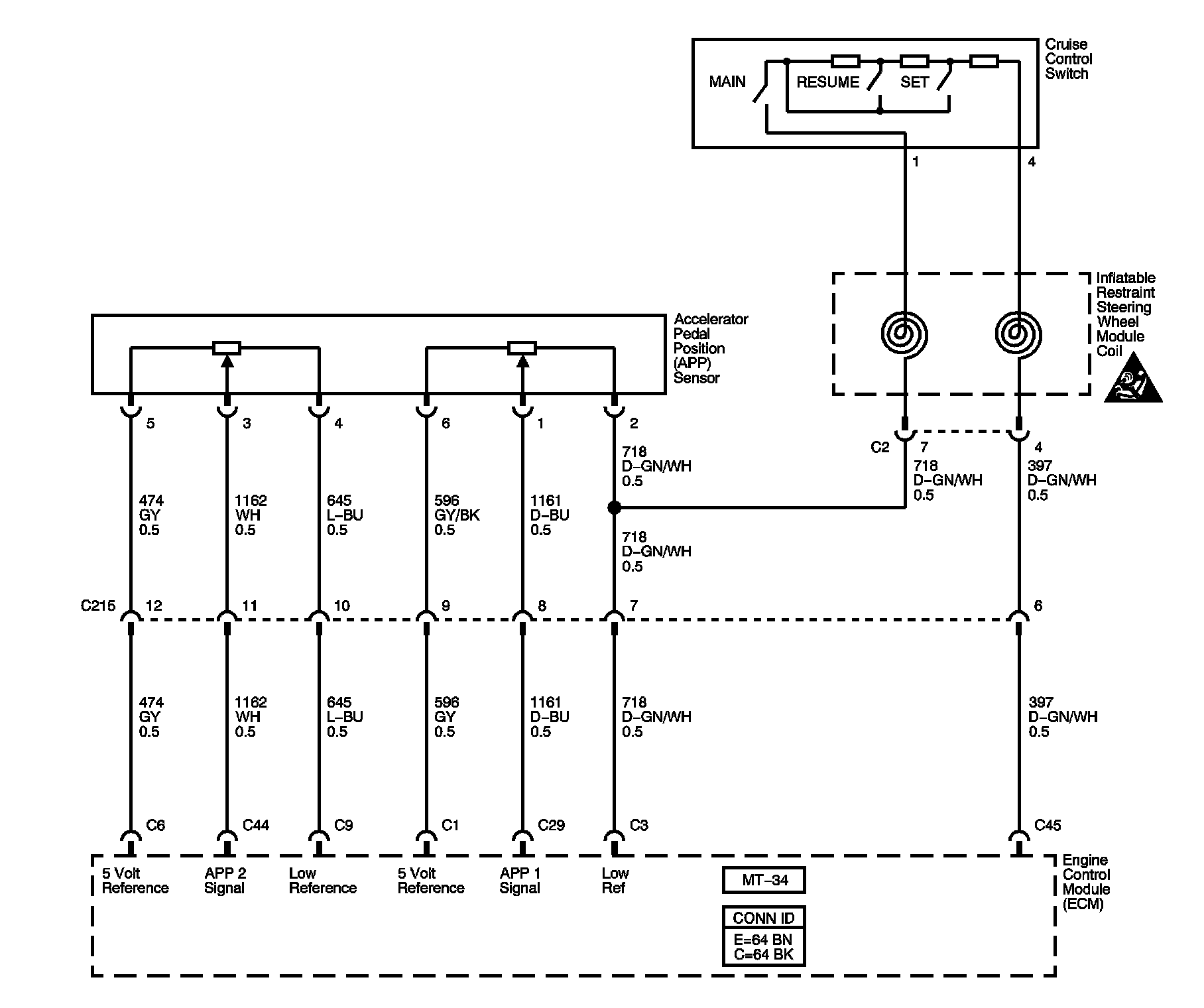
Accelerator Pedal Position (APP) Sensor







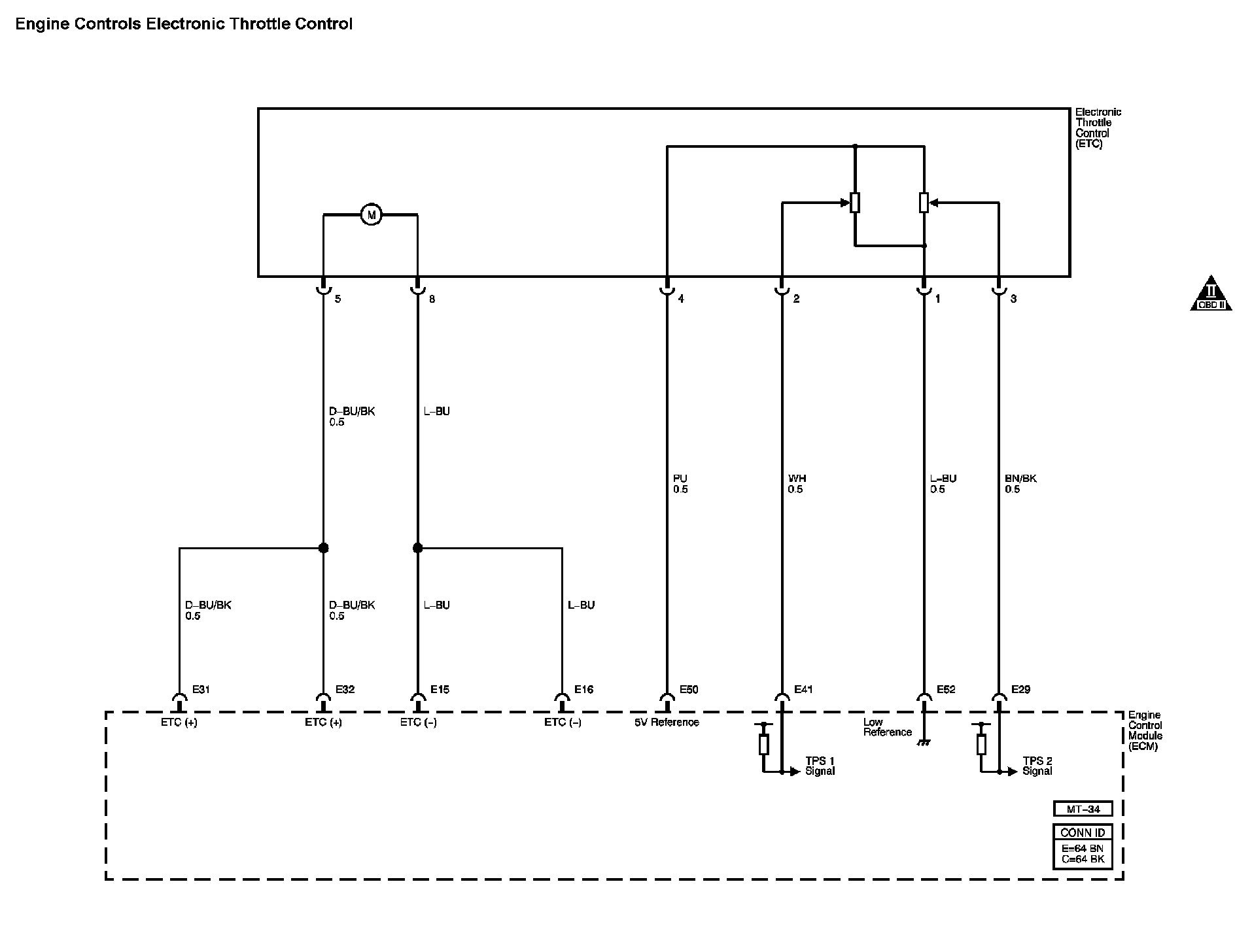
Engine Controls Throttle Actuator Control







Engine Controls Oxygen Sensors







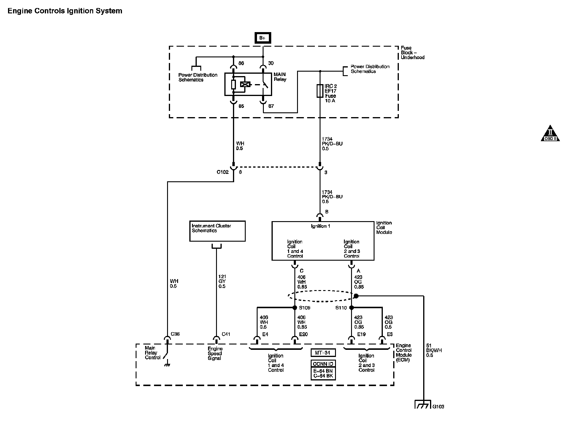
Engine Controls Ignition System







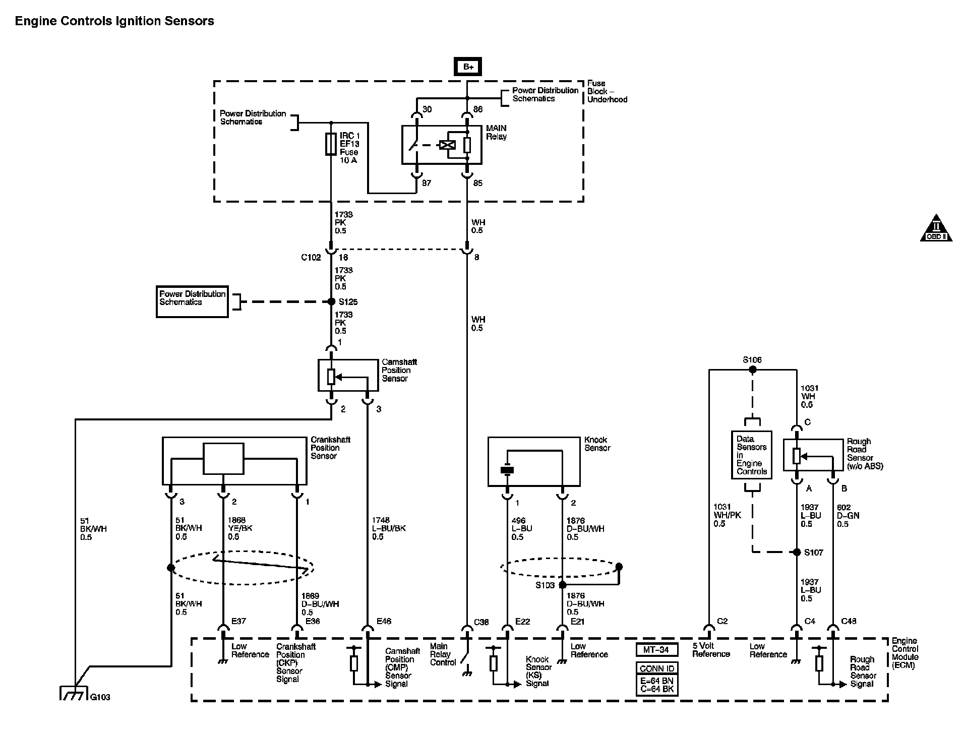
Engine Controls Ignition System Sensors







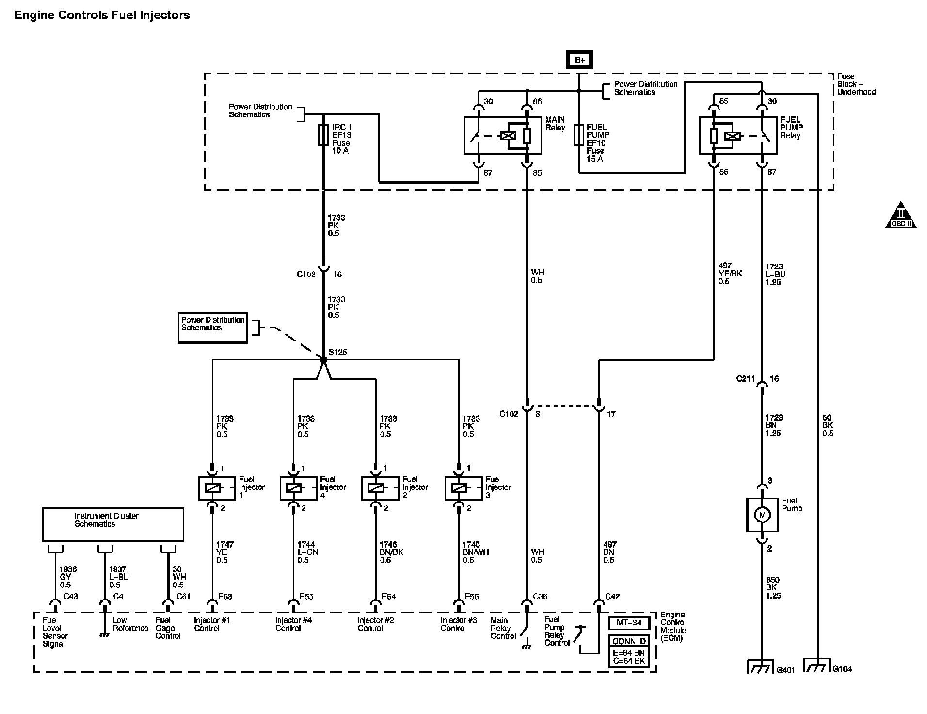
Engine Controls Fuel Pump and Fuel Injectors







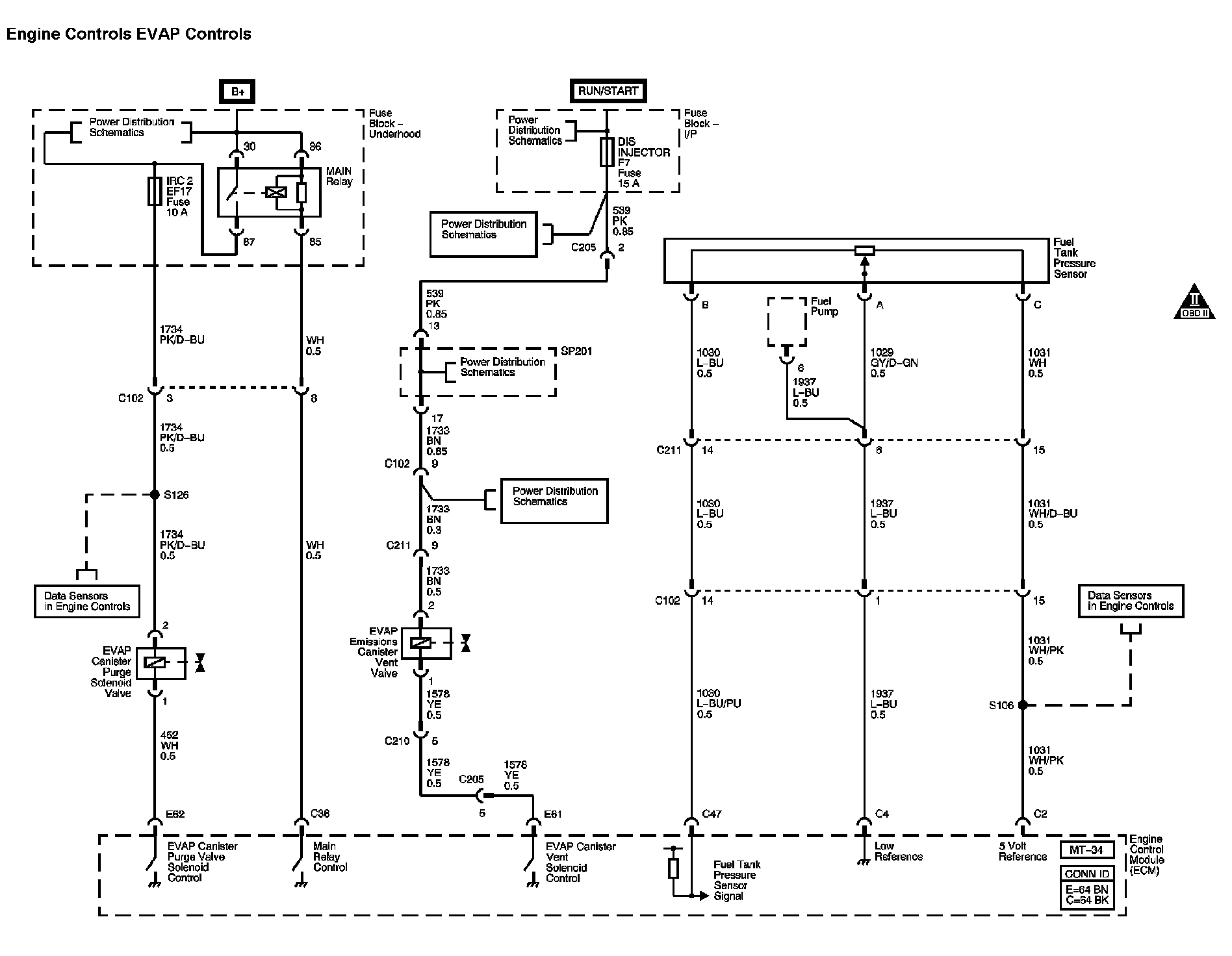
Engine Controls EVAP Controls







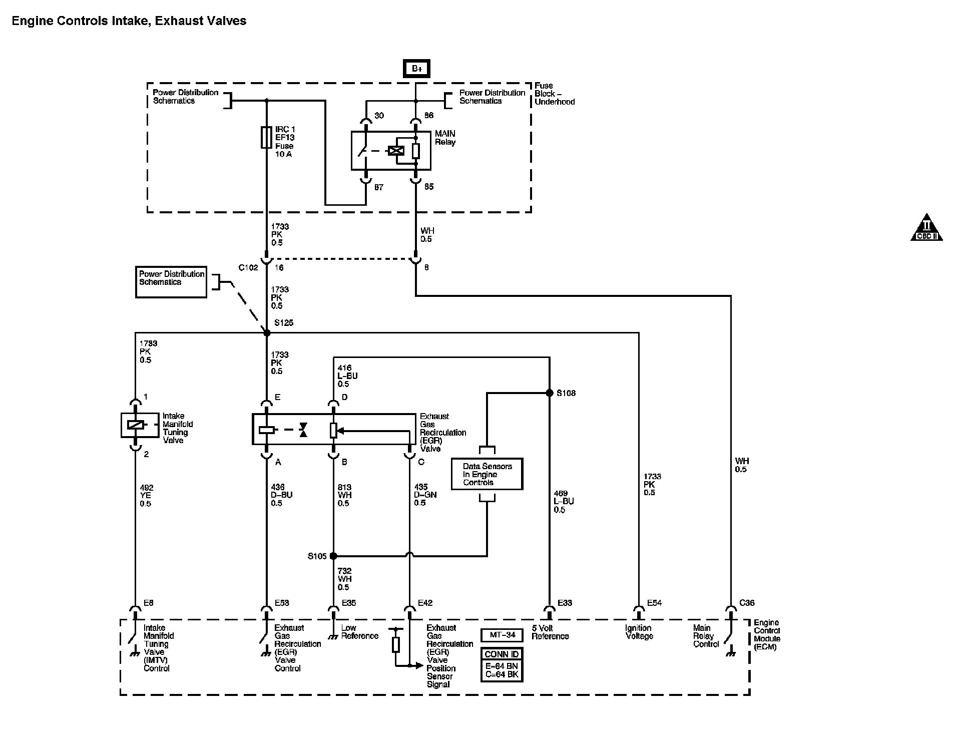
Intake Manifold Tuning (IMT) Valve, Exhaust Gas Recirculation (EGR) Valve







Engine Controls Subsystem References







Locations: The locations for the Connectors, Grounds, Splices, and Grommets shown within these diagrams can be found via their numbers at Vehicle Locations. Locations