Operation CHARM: Car repair manuals for everyone.
Manuals through 2025 now available!

Our trusted friends have launched a new website named LEMON, which has newer manuals. It also contains all the CHARM manuals.

LEMON is the spiritual successor to CHARM, I recommend you try it!

Link: lemon-manuals.la or lemon-manuals.org.ua

(Some people have issue connecting. LEMON is investigating. For now, use Firefox or change your DNS server)

Or, hide this message: temporarily or permanently

Steering Angle Sensor: Locations



Antilock Brake System Component Views

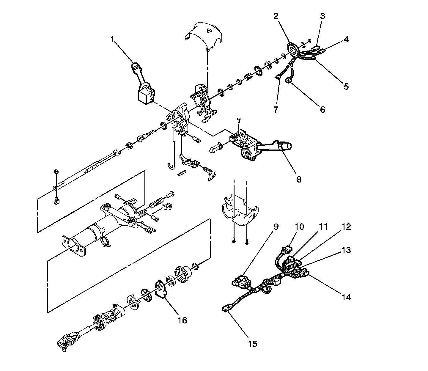
Steering Column





1 - Windshield Wiper/Washer Switch
2 - Inflatable Restraint Steering Wheel Module Coil
3 - Inflatable Restraint Steering Wheel Module Coil, C3
4 - Inflatable Restraint Steering Wheel Module Coil, C2
5 - Inflatable Restraint Steering Wheel Module Coil, C5
6 - Inflatable Restraint Steering Wheel Module Coil, C4
7 - Inflatable Restraint Steering Wheel Module Coil, C1
8 - Multifunction Turn Signal Lever
9 - Body Control Module, C3
10 - Windshield Wiper/Washer Switch, Connector
11 - Multifunction Turn Signal Lever, C1
12 - Multifunction Turn Signal Lever, C2
13 - Multifunction Turn Signal Lever, C3
14 - Inflatable Restraint Steering Wheel Module Coil, C4
15 - C201
16 - Steering Angle Sensor (JL4)