Operation CHARM: Car repair manuals for everyone.
Manuals through 2025 now available!

Our trusted friends have launched a new website named LEMON, which has newer manuals. It also contains all the CHARM manuals.

LEMON is the spiritual successor to CHARM, I recommend you try it!

Link: lemon-manuals.la or lemon-manuals.org.ua

(Some people have issue connecting. LEMON is investigating. For now, use Firefox or change your DNS server)

Or, hide this message: temporarily or permanently

Upper Intake Manifold Replacement



Upper Intake Manifold Replacement

Removal Procedure




1. Disconnect the negative battery cable.
2. Remove the fuel injector sight shield.
3. Remove the air cleaner intake duct.
4. Drain the cooling system.
5. Remove the right spark plug wires from the ignition control module and the upper intake manifold and reposition the wires.
6. Relieve the fuel pressure.
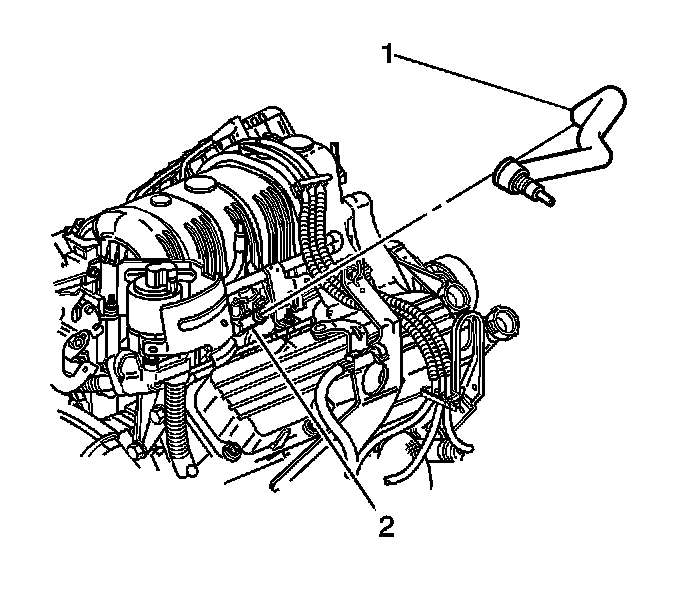
7. Remove the brake booster hose (1) from the vacuum source manifold (2).
8. Disconnect the electrical connectors from the following:
* Electronic throttle control (ETC)
* EVAP purge solenoid
* Manifold absolute pressure (MAP) sensor
* Mass air flow (MAF) sensor




9. Remove the exhaust gas recirculation (EGR) valve wiring harness heat shield nut (1), bolt (2) and the EGR heat shield (3).
10. Disconnect the EVAP purge solenoid pipe quick connect fitting.




11. Remove the fuel rail assembly nuts (2).
12. Remove the fuel rail assembly (1) with the fuel injectors (3).




13. Remove the upper intake manifold bolts (1,4) and the studs (2,3).
14. Clean the upper intake manifold bolt threads.
15. Remove the upper intake manifold.




16. Remove the upper-to-lower intake manifold carrier gasket from the upper intake manifold.
17. If the upper intake manifold is being replaced, remove the following:
* Throttle body
* Manifold absolute pressure (MAP) sensor
* Positive crankcase ventilation (PCV) valve
* Vacuum source manifold

Installation Procedure

1. If the manifold was replaced install the following:
* Vacuum source manifold
* Positive crankcase ventilation (PCV) valve
* Manifold absolute pressure (MAP) sensor
* Throttle body




2. Install the upper-to-lower intake manifold carrier gasket to the upper intake manifold.




3. Carefully install the upper intake manifold (5) onto the lower intake manifold. Ensure that the alignment pins in the upper intake manifold align with the holes in the lower intake manifold.
4. Apply thread lock compound to the threads of the bolts (1,4) and the studs (2,3).





Notice: Refer to Fastener Notice in Service Precautions.

5. Install the upper intake manifold bolts and the studs (1-10).

Tighten the bolts in sequence to 10 N.m (89 lb in).




6. Lightly coat the fuel injectors (3) with clean engine oil.

Important: Ensure the fuel rail is fully seated in the lower intake manifold assembly.

7. Install the fuel rail assembly (1) to the lower intake assembly.
8. Install the fuel rail nuts (2).

Tighten the nuts to 10 N.m (89 lb in).

9. Connect the EVAP purge solenoid pipe quick connect fitting.




10. Install the EGR valve wiring harness heat shield (3), the nut (1) and the bolt (2).

Tighten the nut and the bolt to 10 N.m (89 lb in).




11. Install the brake booster hose (1) to the vacuum source manifold (2).
12. Connect the electrical connectors to the following:
* Mass air flow (MAF) sensor
* Manifold absolute pressure (MAP) sensor
* EVAP purge solenoid
* Electronic throttle control (ETC)
13. Install the right spark plug wires to the ignition control module and the upper intake manifold.
14. Install the air cleaner intake duct.
15. Install the fuel injector sight shield.
16. Fill the cooling system.
17. Connect the negative battery cable.
18. Inspect for fluid or vacuum leaks.