Operation CHARM: Car repair manuals for everyone.
Manuals through 2025 now available!

Our trusted friends have launched a new website named LEMON, which has newer manuals. It also contains all the CHARM manuals.

LEMON is the spiritual successor to CHARM, I recommend you try it!

Link: lemon-manuals.la or lemon-manuals.org.ua

(Some people have issue connecting. LEMON is investigating. For now, use Firefox or change your DNS server)

Or, hide this message: temporarily or permanently

Electrical Diagrams



ENGINE CONTROLS SCHEMATICS

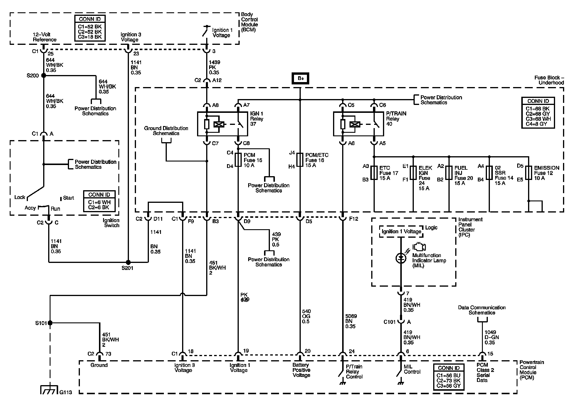
PCM Power, Ground, MIL, and Serial Data







5-Volt and Low Reference Bussing







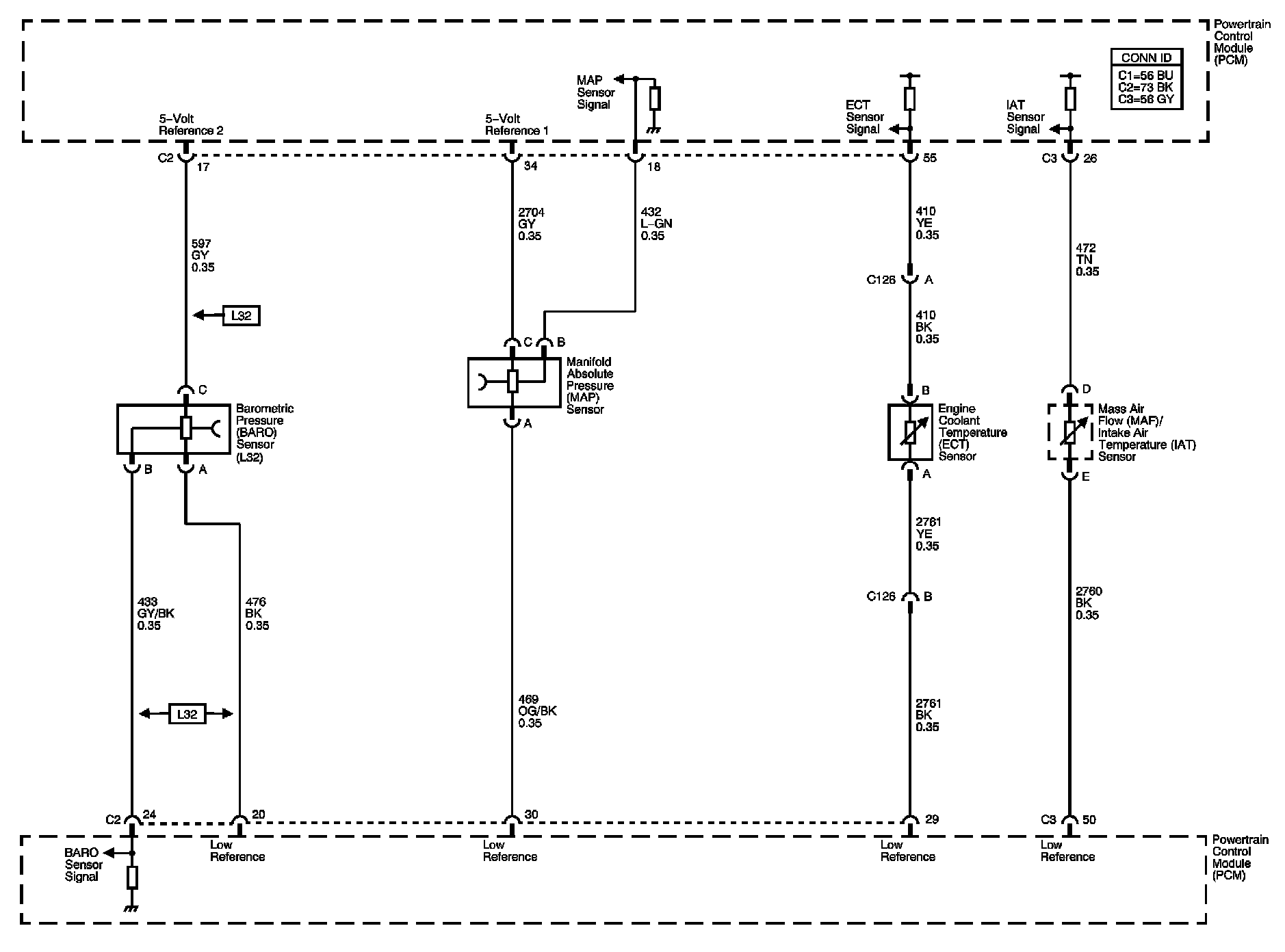
BARO, MAP, ECT, and IAT/MAF Sensors







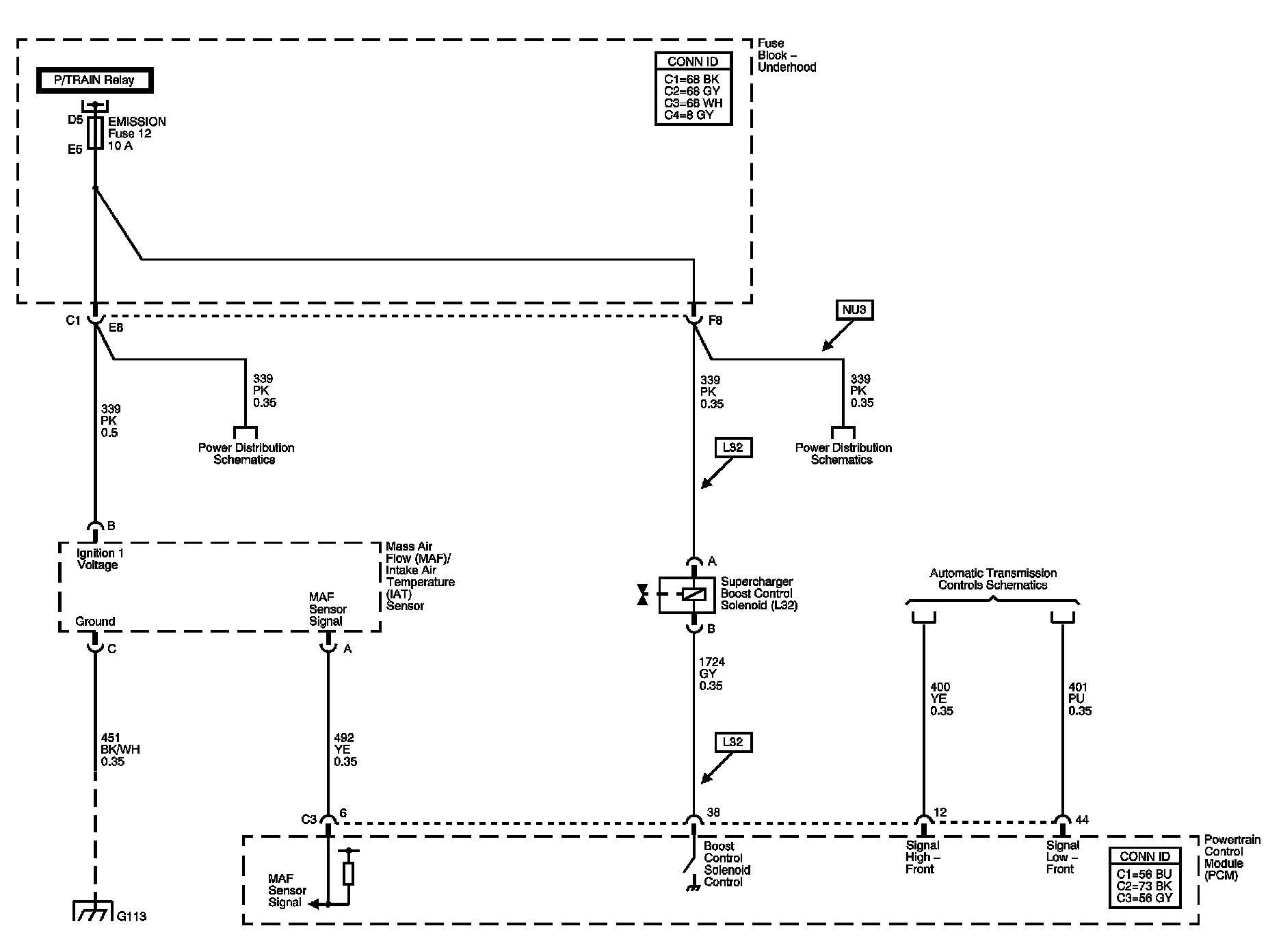
IAT/MAF Sensor, Super Charger Boost Control Solenoid, and A/T Controls VSS References







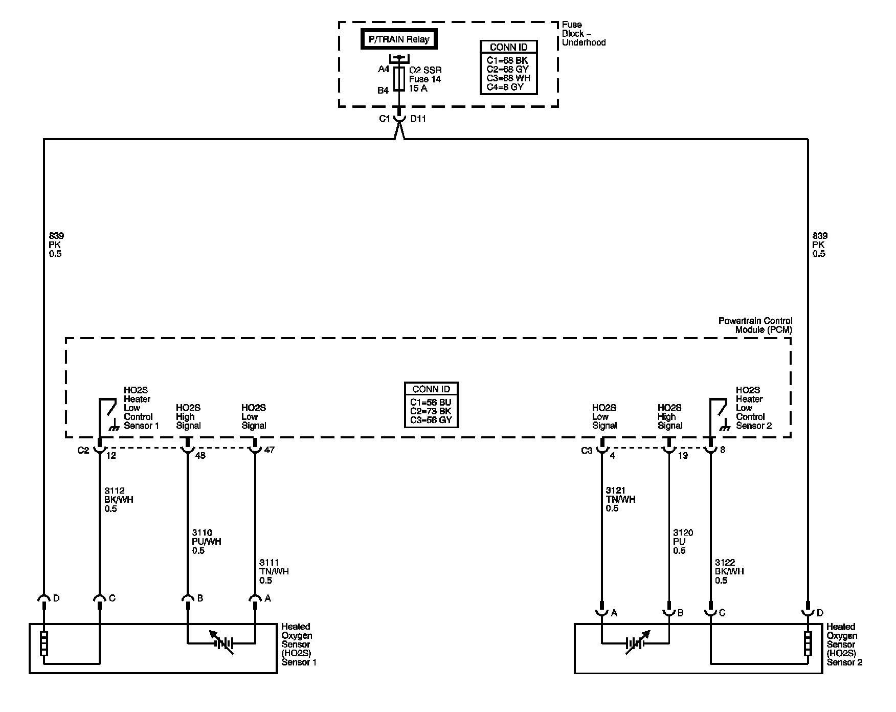
Heated Oxygen Sensors







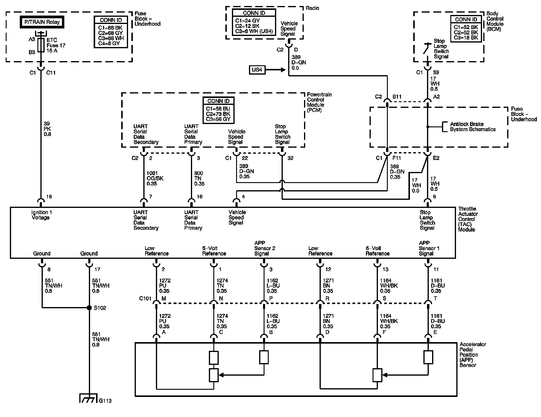
Electronic Throttle Controls







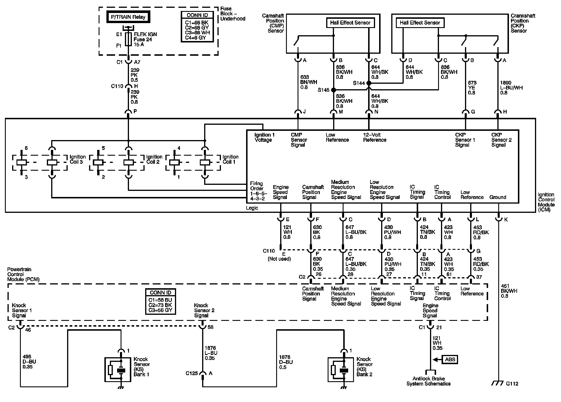
Ignition Control Module







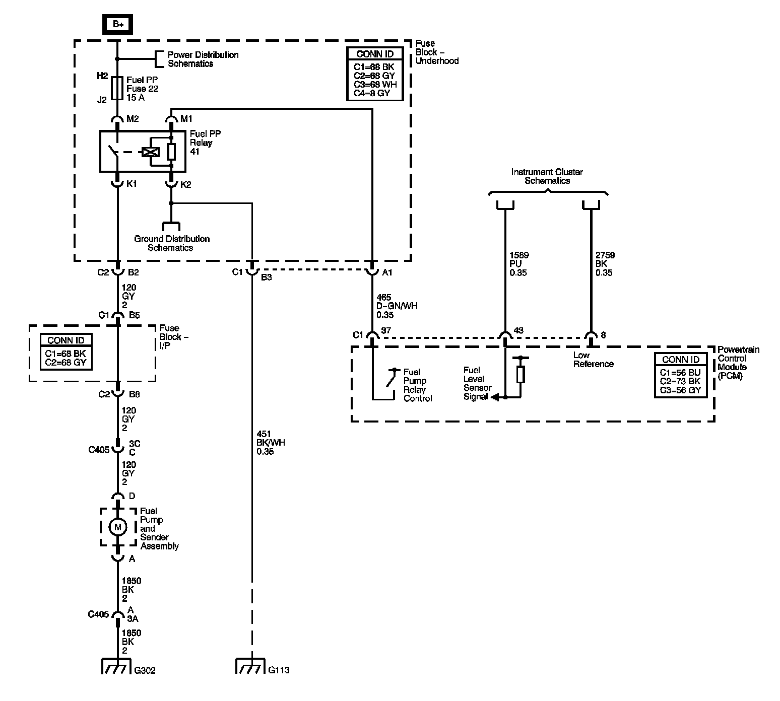
Fuel Pump Controls







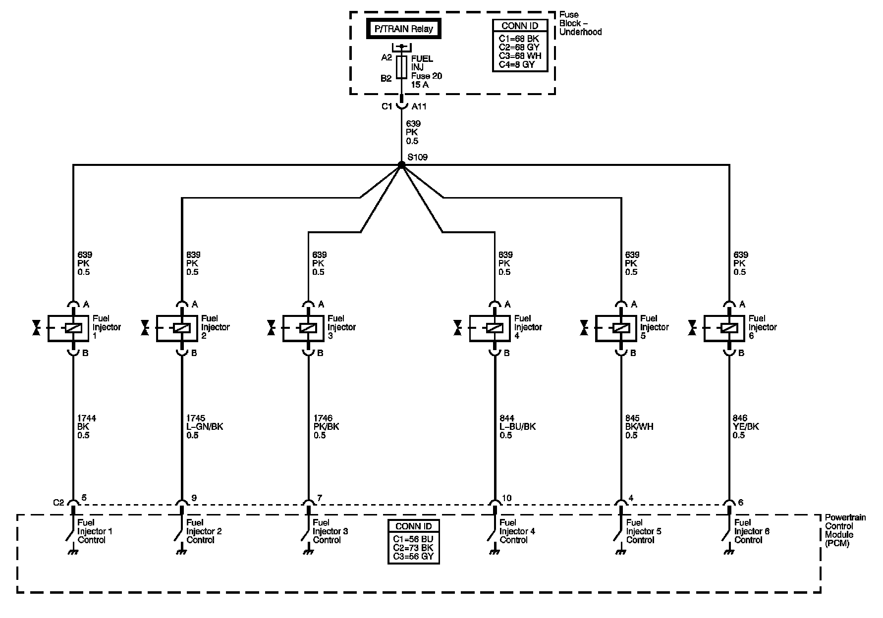
Fuel Injectors







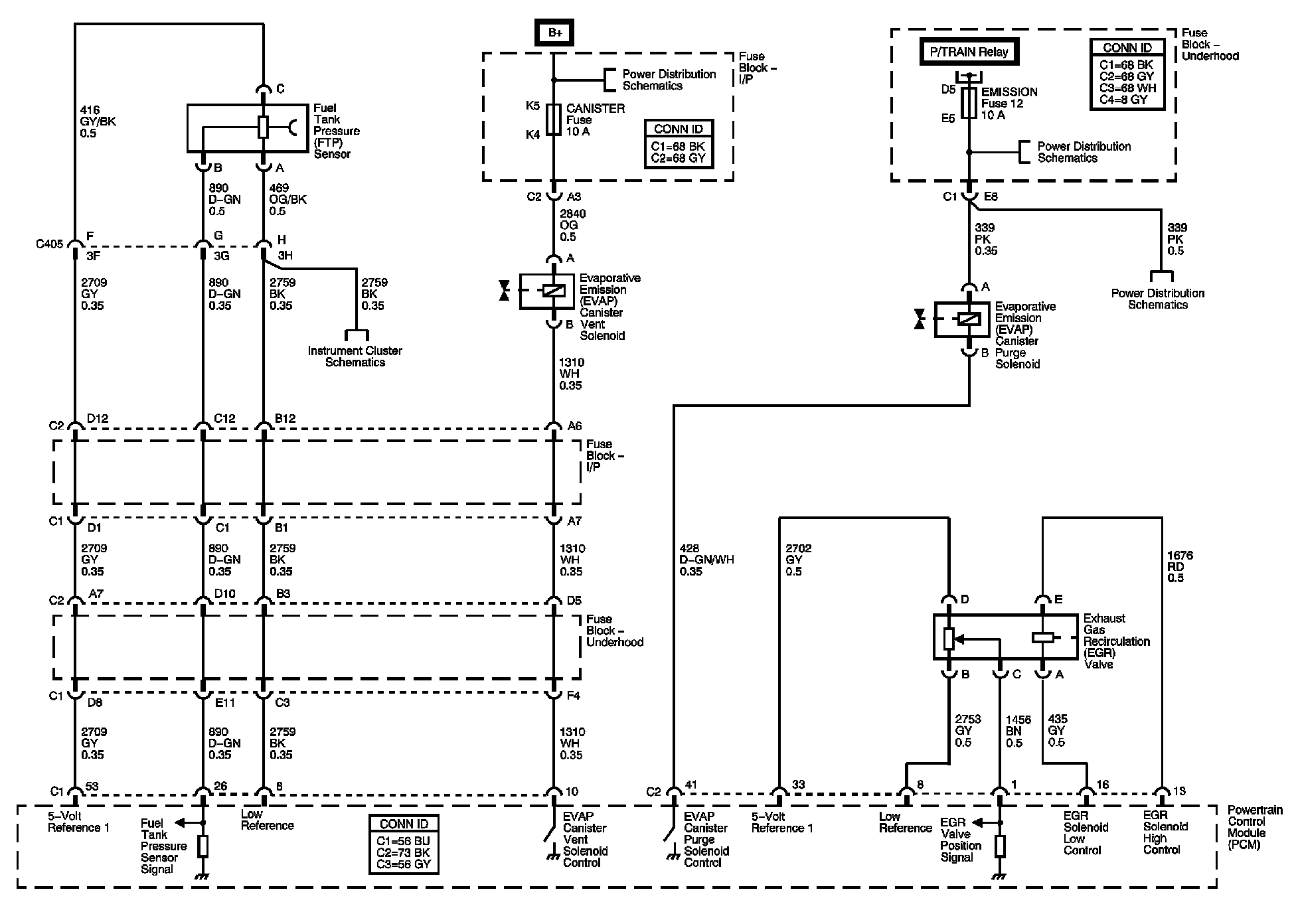
EVAP Solenoids, FTP Sensor, and EGR Valve







Controlled/Monitored Subsystem References







Automatic Transmission Controls References







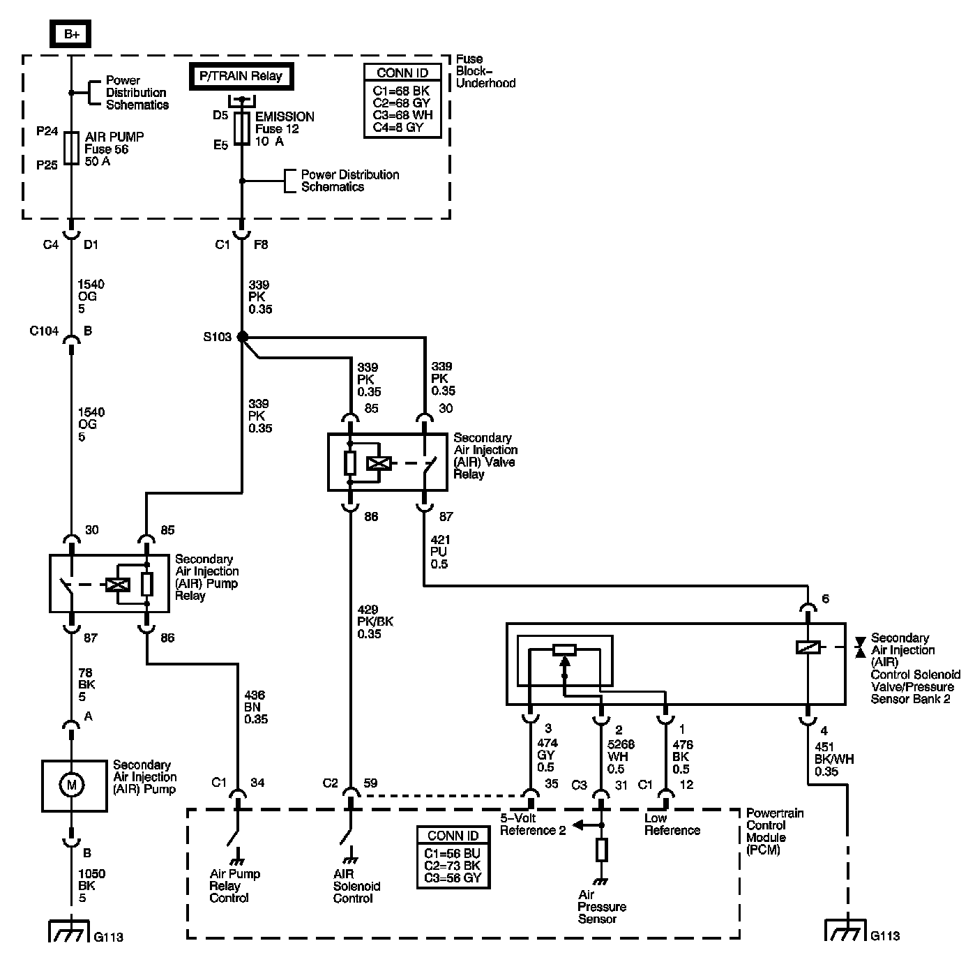
Secondary Air Injection (AIR) - NU6







Locations: The locations for the Connectors, Grounds, Splices, and Grommets shown within these diagrams can be found via their numbers at Vehicle Locations. Locations