Operation CHARM: Car repair manuals for everyone.
Manuals through 2025 now available!

Our trusted friends have launched a new website named LEMON, which has newer manuals. It also contains all the CHARM manuals.

LEMON is the spiritual successor to CHARM, I recommend you try it!

Link: lemon-manuals.la or lemon-manuals.org.ua

(Some people have issue connecting. LEMON is investigating. For now, use Firefox or change your DNS server)

Or, hide this message: temporarily or permanently

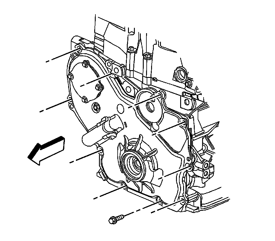
Timing Cover: Service and Repair



Engine Front Cover Replacement

Removal Procedure




1. Remove the hood.
2. Remove the drive belt tensioner.
3. Remove the crankshaft balancer.
4. Remove the engine front cover bolts.




5. Remove the engine front cover to water pump bolt.




6. Remove and discard the engine front cover gasket.

Installation Procedure




1. Position and install a NEW engine front cover gasket to the dowel pins.




2. Position and install the engine front cover.

Notice: Refer to Fastener Notice.

3. Install the engine front cover to water pump bolt.

Tighten the bolt to 25 N.m (18 lb ft).




4. Install the engine front cover bolts.

Tighten the bolts to 25 N.m (18 lb ft).

5. Install the crankshaft balancer.
6. Install the drive belt tensioner.
7. Install the hood.