Electrical Diagrams
ENGINE CONTROLS SCHEMATICS
Data Link, Ground, MIL, and Power
5-Volt and Low Reference
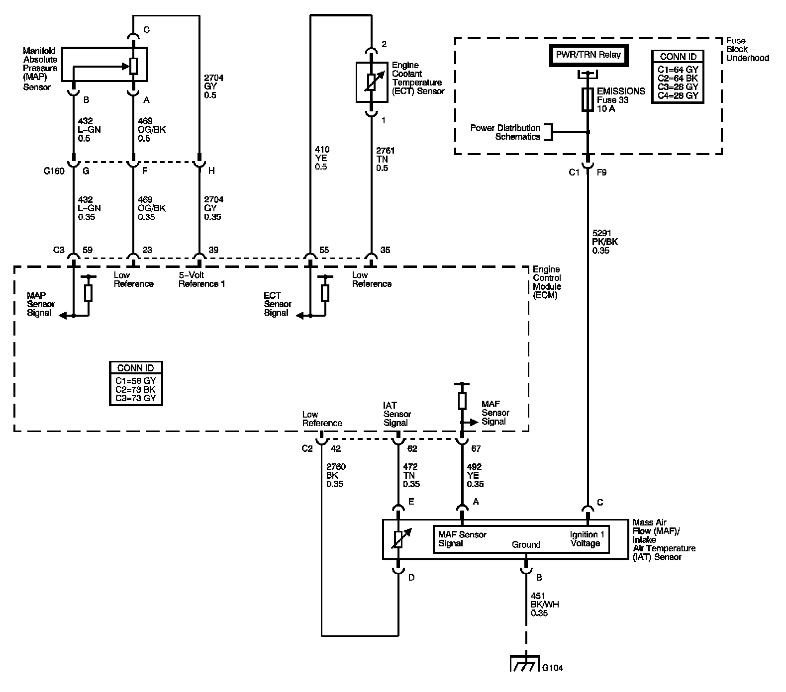
Engine Data Sensors - Pressure and Temperature
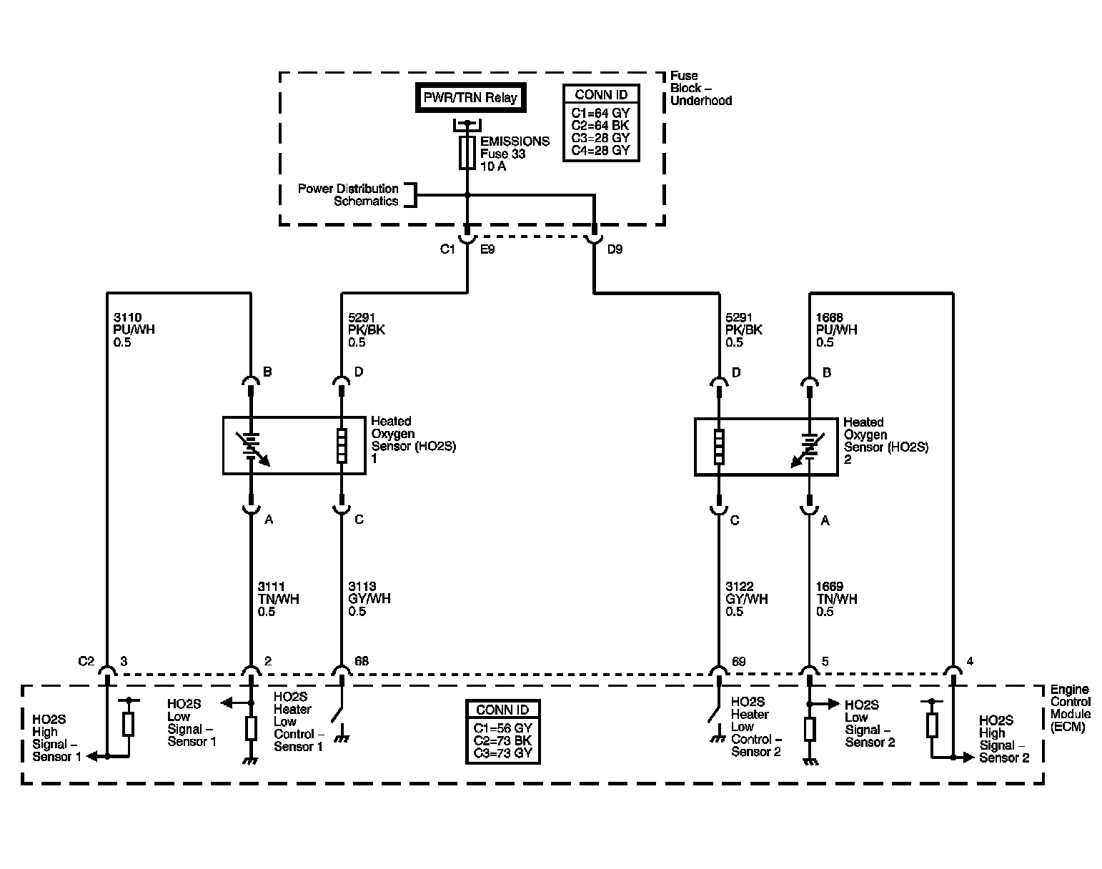
Engine Data Sensors - Oxygen Sensors
Engine Data Sensors - Electronic Throttle Control
Ignition Controls - Sensors
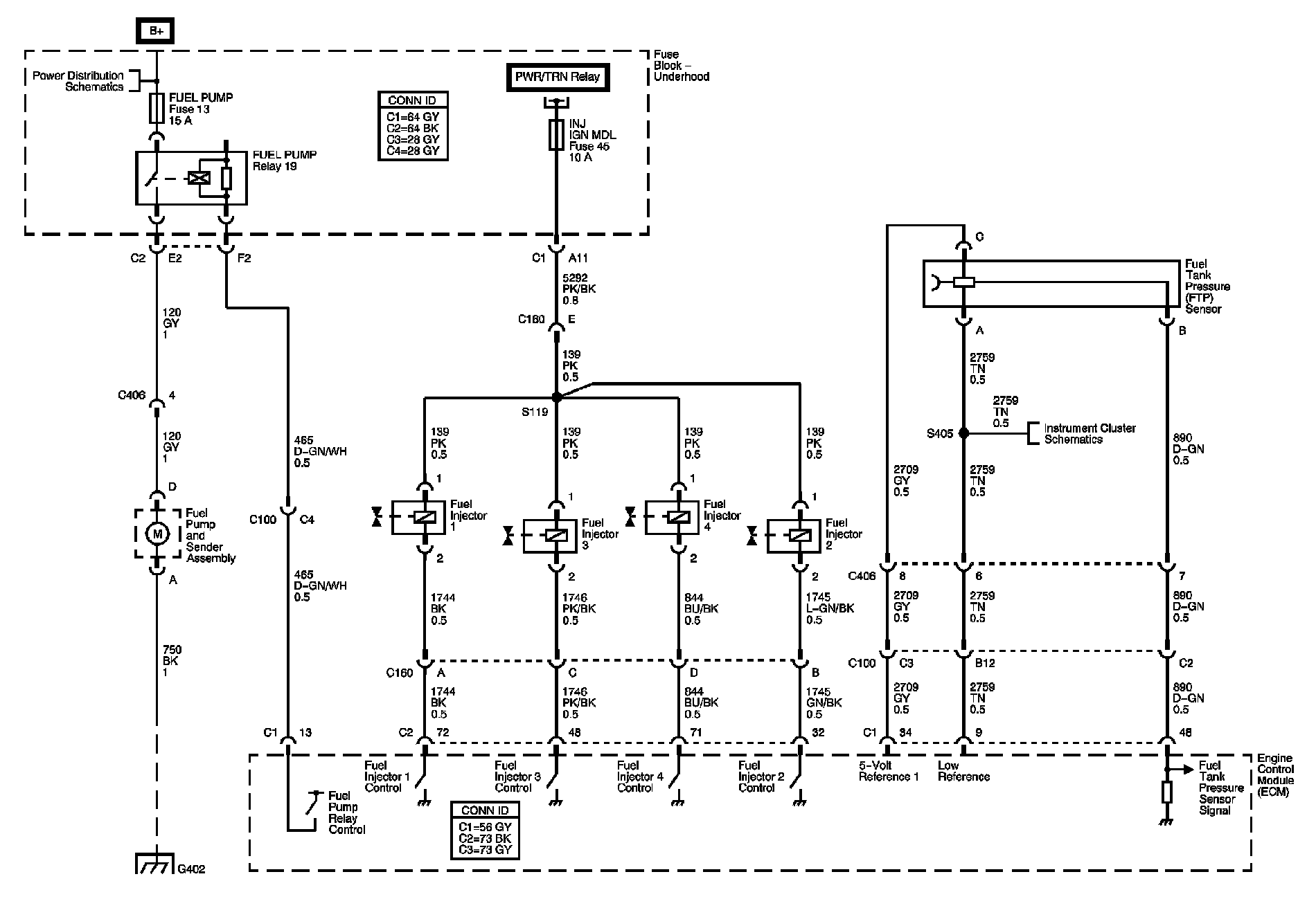
Fuel Controls - Fuel Pump Controls and Fuel Injectors
Ignition Controls - Ignition System
Fuel Controls - EVAP Controls
Controlled/Monitored Subsystem References
Locations: The locations for the Connectors, Grounds, Splices, and Grommets shown within these diagrams can be found via their numbers at Vehicle Locations. Locations