Operation CHARM: Car repair manuals for everyone.
Manuals through 2025 now available!

Our trusted friends have launched a new website named LEMON, which has newer manuals. It also contains all the CHARM manuals.

LEMON is the spiritual successor to CHARM, I recommend you try it!

Link: lemon-manuals.la or lemon-manuals.org.ua

(Some people have issue connecting. LEMON is investigating. For now, use Firefox or change your DNS server)

Or, hide this message: temporarily or permanently

System Diagram



ENGINE CONTROLS SCHEMATICS

Module Power, Ground, and MIL







5-Volt Reference







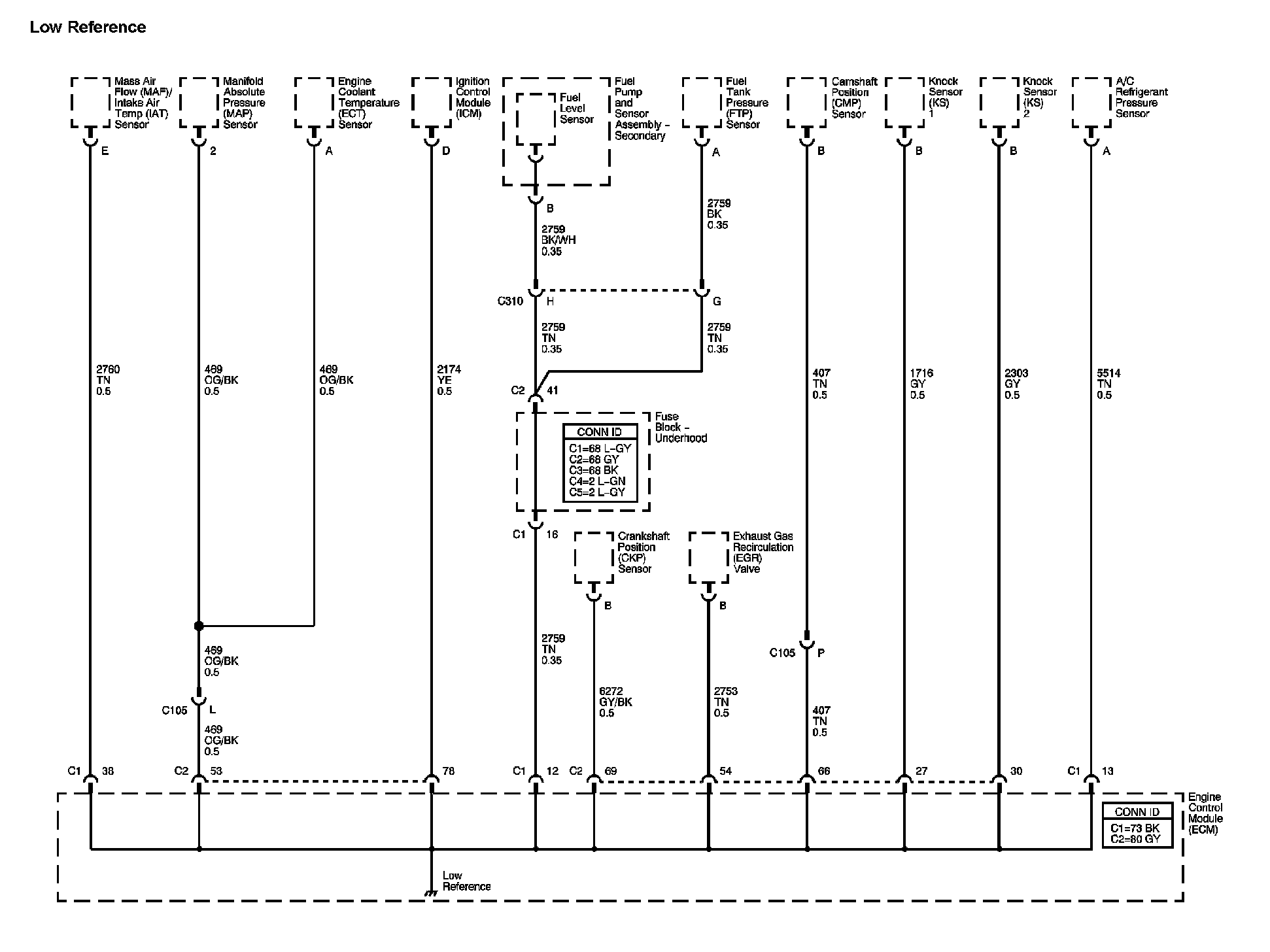
Low Reference







MAF, MAP, ECT







Oxygen Sensors







TAC, Accelerator Pedal Sensor







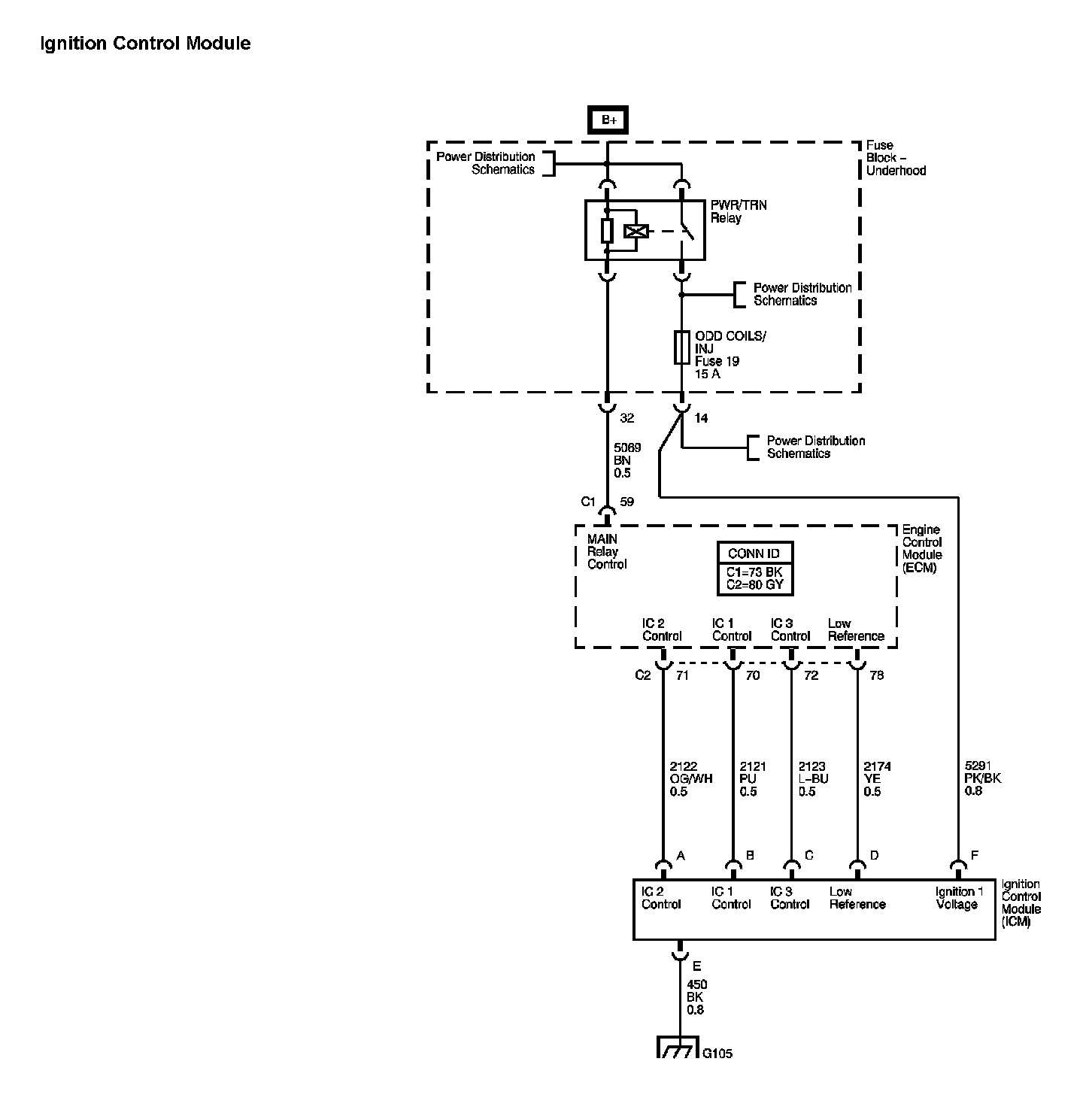
Ignition Control Module







Knock, Camshaft, and Crankshaft Sensors







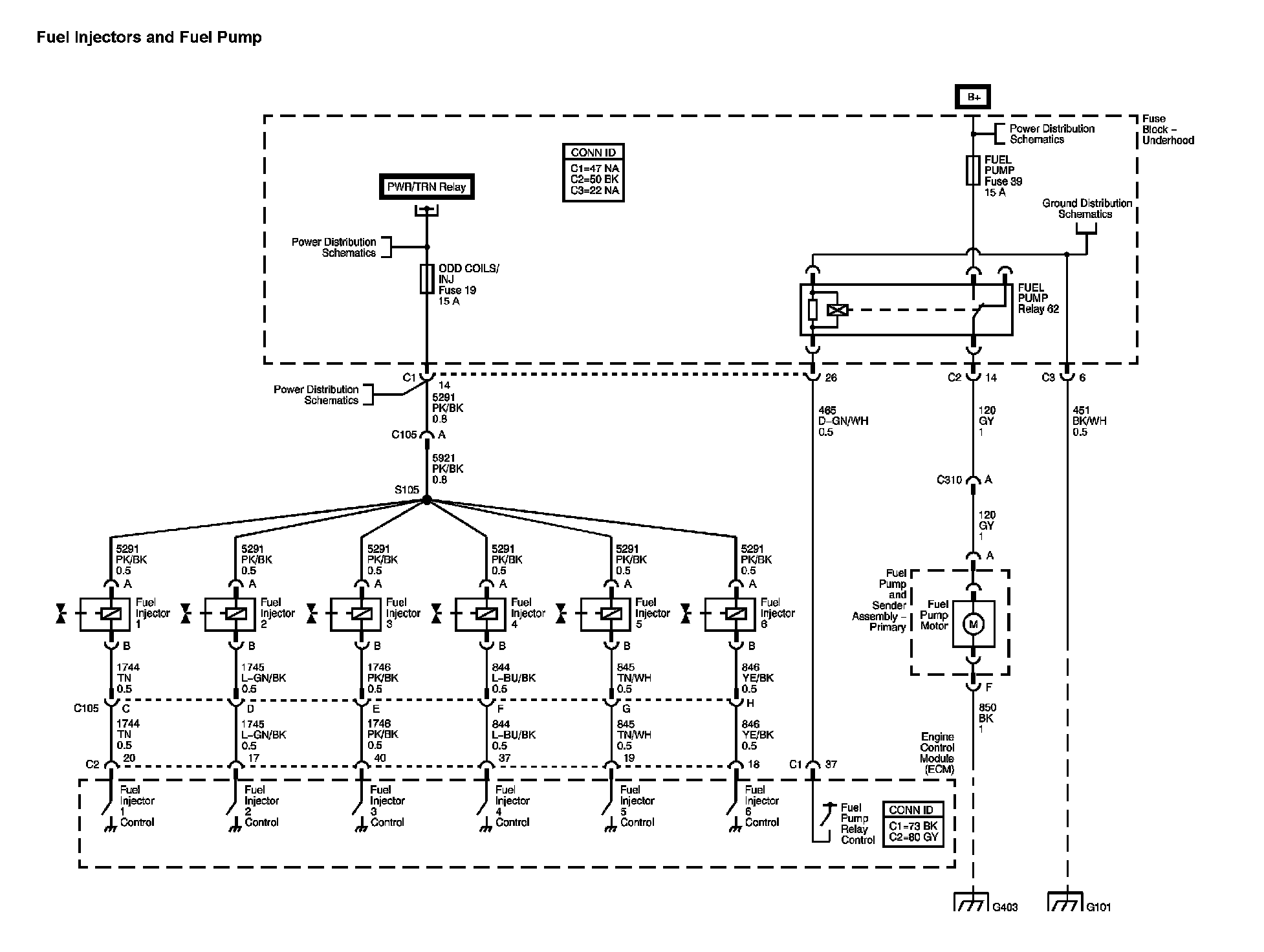
Fuel Injectors and Fuel Pump







EGR and EVAP Controls







Controlled/Monitored Subsystem References







Locations: The locations for the Connectors, Grounds, Splices, and Grommets shown within these diagrams can be found via their numbers at Vehicle Locations. Locations