Operation CHARM: Car repair manuals for everyone.
Manuals through 2025 now available!

Our trusted friends have launched a new website named LEMON, which has newer manuals. It also contains all the CHARM manuals.

LEMON is the spiritual successor to CHARM, I recommend you try it!

Link: lemon-manuals.la or lemon-manuals.org.ua

(Some people have issue connecting. LEMON is investigating. For now, use Firefox or change your DNS server)

Or, hide this message: temporarily or permanently

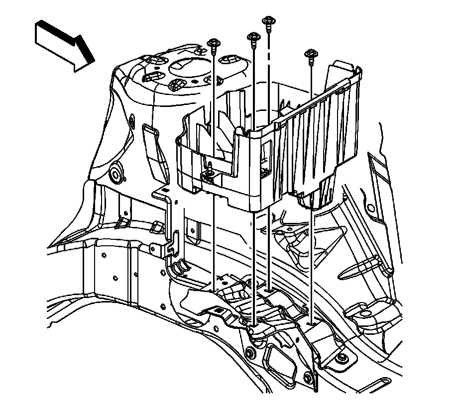
Battery Box Replacement



Battery Box Replacement

Removal Procedure




1. Remove the battery.
2. Remove the air conditioning (A/C) evaporator line clamp nut at the battery box.
3. Remove the A/C evaporator outlet line clamp from the battery tray stud.




4. Remove the coolant surge tank bolts from the front wheelhouse panel.
5. Lift the coolant surge tank up and reposition the tank.




6. Remove the battery tray bolts.
7. Lift up the battery tray slightly in order to disconnect the battery cooling air inlet duct.




8. Disconnect the battery cooling air inlet duct from the battery tray.
9. Remove the battery tray from the vehicle.

Installation Procedure




1. Position the battery tray to the vehicle.

Important: Fully insert the duct into the hole on the battery tray past the second molded in ridge, stopping at the flange.

2. Connect the battery cooling air inlet duct to the battery tray.




3. Set the battery tray completely in place.

Notice: Refer to Fastener Notice.

4. Install the battery tray bolts.

Tighten the bolts to 15 N.m (11 lb ft).




5. Position and install the coolant surge tank to the front wheelhouse panel.
6. Install the coolant surge tank bolts.

Tighten the bolts to 6 N.m (53 lb in).




7. Install the A/C evaporator outlet line clamp to the battery tray stud.
8. Install the A/C evaporator line clamp nut at the battery tray.

Tighten the nut to 15 N.m (11 lb ft).

9. Install the battery.