Operation CHARM: Car repair manuals for everyone.
Manuals through 2025 now available!

Our trusted friends have launched a new website named LEMON, which has newer manuals. It also contains all the CHARM manuals.

LEMON is the spiritual successor to CHARM, I recommend you try it!

Link: lemon-manuals.la or lemon-manuals.org.ua

(Some people have issue connecting. LEMON is investigating. For now, use Firefox or change your DNS server)

Or, hide this message: temporarily or permanently

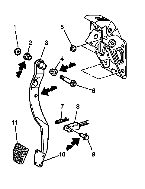
Brake Pedal Assy: Service and Repair



Brake Pedal Assembly Replacement

Removal Procedure





Caution: Before servicing any electrical component, the ignition and start switch must be in the OFF or LOCK position and all electrical loads must be OFF, unless instructed otherwise in these procedures. If a tool or equipment could easily come in contact with a live exposed electrical terminal, also disconnect the negative battery cable. Failure to follow these precautions may cause personal injury and/or damage to the vehicle or its components.

1. Disconnect the negative battery cable.
2. Disconnect the stoplamp switch connector.
3. Remove the clip (7) from the push rod clevis pin (9).
4. Remove the push rod clevis pin and the washer from the push rod clevis (8).
5. Remove the push rod clevis from the brake pedal (10).
6. Remove the 4 bracket nuts (5).
7. Remove the shaft bolt (6) and the nut (1).
8. Remove the pedal from the bracket.
9. Remove the bushings (2, 4) from the pedal.
10. Remove the cover (11) from the pedal.

Installation Procedure




1. Install the cover (11) to the brake pedal (10).
2. Apply Lubriplate lubricant, GM P/N 1052196 (Canadian P/N 5264008), or the equivalent, to the bushings (2, 4).
3. Install the bushings to the pedal.
4. Install the pedal and the shaft bolt (6) to the bracket.

Notice: Refer to Fastener Notice.

5. Install the nut (1) to the shaft bolt.

Tighten the bolt and the nut to 37 N.m (27.3 lb ft).

6. Install the bracket and the 4 nuts to the vehicle.

Tighten the nuts to 12.7 N.m (112.4 lb in).

7. Apply Lubriplate lubricant, GM P/N 1052196 (Canadian P/N 5264008), or the equivalent, to the push rod clevis pin (9) and to the clevis pin hole in the pedal.
8. Install the push rod clevis pin and the washer in order to retain the push rod clevis to the pedal.
9. Install the clip (7) in order to retain the clevis pin to the pedal.
10. Connect the stoplamp switch connector.
11. Connect the negative battery cable.
12. Measure the brake pedal travel. Adjust if necessary.