Operation CHARM: Car repair manuals for everyone.
Manuals through 2025 now available!

Our trusted friends have launched a new website named LEMON, which has newer manuals. It also contains all the CHARM manuals.

LEMON is the spiritual successor to CHARM, I recommend you try it!

Link: lemon-manuals.la or lemon-manuals.org.ua

(Some people have issue connecting. LEMON is investigating. For now, use Firefox or change your DNS server)

Or, hide this message: temporarily or permanently

Electrical Diagrams



Engine Controls Schematics

DLC, Ground, MIL and Power

Engine Controls Diagram 1:






5-Volt and Low References

Engine Controls Diagram 2:






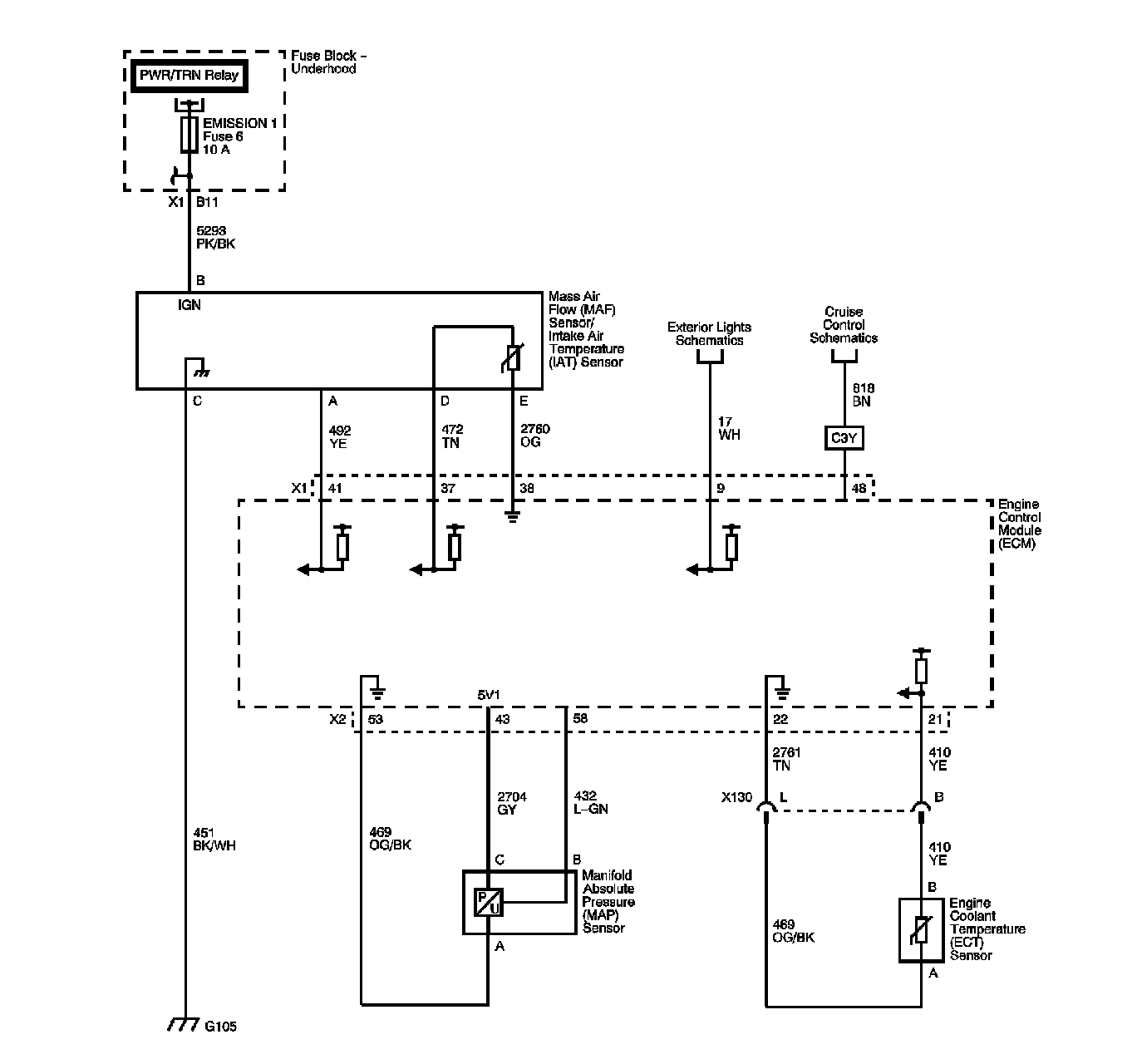
MAF, VSS and Extended Brake Travel Switch

Engine Controls Diagram 3:






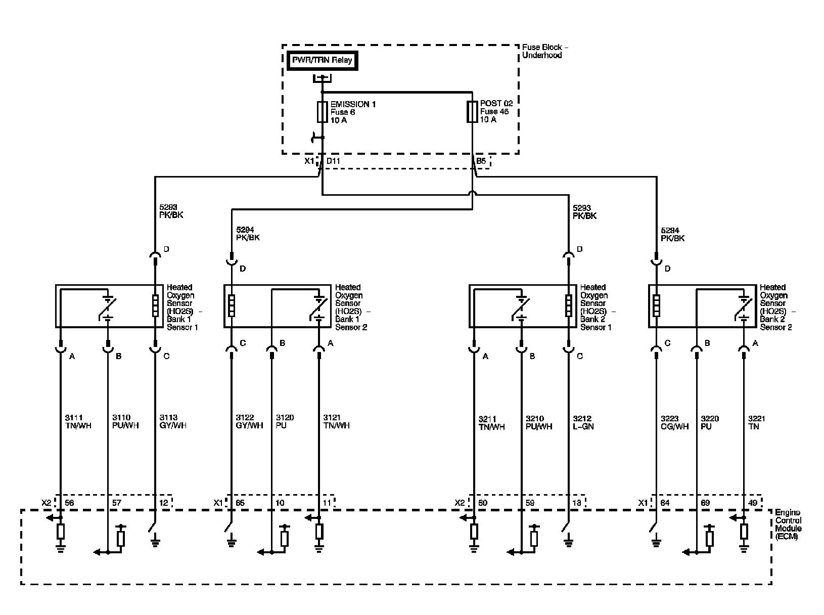
Heated Oxygen Sensors

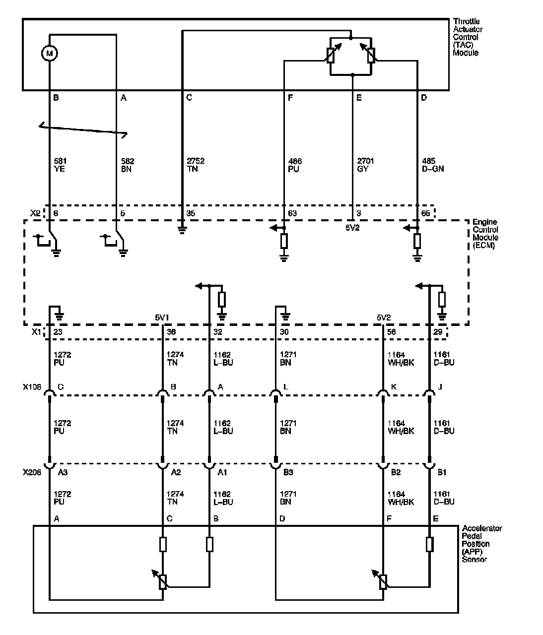
Engine Controls Diagram 4:






Electronic Throttle Controls

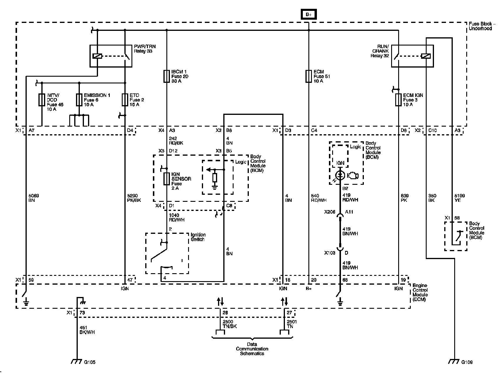
Engine Controls Diagram 5:






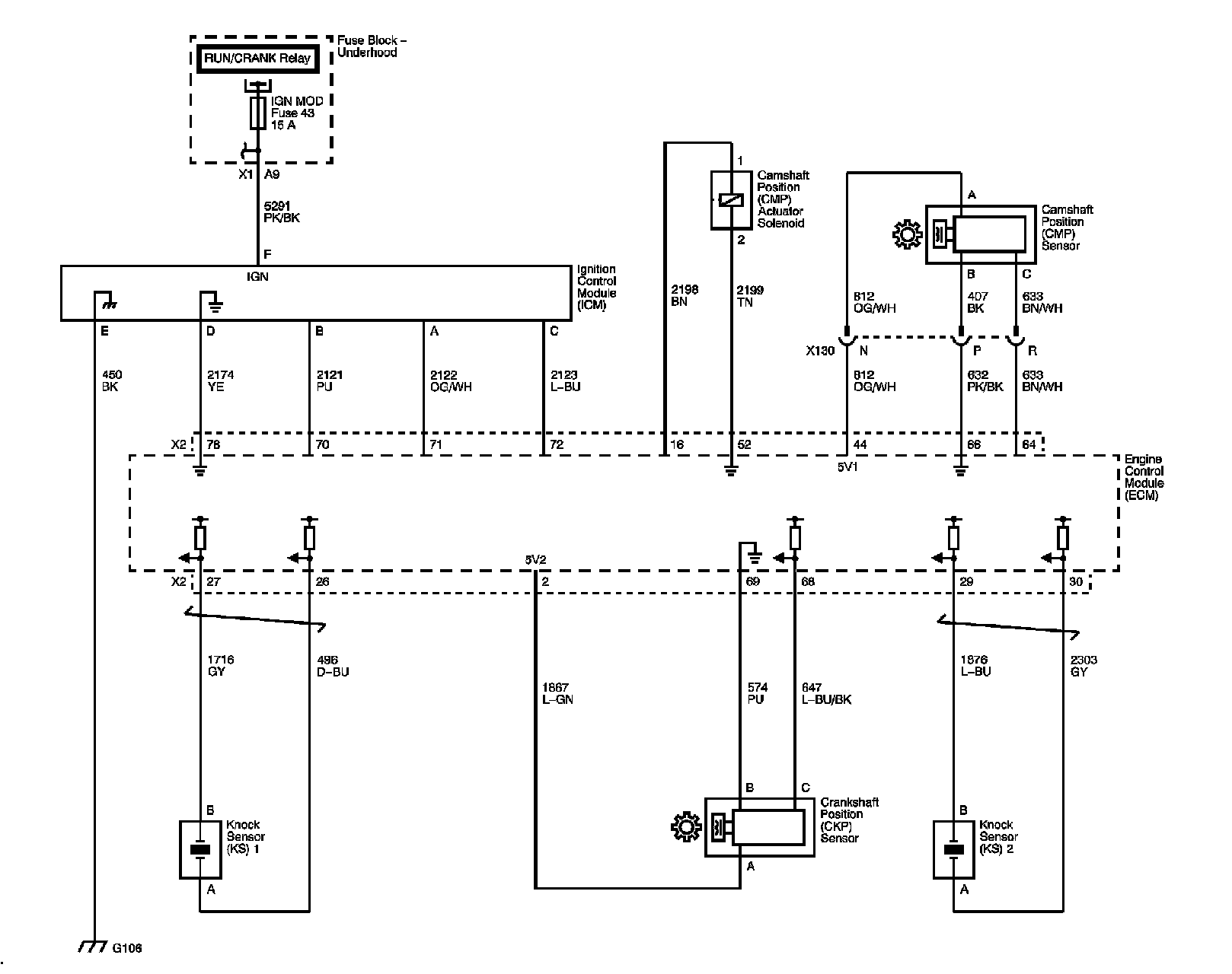
Ignition System

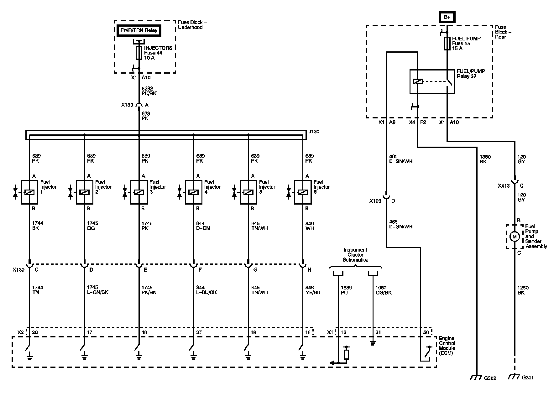
Engine Controls Diagram 6:






Fuel Injectors and Fuel Pump

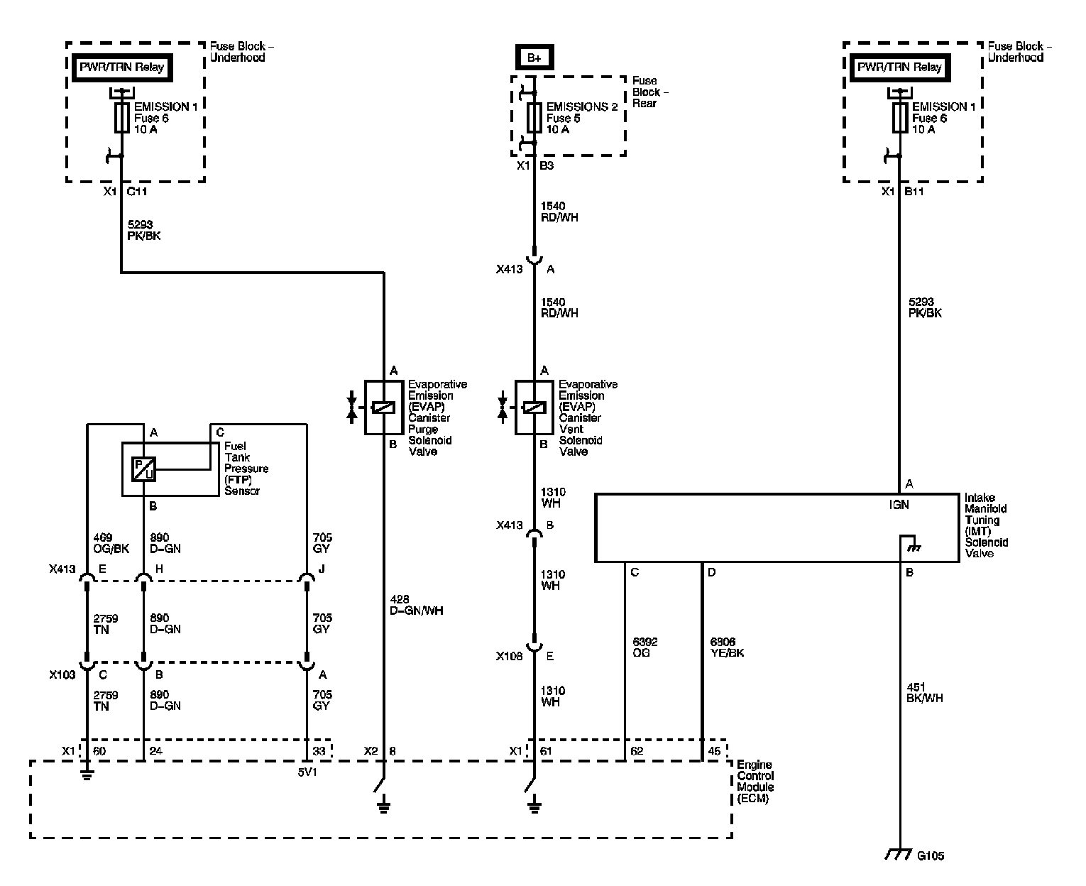
Engine Controls Diagram 7:






EVAP Controls and FTP Sensor

Engine Controls Diagram 8:






Controlled/Monitored Subsystem References

Engine Controls Diagram 9: