Operation CHARM: Car repair manuals for everyone.
Manuals through 2025 now available!

Our trusted friends have launched a new website named LEMON, which has newer manuals. It also contains all the CHARM manuals.

LEMON is the spiritual successor to CHARM, I recommend you try it!

Link: lemon-manuals.la or lemon-manuals.org.ua

(Some people have issue connecting. LEMON is investigating. For now, use Firefox or change your DNS server)

Or, hide this message: temporarily or permanently

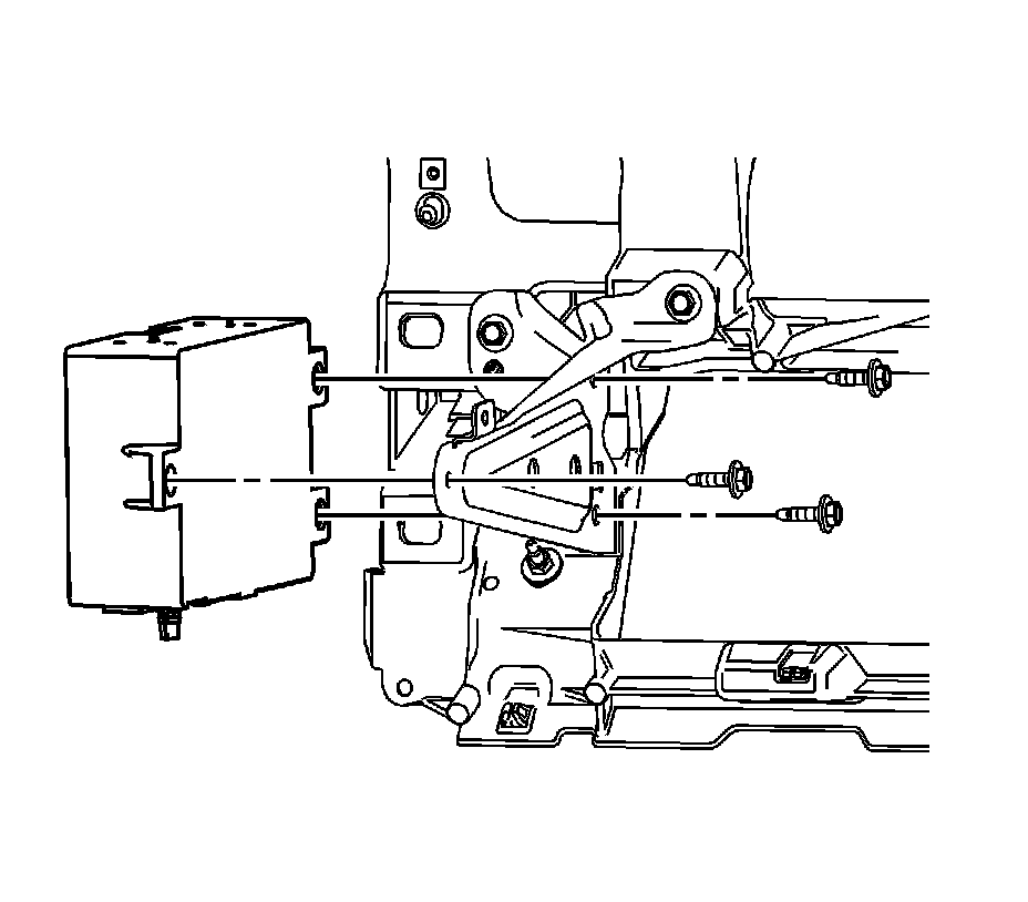
Communication Interface Module Replacement




Communication Interface Module Replacement

Removal Procedure

Note: The communication interface module has a specific set of unique numbers that tie the module to each vehicle. These numbers, the 10-digit station identification and the 11-digit electronic serial number, are used by the National Cellular Network and OnStar to identify the specific vehicle. Because these numbers are tied to the vehicle identification number of the vehicle, you must never exchange these parts with those of another vehicle.

1. Remove the right closeout panel. Refer to Instrument Panel Insulator Panel Replacement - Right Side (Service and Repair). Open Instrument panel compartment fully beyond it's stop bumpers.
2. Disconnect the communication interface module wire harness and antenna connectors.




3. Remove the communication interface module bolts.




4. Remove the communication interface module.

Installation Procedure




1. Install the communication interface module.

Caution: Refer to Fastener Caution (Fastener Caution).

2. Tighten the communication interface module bolts.

Tighten the bolts to 10 Nm (89 lb in).

3. When replacing the Communication Interface Module be sure to transfer Bluetooth Antenna, if equipped.
4. Connect the communication interface module wire harness and antenna connectors.
5. Install the right closeout panel. Refer to Instrument Panel Insulator Panel Replacement - Right Side (Service and Repair).

Note: After replacing the communication interface module, you must reconfigure the OnStar system. Failure to reconfigure the system will result in an additional customer visit or repair. In addition, pressing and holding the white dot button on the keypad will NOT reset the OnStar system. This action will cause a DTC to set.

6. Reconfigure the OnStar system. Refer to Control Module References (Programming and Relearning).