Evaporator Core: Service and Repair
Air Conditioning Evaporator Core Replacement
Removal Procedure
1. Remove the HVAC module assembly. Refer to HVAC Module Assembly Replacement (Service and Repair).
2. Disconnect the main mode actuator electrical connector (1).
3. Disconnect the air mix actuator electrical connector (2).
4. Disconnect the rear mode actuator electrical connector (3).
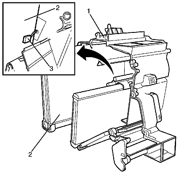
5. Detach the wiring harness (5) from the HVAC module assembly (4).
6. Detach the wiring harness (1) from the HVAC module assembly (2).
Note: Do not damage the foam seal (1).
7. Remove the foam seal (1) from the HVAC module assembly (2).
8. Remove the TX valve positioning bracket to the HVAC module assembly retaining screws (2).
9. Remove TX valve positioning bracket (3) from the HVAC module assembly (1).
Note: Unclip the upper plastic retaining cover (1) to remove.
10. Remove the upper retaining plastic cover (1) from HVAC module assembly (2).
11. Remove the evaporator pipe assembly to evaporator retaining bolts (4).
12. Remove the evaporator pipe assembly (5) from the evaporator (3).
13. Remove the HVAC module assembly retaining clips (1) from the HVAC module assembly (2).
14. Remove the left side HVAC module assembly housing to right side HVAC module assembly housing retaining screws (1).
Note: Make sure the air distribution flaps and linkages are not damaged on removal, otherwise incorrect HVAC operation may result.
15. Separate the left side HVAC module assembly housing (1) from the right side HVAC module assembly housing (2).
Note: Use a suitable tool to remove the evaporator temperature sensor (3) from the evaporator (2).
16. Remove the evaporator temperature sensor (3) from the evaporator (2).
Note: Remove the evaporator (2) by sliding it out of the HVAC module assembly (1).
17. Remove the evaporator (2) from the HVAC module assembly (1).
Installation Procedure
Note: DO NOT force the evaporator (2) into the HVAC module assembly (1). Damage to the evaporator temperature sensor (3) can occur.
1. Install the evaporator (2) to the HVAC module assembly (1).
Note: Install the evaporator temperature sensor (3) to the evaporator (2) 22.2 mm (7/8 in) from the side of the evaporator and 50 mm (2 in) from the bottom of the evaporator.
2. Install the evaporator temperature sensor (3) to the evaporator (2).
Note: Make sure the air distribution flaps and linkages are not damaged on removal, otherwise incorrect HVAC operation may result.
3. Install the left side HVAC module assembly housing (1) to the right side HVAC module assembly housing (2).
Caution: Refer to Fastener Caution (Fastener Caution).
4. Install the left side HVAC module assembly housing to right side HVAC module assembly housing retaining screws (1) and tighten to 1 Nm (8 lb in).
5. Install the HVAC module assembly retaining clips (1) to the HVAC module assembly (2).
6. Install NEW O-rings (1) to the evaporator (2). Refer to O-Ring Replacement (O-Ring Replacement).
7. Install the evaporator pipe assembly (5) to the evaporator (3).
8. Install the evaporator pipe assembly to evaporator retaining bolts (4) and tighten to 3.5 Nm (31 lb in)
9. Install the upper retaining plastic cover (1) to the HVAC module assembly (2).
10. Install the TX valve positioning bracket (3) to the HVAC module assembly (1).
11. Install the TX valve positioning bracket to HVAC module assembly retaining screws (2) and tighten to 1 Nm (9 lb in).
Note: Using a commercially available adhesive install the foam seal (1) to the HVAC module assembly (2)
12. Install the foam seal (1) to the HVAC module assembly (2).
13. Install the wiring harness (1) to the HVAC module assembly (2).
14. Install the wiring harness (5) to the HVAC module assembly (4).
15. Connect the main mode actuator electrical connector (1).
16. Connect the air mix actuator electrical connector (2).
17. Connect the rear mode actuator electrical connector (3).
18. Install the HVAC module assembly. Refer to HVAC Module Assembly Replacement (Service and Repair).