Operation CHARM: Car repair manuals for everyone.
Manuals through 2025 now available!

Our trusted friends have launched a new website named LEMON, which has newer manuals. It also contains all the CHARM manuals.

LEMON is the spiritual successor to CHARM, I recommend you try it!

Link: lemon-manuals.la or lemon-manuals.org.ua

(Some people have issue connecting. LEMON is investigating. For now, use Firefox or change your DNS server)

Or, hide this message: temporarily or permanently

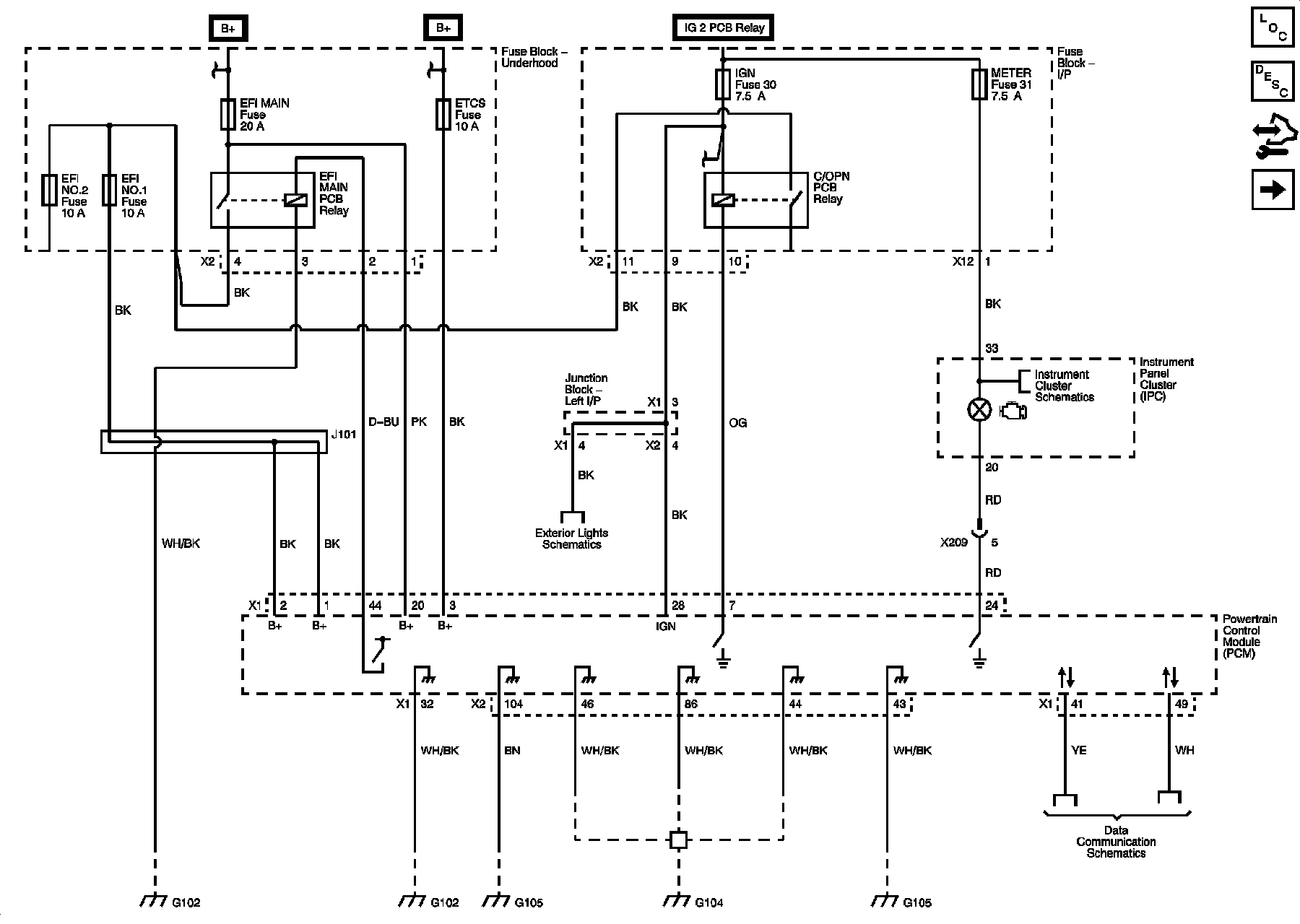
Electrical Diagrams



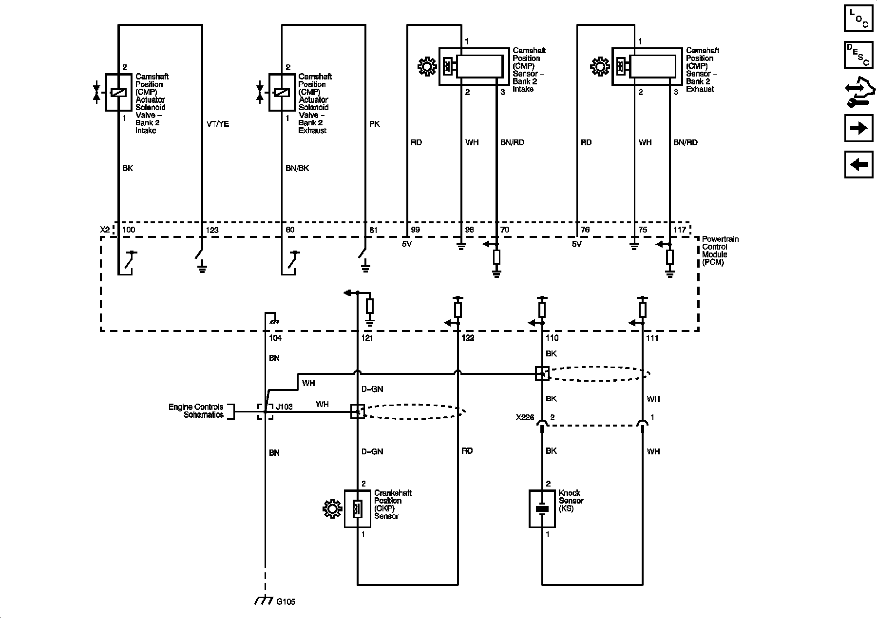
Engine Controls Schematics

Power, Ground, Serial Data and MIL






Engine Data Sensors - MAF and ECT






Engine Data Sensors - Oxygen Sensors






Electronic Throttle Controls






Ignition System






Ignition Controls - Sensors






Fuel Pump and Fuel Injectors






Fuel Controls - EVAP Controls






Controlled/Monitored Subsystem References