Operation CHARM: Car repair manuals for everyone.
Manuals through 2025 now available!

Our trusted friends have launched a new website named LEMON, which has newer manuals. It also contains all the CHARM manuals.

LEMON is the spiritual successor to CHARM, I recommend you try it!

Link: lemon-manuals.la or lemon-manuals.org.ua

(Some people have issue connecting. LEMON is investigating. For now, use Firefox or change your DNS server)

Or, hide this message: temporarily or permanently

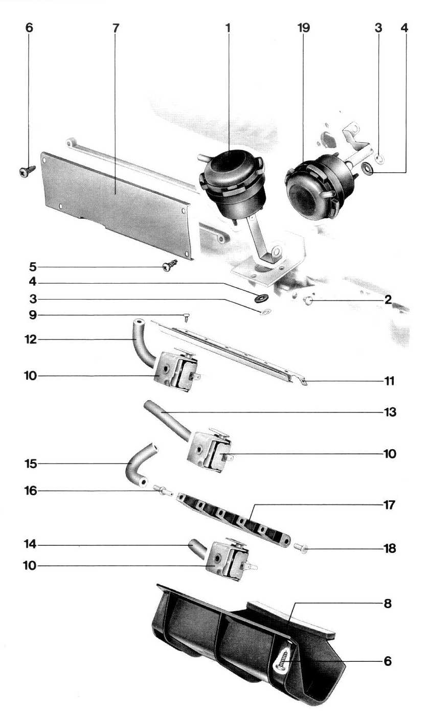
Housing Assembly HVAC



NOTE: Refer to images as a guide for disassembly and assembly.

1 Of 2:





2 Of 2:




HEATER / AIR CONDITIONER EXPLODED VIEW




Component Key
1 through 19




Component Key
20 through 39





Component Key
40 through 57