Operation CHARM: Car repair manuals for everyone.
Manuals through 2025 now available!

Our trusted friends have launched a new website named LEMON, which has newer manuals. It also contains all the CHARM manuals.

LEMON is the spiritual successor to CHARM, I recommend you try it!

Link: lemon-manuals.la or lemon-manuals.org.ua

(Some people have issue connecting. LEMON is investigating. For now, use Firefox or change your DNS server)

Or, hide this message: temporarily or permanently

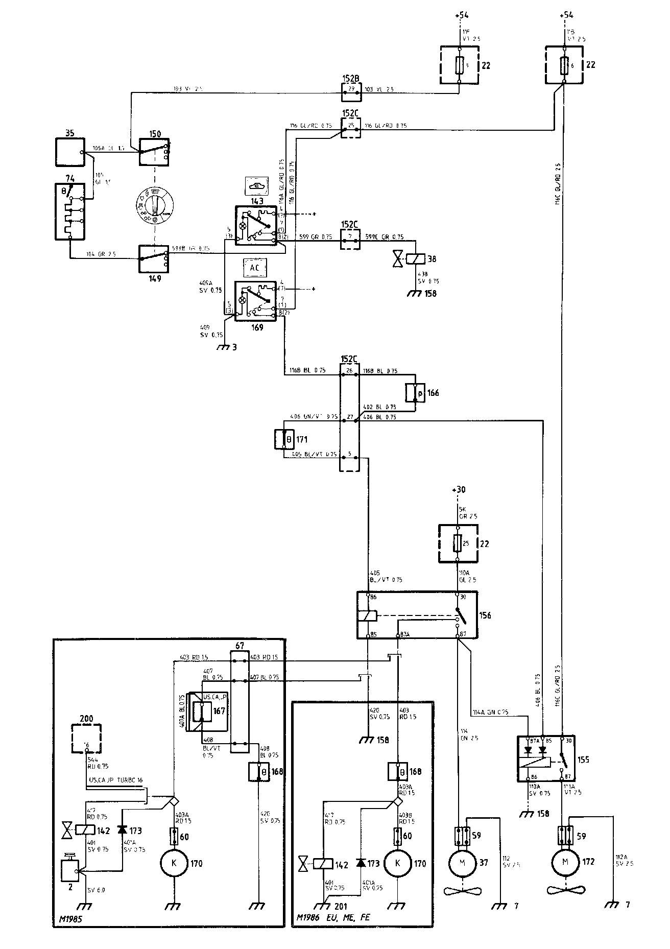
Less Time Delay Relay

Air Conditioner (AC) Components 1985-1986:




Air Conditioner (AC) Diagrams 1985-1986:




Locations of components

2 Alternator
On the left-hand side of the engine

3 Earthing point
In the facia

7 Earthing point
On the radiator cross-member

22 Fuse box
In the electrical distribution box in the engine compartment, on the left-hand wheel housing

35 Selector switch for the ventilation fan
In the centre of the facia

37 Radiator fan motor (ordinary)
On the right-hand side of the radiator package

38 Recirculation valve
In the engine compartment, above the right-hand wheel housing

57/67 3-pole/6-pole connector
In the engine compartment, behind the expansion tank

59 2-pole connector
One adjacent to radiator fan 37
One adjacent to AC radiator fan 172

74 Resistor for ventilation fan
Accessible under the left-hand speaker grille

142 Solenoid valve for raising the idling speed, AC
On the engine, on the by-pass hose of the throttle housing

143 Recirculation switch, AC
In the centre of the facia

149 Main switch for ventilation fan
On the facia, in the air distribution control (upper contact)

150 Air distribution switch, AC position
On the facia, in the air distribution control (lower contact)

152B 29-pole red connector
152C 29-pole black connector
In the electrical distribution box in the engine compartment, on the left-hand wheel housing. The connectors are accessible from the interior of the car.

155 Relay for the AC radiator fan
In the electrical distribution box in the engine compartment, on the left-hand wheel housing

156 Relay for the AC compressor
In the electrical distribution box in the engine compartment, on the left-hand wheel housing

158 Negative distribution terminal
In the electrical distribution box in the engine compartment, on the left-hand wheel housing

166 Pressure switch for the AC radiator fan
In the engine compartment, on the drying agent container, forward of the right-hand wheel housing

167 Throttle switch, AC
On the left-hand side of the engine throttle housing

168 Coolant temperature switch, AC
On the radiator inlet hose, near the distributor

169 Switch, AC
In the centre of the facia

170 Compressor for the AC
At the rear of the engine compartment

171 Anti-freeze thermostat (cycling clutch con tact) for the AC
In the engine compartment, on the right-hand side of the air conditioner housing

172 Radiator fan for the AC
On the left-hand side of the radiator package

173 Diode for the AC compressor
in the cable harness, at the rear of the valve cover

200 Control unit for the fuel injection system
forward of the right-hand front door, below the facia on the left-hand side (behind the trim)

Operation
Some cars are equipped with an Air Conditioner (AC).

NOTE: This section does not cover the 1986 models for markets in which the unit is equipped with a time delay relay, such as the U.S.A. market. For particulars of this unit, see the section entitled Air Conditioner (AC) - 1986 models with time delay relay.

Compressor and radiator fan motor 37
The AC can be switched on and off by means of AC switch 169, which is supplied from fuse 6, via the 29- pole black connector 152C. When the switch is depressed, the lamp built into the button will be sup- plied directly (not via the resistor), so it will light up with full intensity. (The pin numbers in parentheses refer to the 1985 models.)

Compressor 170 and ordinary radiator fan 37 are connected via relay 156, which is supplied from fuse 25. The relay will be energized when the following conditions are satisfied:

Pressure switch 166 is closed, i.e. the refrigerant pressure is at least 2.8 bar.

Anti-freeze thermostat (cycling clutch contact) 171 is closed, i.e. the ambient temperature is at least about +6 °C.

Throttle switch 167 is closed, i.e. the butterfly valve is not open more than 700 (if the jumper is cut).

Temperature switch 168 is closed. (The switch will open if the engine temperature exceeds around +115 °C.)

Diode 173, which is connected in parallel with the compressor, reduces the voltage transients at the instant when the compressor is switched off.

Idling speed compensation
On 1985 models for the U.S.A. market, the supply to control unit 200 for the fuel injection system will be live when the compressor is running. The control unit then regulates the idling speed by means of idling speed adjustment motor 272 of the fuel injection system.

On cars for other markets, idling speed compensation is carried out by solenoid valve 142, which is always open when the compressor and the radiator fan are running.

AC radiator fan 172
Extra radiator fan 172 for the AC is connected via relay 155 and is supplied from fuse 6.

The relay coil is supplied from the contacts of relay 156 and from pressure switch 166. The AC radiator fan thus runs when AC switch 169 is depressed and pressure switch 166 is closed.

Recirculation valve
Recirculation valve 38, which controls the recirculation damper, will be switched on when recirculation switch 143 is depressed. The switch is supplied from fuse 6. When the switch is depressed, the lamp built into the switch will light up with full intensity.

The recirculation valve is also connected across main switch 149 when the air distribution control is in position 0 or <- -> (regardless of the position of switch 143). The supply is taken from fuse 9, via ventilation fan resistor 74.

Fault-tracing hints
As a general rule, the supply to the unit is live when the ignition switch is in the drive position. If none of the components are faulty, check the cable harnesses, connectors and earth connections.

Compressor and radiator fan motor 37
1. Check fuses 6 and 25 and check that the supply to AC switch 169 and relay 156 is live.

2. Press the AC switch. Measure the voltage across pressure switch 166 (the pressure switch should be closed). Note that refrigerant will spray out when the pressure switch is disconnected. Caution: Risk of frostbite.

3. Check cycling clutch contact 171. (It should close at +6 °C.)

4. Check relay 156 and check that switches 167 and 168 in the earth circuit of the relay are closed when the engine is idling and at normal engine temperature, respectively.

5. Check that the supplies to the compressor and the radiator fan are live.

AC radiator fan 172
1. Check fuse 6 and check that the supplies to the AC switch and to relay 155 are live.

2. Press the AC switch. Measure the voltage across pressure switch 166 (the pressure switch should be closed). Note that refrigerant will spray out when the pressure switch is disconnected. Caution: Risk of frostbite.

3. Check that relay 155 is energized and that the the supply to the AC radiator fan is live.

Recirculation
1. Check fuse 6 and check that the supply to recirculation switch 143 is live.

2. Press the switch and check that the recirculation valve is activated.

3. Check fuse 9 and check that the supply to main switch 149 in the air distribution control is live.

4. When the control is in position 0 or <- ->, the recirculation valve should be activated.