Operation CHARM: Car repair manuals for everyone.
Manuals through 2025 now available!

Our trusted friends have launched a new website named LEMON, which has newer manuals. It also contains all the CHARM manuals.

LEMON is the spiritual successor to CHARM, I recommend you try it!

Link: lemon-manuals.la or lemon-manuals.org.ua

(Some people have issue connecting. LEMON is investigating. For now, use Firefox or change your DNS server)

Or, hide this message: temporarily or permanently

Windows: Locations

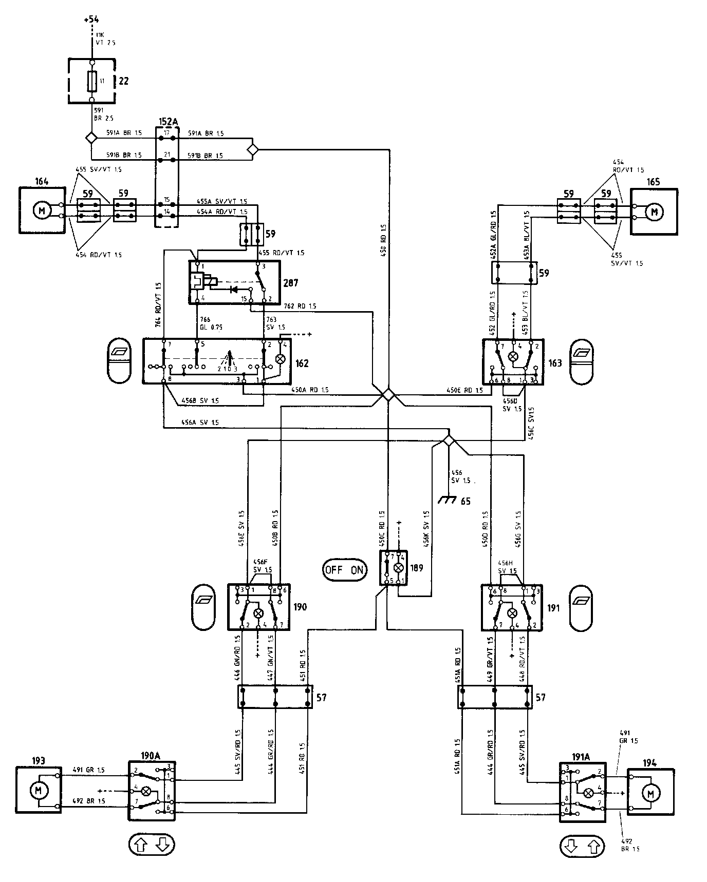
Electric Window Regulators Components 1986:




Electric Window Regulators Diagrams 1986:




Locations of components

22 Fuse box
In the electrical distribution box in the engine compartment, on the left-hand wheel housing

57 3-pole connector
One behind the upholstery, at the corresponding B pillar

59 2-pole connector
One in the engine compartment, at the upper hinge of the left-hand front door, behind the electrical distribution box
One in the left-hand front door
One in the engine compartment, at the upper hinge of the right-hand front door
One in the right-hand front door

65 Earthing point
At the handbrake

152A 29-pole white connector
In the electrical distribution box in the engine compartment, on the left-hand wheel housing. The connector is accessible from the interior of the car

162 Switch for driver's door electric window regulator
Between the front seats, on the centre con- sole

163 Switch for co-driver's door electric window regulator
Between the front seats, on the centre console

164 Motor for left-hand front electric window regulator
In the left-hand front door

165 Motor for right-hand front electric window regulator
In the right-hand front door

189 Switch for the rear-door electric window regulators
Between the front seats, on the centre console

190 Switch for left-hand rear electric window regulator
Between the front seats, on the centre console

190A Switch for left-hand rear electric window regulator
In the left-hand rear door

191 Switch for right-hand rear electric window regulator
Between the front seats, on the centre console

191A Switch for right-hand rear electric window regulator
In the right-hand rear door

193 Motor for left-hand rear electric window regulator
In the left-hand rear door

194 Motor for right-hand rear electric window regulator
In the right-hand rear door

287 Relay for automatic control of window regulators
Under the back seat, on the left-hand side

Operation
All window regulators in the car can be operated by means of switches in the centre console between the front seats. Under certain circumstances, the window regulator in each of the rear doors can also be operated by means of switches in the corresponding door.

The supply is taken from fuse 11, via the 29-pole white connector 152A, to the following switches on the centre console:

Switch 189, for switching in and out the window regulators in the rear doors

Switches 162 (driver's door), 163 (co-driver's door), 190 (left-hand rear door) and 191 (right- hand rear door)

If switch 189 is closed, the rear window regulators can also be operated from switches 190A in the left- hand rear door and 19IA in the right-hand rear door.

If switch 189 is open, the switches in the rear doors will be inoperative. The window regulators in the rear doors can then only be operated by means of the switches on the centre console.

As an example, if switch 190 (for the left-hand rear door) on the centre console is depressed, one of the two pairs of contact (depending on whether the window is to be raised or lowered) will close. Current will then flow to switch 190A in the left-hand rear door, through the switch and to regulator motor 193. It then flows through the second pair of contacts of the switch, back to the switch on the centre console and to earth (65).

For information on the switch lighting, see the section entitled Lighting for switches and controls. Note: The wiring varies for the various markets and model years.

Automatic window regulator controls
Unlike the other switches, driver's door switch 162 has two positions for lowering the window. This switch is also connected to time-delay relay 287.

Position 1: The window travels downwards as long as the switch is kept depressed in this position. A positive voltage is supplied to motor 164 across pin 2 on the switch and across the relay contacts. The motor will stop when the switch is released.

Position 2: The window opens fully even if the switch is released after a brief instant.

The coil of relay 287 is now supplied with a positive voltage across pin 5 of the switch and the relay is energized. The motor is supplied across the closed relay contacts (pin 15). The supply is maintained (for approx. 6 seconds) by the time-delay function of the relay until the window has been lowered fully, even if the switch is released immediately. (The downward travel of the window may be interrupted by setting the switch to position 3, "Raise".)

Position 3: The window will travel upwards as long as the switch is held depressed in this position. The motor is supplied across pin 7 on the switch and the direction of rotation is reversed, causing the window to be raised.

Fault-tracing hints
The electric window regulators will be operative when the ignition switch is in the drive position.

1. Check fuse 11 and check that the supply to it is live.

2. Check that terminal 7 of switch 189 and terminals 3 and 6 of the other switches in the centre console are live. (On 162, terminal 3 only.)

If the window regulators in the rear doors cannot be operated from the corresponding switches in the rear doors, check that current flows from switch 189 to terminals 3 and 6 of these switches as well.

3. Check the switches by measuring at their terminals.

4. Check the connectors, cable harnesses and earth connections.

Automatic window regulator controls
Check the automatic window regulator controls as follows: Set switch 162 to position 2 and check that the supply to pin 4 on the relay is live. Pin 1 should be earthed.

Check that pin 3 and pin 15 on the relay are live.