Operation CHARM: Car repair manuals for everyone.
Manuals through 2025 now available!

Our trusted friends have launched a new website named LEMON, which has newer manuals. It also contains all the CHARM manuals.

LEMON is the spiritual successor to CHARM, I recommend you try it!

Link: lemon-manuals.la or lemon-manuals.org.ua

(Some people have issue connecting. LEMON is investigating. For now, use Firefox or change your DNS server)

Or, hide this message: temporarily or permanently

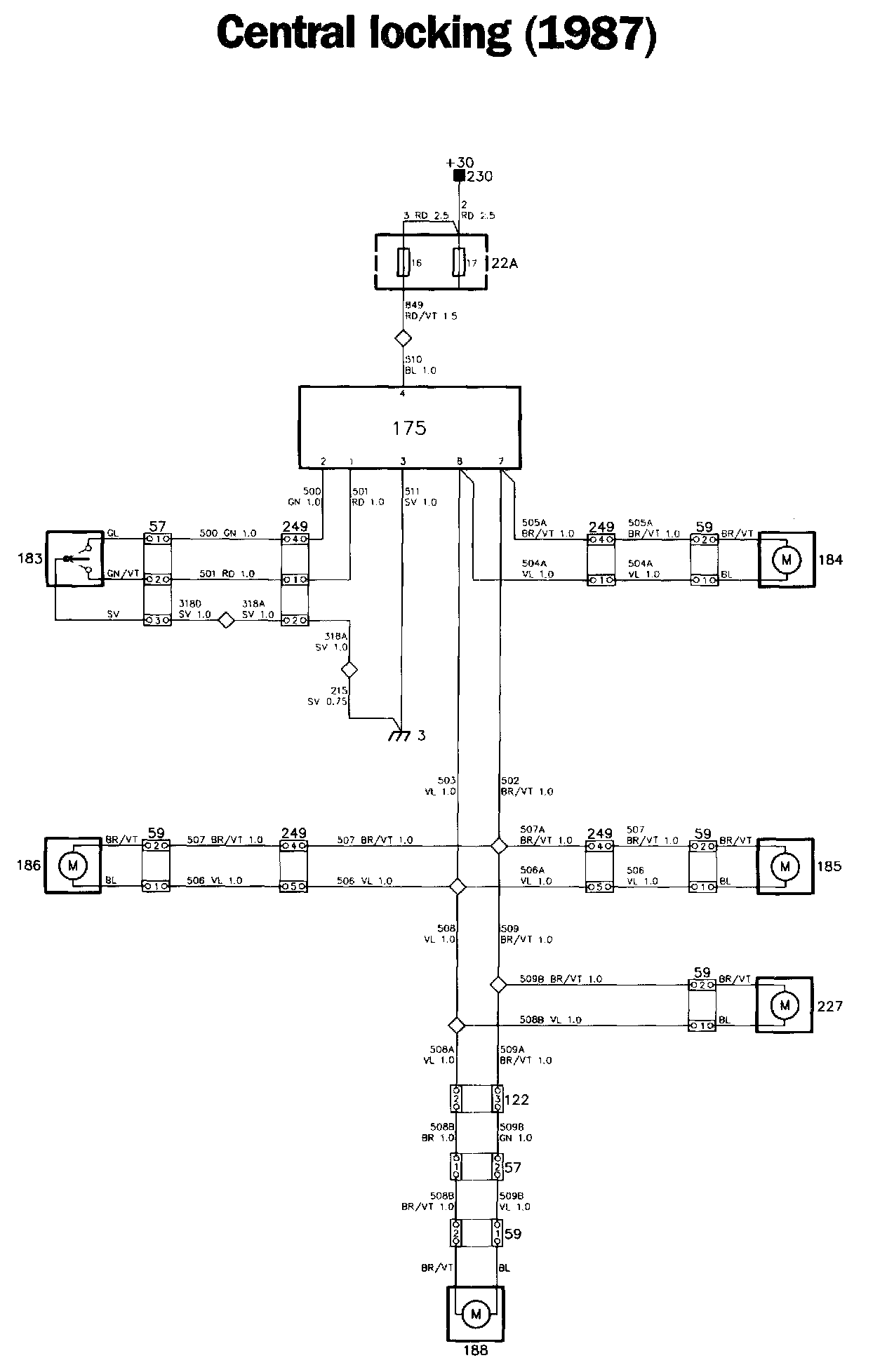
Locks: Locations

Central Locking Components:




Central Locking Diagrams:




Locations of components

3 Earthing point, facia
At the left-hand front speaker socket

22A Fuse board
Behind the access panel in the glove compartment

57 Three-pole connector
In the left-hand front door
In the luggage compartment lid

59 Two-pole connector
In the right-hand front door
In the left-hand rear door
In the right-hand rear door
At the fuel tank lid
In the luggage compartment lid

122 Eight-pole connector
At the left-hand wheel housing

175 Control unit for the central locking system
Under the facia on the left-hand side (behind the knee shield)

183 Locking mechanism for central locking system (left-hand on LH drive cars)
In the left-hand front door

184 Motor for central locking system (right-hand in LH drive cars)
In the right-hand front door

185 Motor for the central locking system, right-hand rear door
In the right-hand rear door

186 Motor for the central locking system, left-hand rear door
In the left-hand rear door

188 Motor for the central locking system, luggage compartment lid
In the luggage compartment lid

227 Motor for the central locking system, fuel tank lid
At the fuel tank lid

231 Distribution terminal +54
In the electrical distribution box behind the glove compartment

249 Seven-pole connector
Inside each A-pillar (1987)
Inside each B-pillar

340 22-pole connector
Inside each A-pillar (1988)

Operation
Using the key in the lock of the driver's side door, the central locking system of the car can be actuated to lock or unlock all doors, the luggage compartment lid and the fuel tank lid.

A continuous supply is obtained from fuse 16 at terminal 4 of control unit 175 of the central locking system.

The control unit is controlled by locking mechanism 183, which is mounted in the driver's door. When the door is locked, terminal 2 of the control unit will be earthed, and power will then be supplied from terminal 7. All actuating motors (which are connected in parallel) will now be energized for approx. 1 second and will lock the doors. The motors are earthed across pin 8.

When the driver's door is unlocked, terminal 1 of the control unit will instead be earthed across the control unit. The actuating motors will now be energized instead from pin 8 and will be earthed across pin 7 of the control unit (for approx. 1 second), thus unlocking the doors.

Note that the actuating motor in the luggage compartment lid has reversed cable connections as compared to the other actuating motors.

Fault-tracing hints

1. Check fuse 16 and check that the supply to it is live.
2. Check that terminal 4 of control unit 175 is live.
3. Check that pin 8 of the control unit is live when the doors are being unlocked and that pin 7 is live when the doors are being locked.

Note that terminals 7 and 8 are only energized for approx. 1 second in conjunction with locking and unlocking. Measurement at these terminals must therefore be carried out just as control unit 183 switches over.

NOTE:
On testing, the actuating motors may only be connected to terminals 7 and 8 of control unit 175, and not to any other power supply sources. The motors may otherwise be overloaded and damaged.