Operation CHARM: Car repair manuals for everyone.
Manuals through 2025 now available!

Our trusted friends have launched a new website named LEMON, which has newer manuals. It also contains all the CHARM manuals.

LEMON is the spiritual successor to CHARM, I recommend you try it!

Link: lemon-manuals.la or lemon-manuals.org.ua

(Some people have issue connecting. LEMON is investigating. For now, use Firefox or change your DNS server)

Or, hide this message: temporarily or permanently

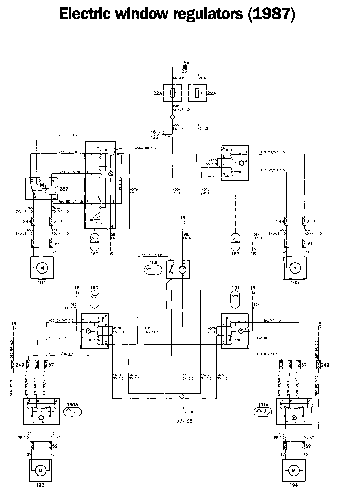
Windows: Locations

Window Regulator Components:




Window Regulator Diagrams:




Locations of components

16 Instrument lighting rheostat
On the left-hand side of the facia

22A Fuse board
Behind the access panel in the glove compartment

57 Three-pole connector
One in each B-pillar

59 Two-pole connector
One in each door

65 Earthing point
Under the back seat

122 Eight-pole connector
One at the left-hand front seat member
One under the centre console, between the front seats

162 Switch for the left-hand front electric window regulator
On the centre console between the front seats

163 Switch for the right-hand front electric window regulator
On the centre console between the front seats

164 Motor for the electric window regulator, left-hand front door
In the left-hand front door

165 Motor for the electric window regulator, right-hand front door
In the right-hand front door

181 Switch for the electrically operated sunroof
In the centre console between the front seats

189 Interlock switch for the rear-door electric window regulators
On the centre console between the front seats

190 Switch for the left-hand rear electric window regulator
On the centre console between the front seats

190A Switch for the left-hand rear electric window regulator
In the left-hand rear door

191 Switch for the right-hand rear electric window regulator
On the centre console between the front seats

191A Switch for the right-hand rear electric window regulator
In the right-hand rear door

193 Motor for the electric window regulator, left-hand rear door
In the left-hand rear door

194 Motor for the electric window regulator, right-hand rear door
In the right-hand rear door

231 Distribution terminal +54
In the electrical distribution box behind the glove compartment

249 Seven-pole connector
Inside the cable entry to each door pillar;
Two in each A-pillar (1987)
One in each B-pillar

287 Relay, automatic window regulator controls
Under the left-hand front seat

340 22-pole connector (1988)
One in each A-pillar

Operation
All window regulators in the car can be operated by means of switches in the centre console between the front seats. Under certain circumstances, the window regulator in each of the rear doors can also be operated by means of switches in the corresponding door.

The supply is taken from fuse 11 to switches 163 (right-hand front door) and 162 (left-hand front door). From fuse 9 the supply is taken to the following switches on the centre console:

To interlock switch 189, for switching in and out the window regulators in the rear doors.

and on to switches 190 (for left-hand rear door) and 191 (for right-hand rear door).

If interlock switch 189 is closed, the rear window regulators can also be operated from switches 190A in the left-hand rear door and 191A in the right-hand rear door.

If interlock switch 189 is open, the switches in the rear doors will be inoperative. The window regulators in the rear doors can then only be operated by means of the switches in the centre console.

Pressing the symbol in switch 162, 163, 190 or 191 lowers the corresponding window. Pressing the unmarked part of the switch raises the window.

As an example, if switch 190 (for the left-hand rear door) on the centre console is depressed, one of the two pairs of contacts (depending on whether the window is to be raised or lowered) will close. Current will then flow to switch 190A in the left-hand rear door, through the switch and to regulator motor 193. It then flows through the second pair of contacts of the switch, back to the switch on the centre console and to earth.

Automatic window regulator controls
Unlike the other switches, driver's door switch 162 has two positions for lowering the window. This switch is also connected to time-delay relay 287.

Position 1: The window travels downwards as long as the switch is kept depressed in this position.

A positive voltage is supplied to motor 164 across pin 2 on the switch and the relay contacts. The motor will stop when the switch is released.

Position 2: The window opens fully, even if the switch is released after a brief instant.

The coil of relay 287 is now supplied with a positive voltage across pin 5 on the switch and the relay is energized the motor is supplied across the closed relay contacts (pin 15 of the relay). The supply is maintained (for approx. 6 seconds) by the time-delay function of the relay until the window has been lowered fully, even if the switch is released immediately. (The downward travel of the window may be interrupted by setting the switch to position 3, "Raise".)

Position 3: The window will travel upwards as long as the switch is held depressed in this position.

The motor is supplied with voltage across pin 7 on the switch and the direction of rotation is reversed, causing the window to be raised.

Fault-tracing hints
The electric window regulators will be operative when the ignition switch is in the drive position.

1. Check fuses 9 and 11 and check that the supply to them is live.
2. Check that terminal 3 of switches 162 and 163 is live.
3. Check that terminal 5 of interlock switch 189 and terminals 3 and 6 of the other switches in the centre console are live.

If the rear window regulators cannot be operated from the corresponding switches in the rear doors, check that terminals 3 and 6 of these switches are also being supplied from interlock switch 189.

4. Check the operation of the switches by measuring at their terminals.
5. Check the connectors, wiring and earth connections.

Automatic window regulator controls
Check the automatic window regulator controls as follows: Set switch 162 to position 2 and check that the supply to pin 4 on the relay is live. Pin 1 of switch 162 should be earthed. Check that the supply to pins 15 and 3 on the relay is live.