Operation CHARM: Car repair manuals for everyone.
Manuals through 2025 now available!

Our trusted friends have launched a new website named LEMON, which has newer manuals. It also contains all the CHARM manuals.

LEMON is the spiritual successor to CHARM, I recommend you try it!

Link: lemon-manuals.la or lemon-manuals.org.ua

(Some people have issue connecting. LEMON is investigating. For now, use Firefox or change your DNS server)

Or, hide this message: temporarily or permanently

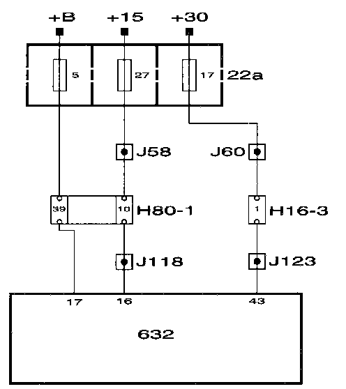
Control Module Power Supply











Control Module Power Supply

Power supply +30 circuit
From fuse 17 (22a) to the control module pin 43.

Power supply +15 circuit
From fuse 27 (22a) to the control module pin 16.

Power supply +B circuit
From fuse 5 (22a) to the control module pin 17.