Operation CHARM: Car repair manuals for everyone.
Manuals through 2025 now available!

Our trusted friends have launched a new website named LEMON, which has newer manuals. It also contains all the CHARM manuals.

LEMON is the spiritual successor to CHARM, I recommend you try it!

Link: lemon-manuals.la or lemon-manuals.org.ua

(Some people have issue connecting. LEMON is investigating. For now, use Firefox or change your DNS server)

Or, hide this message: temporarily or permanently

PSM Control Module











PSM Control Module

The PSM control module is located on a console under the driver's seat and has three connectors:
K1, K2 and K3.

The motor with Hall sensor and switch is powered from the control module.

The control module controls the following functions:
^ memory settings for driver's seat position
^ movement of driver's seat to memorized position
^ communication with diagnostic tool (Tech 2)
^ communication with I-bus

The driver's seat is adjusted and the settings stored when the ignition is ON (+15 and +54) or when one of the front doors is open. The information on +54 is received by PSM via the bus from DICE, and the information on front door open/closed from TWICE. When the ignition is ON (+15 or +54), the seat can be adjusted.

When the ignition is OFF and one of the front doors is open, the seat can be adjusted for 20 minutes. If the door is closed and then opened again, a further period of 20 minutes begins.

The seat can also be adjusted for 30 seconds after a door has been closed and the ignition is OFF.

When the motors are running, the control module monitors the power consumption of each motor and counts the pulses from the Hall sensors between the different seat movements. The Hall sensors are mounted in the motor concerned and are connected across pins 3 and 4. The memory settings are stored in a non-volatile memory and are retained even when the power to the control module is turned off.

Diagnostics
The control module monitors its internal functions and the components in the PSM system.

On an internal control module fault, diagnostic trouble code B1605 is generated and the seat cannot be adjusted using the switch or memory settings.









Power supply
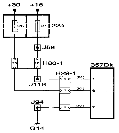
+30
Power (+30 circuit) is supplied via fuse 25 to control module pin 6.

+15
Power (+15 circuit) is supplied via fuse 27 to control module pin 1.

Grounding
The control module is grounded via pins 3 and 7.

Diagnostics
If the +30 power supply to the control module is missing, the seat cannot be adjusted in any way. If the +15 power supply to the control module is missing, the seat can be adjusted if one of the front doors is open.

No diagnostic communication is possible if the power supply is missing.