Operation CHARM: Car repair manuals for everyone.
Manuals through 2025 now available!

Our trusted friends have launched a new website named LEMON, which has newer manuals. It also contains all the CHARM manuals.

LEMON is the spiritual successor to CHARM, I recommend you try it!

Link: lemon-manuals.la or lemon-manuals.org.ua

(Some people have issue connecting. LEMON is investigating. For now, use Firefox or change your DNS server)

Or, hide this message: temporarily or permanently

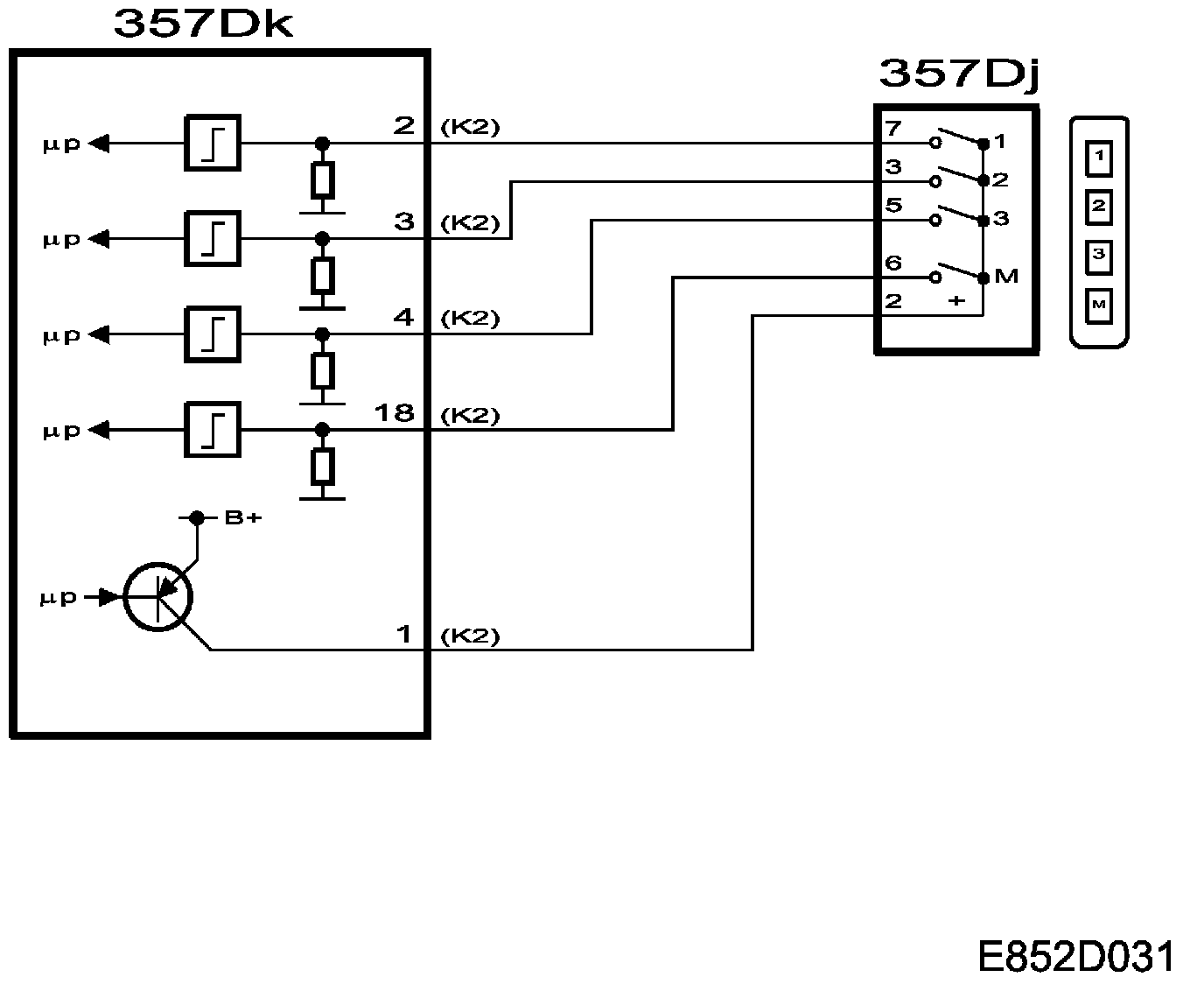
Memory Positioning Switch: Description and Operation



Memory Buttons










The switch for the memory and store function comprises four buttons. Three buttons, "1", "2", "3" and the store button, "M".

The memory and memory store buttons are common to both systems; PSM and PMM respectively. The PMM system stores the memory setting for the door mirrors.

Storing

The seat position is programmed/stored as follows:
1. Set the seat to the required position using the adjustment switch.
2. Program the settings by simultaneously pressing the "M" button and one of the memory buttons 1, 2 or 3.
3. When the settings have been stored, SID gives an acoustic signal.

When memorizing, the control module reads all the Hall sensors and stores their values in an internal seat memory.

The seat memory is non-volatile and retains the information stored in it even if the power supply to the control module is cut.

Memory Retrieval

To activate the memory function, hold down the required memory button until the seat has assumed the stored memory settings.

The control module reads all the Hall sensors and control motors until the seat has assumed a position that corresponds with the stored setting or until the memory button is released. If the seat has not assumed the position in question within 1 minute, the control module cuts the power supply to the motors.

If the control module detects a fault on any Hall sensors, the motor concerned is stopped.

Diagnostics

As long as the memory buttons are not malfunctioning, the position of the memory buttons can be read with the diagnostic tool. No diagnostic trouble codes are set.