Operation CHARM: Car repair manuals for everyone.
Manuals through 2025 now available!

Our trusted friends have launched a new website named LEMON, which has newer manuals. It also contains all the CHARM manuals.

LEMON is the spiritual successor to CHARM, I recommend you try it!

Link: lemon-manuals.la or lemon-manuals.org.ua

(Some people have issue connecting. LEMON is investigating. For now, use Firefox or change your DNS server)

Or, hide this message: temporarily or permanently

Control Module Inputs, Outputs, Bus and Power Supply



Control module inputs





- Power supply +30.
- Power supply +15.
- Mass air flow sensor (205).
- Manifold absolute pressure sensor (431).
- Charge air absolute pressure sensor (603).
- Differential pressure sensor, tank (585).
- Intake air temperature sensor (407).
- Engine coolant temperature sensor (202).
- Speed, lead from ABS (547).
- Pedal position sensor.
- Switch, cruise control.
- Pedal switches.
- Throttle position sensor.
- Oxygen sensor 1 (592Fa).
- Oxygen sensor 2 (592Ra)
- Ignition discharge module (346),.

Control module bus inputs





- Maximum permissible torque, bus from TCM (502)
- Sport position selected, bus from TCM (502)
- Selector lever position, automatic transmission, bus from TCM (502)
- Vehicle speed, rear left wheel, bus from MIU (540)
- Reverse gear selected, manual gearbox, bus from DICE (628)
- A/C request, bus from DICE (628)
- A/C pressure, high-pressure side, bus from DICE (628)
- Current consumption, bus from DICE (628)
- Brake lights, bus from TWICE (632)
- Fuel level, bus from MIU (540)
- CHECK ENGINE Request, bus from TCM (502)
- Immobilizer, bus from TWICE (632)
- Ignition +50, bus from DICE (628)
- Diagnostics, bus from DICE (628)/ diagnostic tool
- Vehicle speed, right front wheel, bus from TC/ABS (only for TC/ABS)
- Vehicle speed, output engine speed, bus from TCM (only for automatic transmission)
More detailed information on control module bus inputs can be found in the section Bus Communication.

Control module outputs





- Sensor ground, reference ground.
- 5V supply to sensor.
- Main relay and fuel pump relay.
- A/C relay (156).
- Throttle motor.
- Relay, limp-home solenoid (640).
- Charge air control valve (179a).
- Bypass control valve (605).
- EVAP canister purge valve (321).
- EVAP canister close valve (588).
- Injectors (206).
- Ignition discharge module (346).

Control module bus outputs





- Engine torque, used by TCM (502)
- Accelerator pedal position, used by TCM (502)
- Kickdown, used by TCM (502)
- Engine speed, used by TCM (502), ACC (216) and MIU (540)
- Engine coolant temperature, used by ACC (216), MIU (540) and DICE (628)
- Engine running, used by ACC (216)
- Turbo-gauge reading, used by MIU (540)
- CHECK ENGINE, used by MIU (540)
- SHIFT UP, used by MIU (540)
- CRUISE lamp, used by MIU (540)
- Fuel consumed since start, used by MIU (540)
- Diagnostics, used by DICE (628)/diagnostic tool
- Pedal position, used by TC/ABS (382)
- Engine torque, used by TC/ABS (382)
- Engine speed, used by TC/ABS (382)

Control module





Saab Trionic T7 control principally:
- engine torque
- fuel injection
- ignition.

The Trionic T7 control module has a 70-pin connector and is located in the engine bay in front of the windscreen on the passenger side.
It has two processors. A number of sensors supply information to the control module, which processes it with the help of matrices stored in the control module after optimization of engine functions. Examples of these important matrices are the ignition timing matrices, fuel matrices and air mass matrices.
The control module can be damaged by electrostatic discharges or short circuits in any of the outputs. Great care must therefore be observed when handling the control module, such as when carrying out fault diagnosis with BOB.

The control module is continuously supplied with +30 and will lose adapted values and stored diagnostic trouble codes if this current disappears.
The control module is adapted for a voltage of between 8-16V when being driven.
When the ignition is switched on, the control module will be activated and the CHECK ENGINE lamp will go on continuously as a function check. The fuel pump is activated for 1 second so that fuel pressure will build up, after which the control module will await pulses from the crankshaft position sensor.
Fuel injection is controlled principally by the mass air flow sensor.
Substitute functions are available for all the sensors except the crankshaft position sensor. An absolute pressure sensor for atmospheric pressure is integrated in the control module. Atmospheric pressure is used to:





- Correct the PWM ratio of the charge air control valve. At low atmospheric pressure, a greater PWM ratio is required to obtain the same air mass/combustion.
- Correct the purge PWM ratio. At low atmospheric pressure, a greater PWM ratio is required to obtain the same purge flow.
- Protect the turbo from overrevving at low atmospheric pressure by limiting the max. permissible air mass per combustion.
- Blocking of OBD II diagnosis:
- Block the OBD II diagnostics at pressures lower than 72 kPa.
- Reactivate the OBD II diagnosis at higher atmospheric pressures than 78 kPa.

Once the ignition has been turned off, all the sensors supplied with 5V are activated for 15 minutes. After 15 minutes, only the memory is active. Adapted values are stored in the memory.
Adaptation is important to performance, driveablity, fuel consumption and emissions. The control module must therefore not be disconnected or in any other way be de-energized unnecessarily.

Diagnostics
- If the control module program memory ROM or working memory RAM is defective, diagnostic trouble code P0605 will be generated.
- If any internal function that affects throttle control is faulty, trouble codes P1601-P1611, P1613-P1614 or P1621 will be generated.
- If the atmosphere pressure sensor is defective, diagnostic trouble codes P1631 -P1633 will be generated. The starting value for charge air pressure will be used as a substitute value and purging will be blocked.

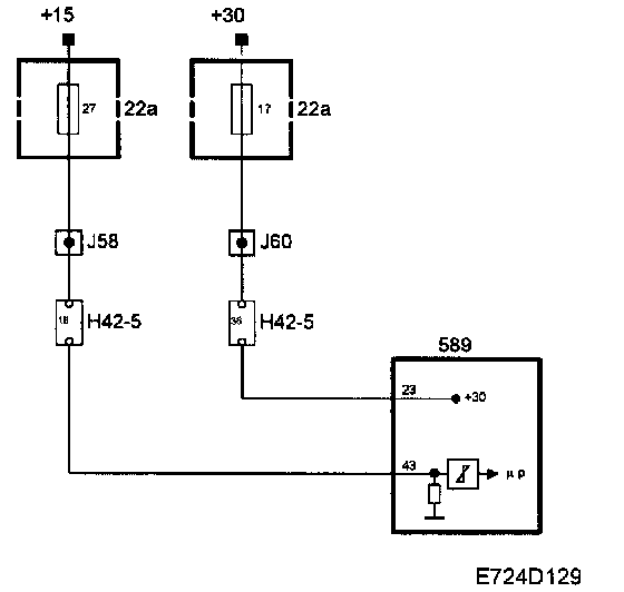
Control module power supply





+30
The main relay, fuel pump relay and fuse 17 are supplied with +30 from maxi fuse 2. Control module pin 23 is supplied from fuse 17.
The control module uses +30 for its memory.

+15
Control module pin 43 is supplied with +15 from fuse 27. When +15 is applied to pin 43, the control module will be activated.

Diagnostics





If +30 or +15 is missing, the engine will not start and the system cannot be contacted using the diagnostic tool.

Main relay





When the ignition is in position ON, the main relay will operate. Control module pin 1 is supplied from main relay pin 87 via fuse 14. This connection is used internally to feed the throttle motor.

Diagnostics





- If the supply from the main relay to the control module is missing, diagnostic trouble code P1640 will be generated, the throttle will close and the engine will stop.