Operation CHARM: Car repair manuals for everyone.
Manuals through 2025 now available!

Our trusted friends have launched a new website named LEMON, which has newer manuals. It also contains all the CHARM manuals.

LEMON is the spiritual successor to CHARM, I recommend you try it!

Link: lemon-manuals.la or lemon-manuals.org.ua

(Some people have issue connecting. LEMON is investigating. For now, use Firefox or change your DNS server)

Or, hide this message: temporarily or permanently

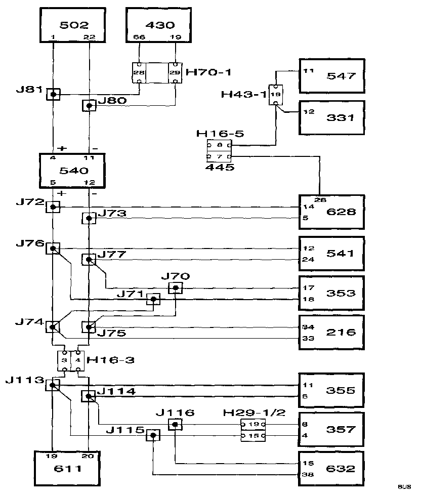
Bus Communication







Bus Communication

- Control module, Trionic T7 (430)
- TCM control module (502)
- MIU control module (540)
- DICE control module (628)
- Data link connector (445)
- SID control module (541)
- Audio control module (353)
- ACC control module (216)
- CD changer control module (355)
- PSM control module (357)
- TWICE control module (632)
- PMM control module (611)
- ABS control module (547)
- Airbag control module (331)





P Bus And I Bus

In the Saab 9-5, all the car's control modules are connected to buses with the exception of the ABS and SRS control modules.

The buses are divided into the Powertrain bus (P bus) and the Instrument bus (I bus). Both buses are connected to the main instrument unit (MIU). The buses are electrically isolated from each other.

The P bus has a data transfer rate 10 times higher than that of the I bus.

All information sent out by a control module is available to all other control modules connected to the bus. The MIU ensures that the information which is available on one bus is also available on the other. The control module sends out information on the bus at regular intervals. The time between two transmissions depends on which information is being transmitted and varies between 10 milliseconds (0.010 seconds) and one second. Information is also sent out by the control module whenever the information changes.

Information transfer between control modules takes place via two leads, BUS+ (green led) and BUS(white lead). On the P bus, the two leads are twisted to reduce sensitivity to electrical interference.

Diagnostics
In a bus system, all units must be able to communicate with each other. For example, the engine cannot be started unless the Trionic T7 can receive the immobilization information sent out by TWICE.

Permanent bus faults
All communication between the diagnostic tool and systems connected to the bus takes place through DICE. Irrespective of which system is contacted, the diagnostic tool first checks by means of DICE that all on-board systems connected to the bus are turned on and in communication. If any control module connected to the bus is missing, the diagnostic tool will show this. This means that all control modules connected to the bus can communicate properly unless the diagnostic tool warns otherwise.

Missing control module DTC
TCM P1923
MIU P1908
TWICE P1902
DICE P1901

Intermittent bus faults
The Trionic and TCM control modules continuously check that all control modules from which they receive information are in proper communication. Intermittent bus communication faults will cause diagnostic trouble codes to be generated in the Trionic T7 and TCM control modules. The cause of the fault may be that the supply of current to the control module concerned has failed or that one of the bus leads is broken or disconnected.

Incorrect values on the bus
A diagnostic trouble code will be generated in the Trionic T7 and TCM control modules if any information they obtain from the bus has an incorrect value. The diagnostic trouble code text indicates the system where the fault is located.
For M98, no such diagnostic trouble codes are implemented in the Trionic T7.





Information Used by the Trionic T7 Control Module






Information Sent Out by the Trionic T7 Control Module