Operation CHARM: Car repair manuals for everyone.
Manuals through 2025 now available!

Our trusted friends have launched a new website named LEMON, which has newer manuals. It also contains all the CHARM manuals.

LEMON is the spiritual successor to CHARM, I recommend you try it!

Link: lemon-manuals.la or lemon-manuals.org.ua

(Some people have issue connecting. LEMON is investigating. For now, use Firefox or change your DNS server)

Or, hide this message: temporarily or permanently

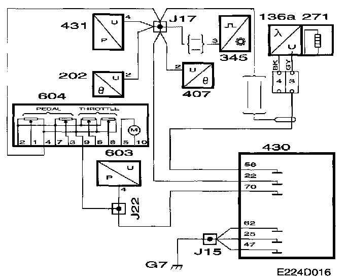
Control Module Ground







Ground

Power ground
Grounding point G7 is used to ground the following:
- control module pins 25 47 and 62
- the mass air flow sensor
- the ignition discharge module.





Sensor Ground

The following sensors are grounded via pin 22 of the control module:
- The crankshaft position sensor and its screening
- The manifold absolute pressure sensor
- The intake air temperature sensor
- The coolant temperature sensor
- The oxygen sensor's screening
- The pedal position sensors
- The throttle position sensors

The following sensors are grounded via pin 70 of the control module:
- The charge air absolute pressure sensor
- The pedal position sensors
- The throttle position sensors

NOTE: Control module pins 22 and 70 are linked together in the throttle body.

Reference ground
The oxygen sensor is grounded via control module pin 58.

Diagnostics
- If no power ground is present, the engine will not start and the system cannot be contacted by the diagnostic tool.
- If no sensor ground is present, the engine will not start and the functions supplied with current will generate diagnostic trouble codes.
- If no reference ground is present, diagnostic trouble code P0134 will be generated.