Operation CHARM: Car repair manuals for everyone.
Manuals through 2025 now available!

Our trusted friends have launched a new website named LEMON, which has newer manuals. It also contains all the CHARM manuals.

LEMON is the spiritual successor to CHARM, I recommend you try it!

Link: lemon-manuals.la or lemon-manuals.org.ua

(Some people have issue connecting. LEMON is investigating. For now, use Firefox or change your DNS server)

Or, hide this message: temporarily or permanently

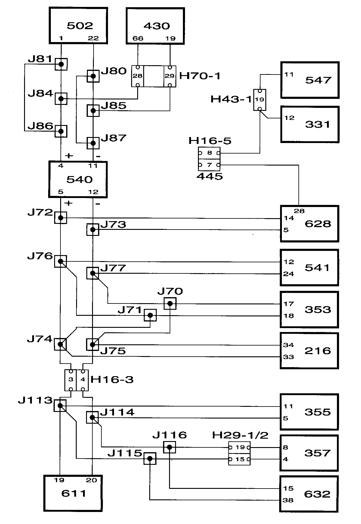
System Function








System Overview, Function





Brief Description

A bus is understood to be the leads over which information is sent digitally and serially. Digital means that the voltage difference between the leads has only two values, roughly 0 V and 5 V. The information is coded so that different combinations of 0 V and 5 V pulses have different meanings.

Serial means that the information is sent in "packets" which are transmitted one after the other in rapid succession.

In the Saab 9-5, all the car's control modules are connected to buses with the exception of the ABS and SRS control modules.

The buses consist of a P bus (Powertrain Bus) and an I bus (Instrument Bus). Both buses are connected to the MIU (Main Instrument Unit). The buses are electrically isolated from each other.

The diagnostic tool is not connected direct to the bus but communicates via the DICE, one of the control modules connected to the I bus, and so has access to all control modules connected to the bus.

The data transfer rate of the P bus is ten times faster than that of the I bus. The reason for this is that the powertrain systems need information with the least possible delay, as for example when providing air mass compensation when the selector lever is moved from N to D or torque limitation in connection with gear changing.

All information sent out on a bus by a control module is available to all other control modules connected to the bus. The MIU ensures that the information which is available on one bus is also available on the other.

The control modules send out information on the bus at regular intervals. The time between two transmissions depends on the information being sent and varies between 10 milliseconds (0.010 seconds) and 1 second. Information is also sent out by the control modules whenever the information changes.

Information interchange between control modules takes place on two leads, bus+ (green lead) and bus- (white lead). The two P-bus leads are twisted to increase their resistance to electrical interference.