Operation CHARM: Car repair manuals for everyone.
Manuals through 2025 now available!

Our trusted friends have launched a new website named LEMON, which has newer manuals. It also contains all the CHARM manuals.

LEMON is the spiritual successor to CHARM, I recommend you try it!

Link: lemon-manuals.la or lemon-manuals.org.ua

(Some people have issue connecting. LEMON is investigating. For now, use Firefox or change your DNS server)

Or, hide this message: temporarily or permanently

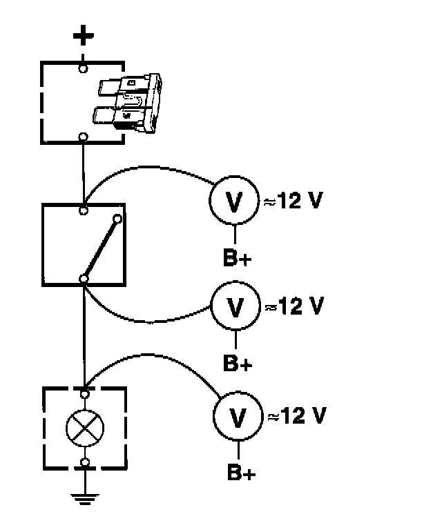
Checking the Power Supply For Shorting











1 Disconnect the fuse from the system to be checked.
2 Connect one of the voltmeter leads to B+.
3 Connect the other voltmeter lead to the point in the circuit to be checked.

Take a reading on the load side of the wiring harness or component and work outwards towards the circuit's grounding point

4 If the voltmeter shows a reading, it indicates that voltage is present at the point concerned.