Main Relay (Computer/Fuel System): Description and Operation
Main Relay
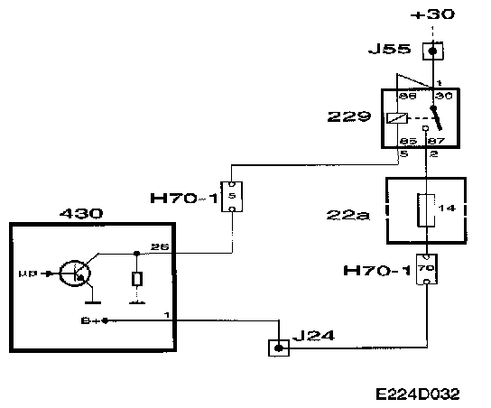
The main relay is located in the relay holder under the dashboard near the steering wheel.
When the ignition switch is turned to "ON," current (+15 circuit) is supplied to control module pin 43. The control module then grounds pin 26 and the main relay operates. The control module also receives current on pin 1 from relay pin 87. The control module power supply is used internally to supply current to the throttle motor.
When the ignition switch is turned to "OFF," the main relay remains operated for a further 10 seconds to allow adaptation of the throttle valve's fully closed position.
Diagnostics
- Diagnostic trouble code P1652 will be generated in the event of a break or short-circuit to ground.
- Diagnostic trouble code P1653 will be generated in the event of a short-circuit to B+.
- If the supply of current to control module pin I fails, trouble code P1640 will be generated. As a result, the throttle closes and the engine stops.
NOTE: In the Trionic T7, the main relay is always operated when the ignition is on. A reading of the voltage from the main relay can be obtained with the diagnostic tool.