Operation CHARM: Car repair manuals for everyone.
Manuals through 2025 now available!

Our trusted friends have launched a new website named LEMON, which has newer manuals. It also contains all the CHARM manuals.

LEMON is the spiritual successor to CHARM, I recommend you try it!

Link: lemon-manuals.la or lemon-manuals.org.ua

(Some people have issue connecting. LEMON is investigating. For now, use Firefox or change your DNS server)

Or, hide this message: temporarily or permanently

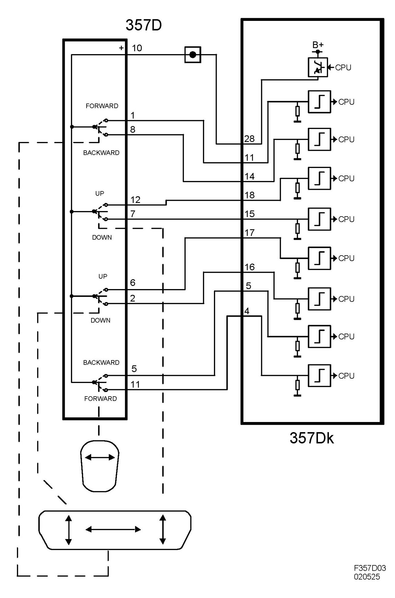
Memory Seat Cannot Be Operated Manually



Memory Seat Cannot Be Operated Manually






Fault symptom

The seat cannot be adjusted in one or more directions.

Conditions

No trouble codes stored in DSM.

Ignition ON

Diagnostic help

The switch positions can be read with the diagnostic tool.