Operation CHARM: Car repair manuals for everyone.
Manuals through 2025 now available!

Our trusted friends have launched a new website named LEMON, which has newer manuals. It also contains all the CHARM manuals.

LEMON is the spiritual successor to CHARM, I recommend you try it!

Link: lemon-manuals.la or lemon-manuals.org.ua

(Some people have issue connecting. LEMON is investigating. For now, use Firefox or change your DNS server)

Or, hide this message: temporarily or permanently

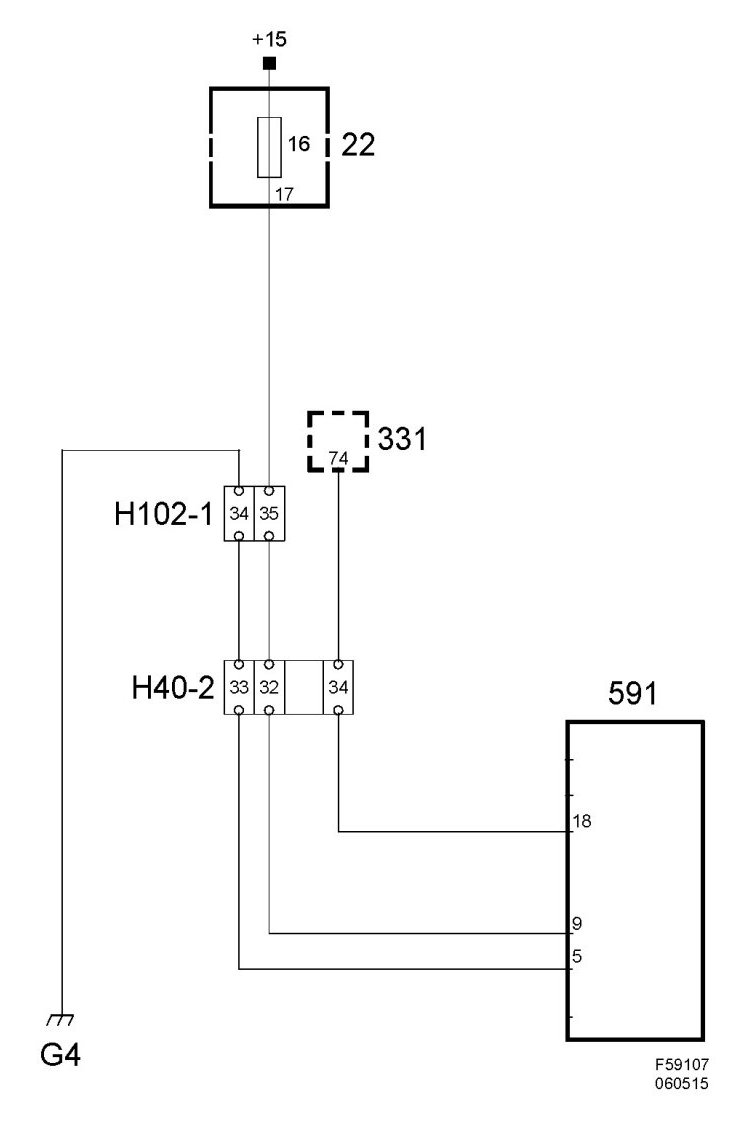
Control Module, PPS (591)



Control Module, PPS (591)

Location

Control module, PPS (591)






Main task

The control module governs the indicator lamps, passenger airbag/side airbag ON/OFF, and monitors all the component parts in the system. The values are filtered through a calculation algorithm in the control module that takes into account pressure, tension and temperature and the weight can be calculated.

Type

The control module contains a microprocessor, ROM and EEPROM. The control module sends information via a serial communication cable to ACM (331).

Connect

Power supply, ground and bus communication






Wiring diagram, power supply