Operation CHARM: Car repair manuals for everyone.
Manuals through 2025 now available!

Our trusted friends have launched a new website named LEMON, which has newer manuals. It also contains all the CHARM manuals.

LEMON is the spiritual successor to CHARM, I recommend you try it!

Link: lemon-manuals.la or lemon-manuals.org.ua

(Some people have issue connecting. LEMON is investigating. For now, use Firefox or change your DNS server)

Or, hide this message: temporarily or permanently

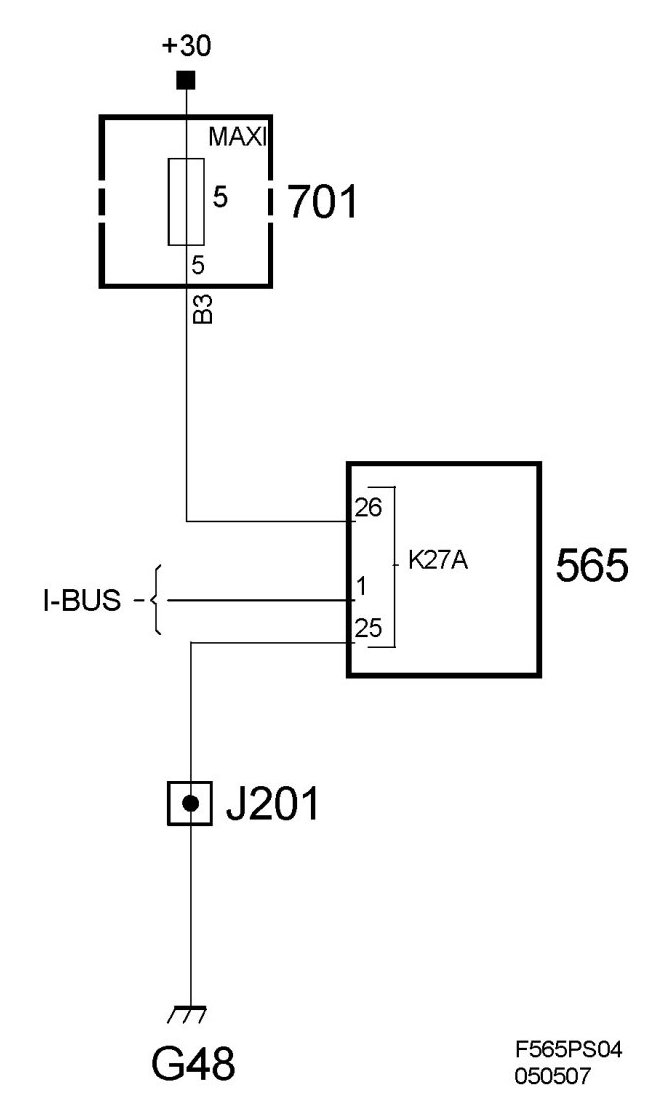
Convertible Top Control Module



Control Module, STC (565)

Location

Control module, STC (565)

Main task






The driver requests the opening or closing of the soft top with the switch or the remote control. The STC control module operates the soft top hydraulically using information from a number of position sensors integrated in the mechanism's cylinders.

Type

The control module has a microprocessor. Refer to Control module, General description (link). The module is SPS programmable.






A. Connector K27A, vehicle
B. Connector K27B, soft top

Connect









Diagram