Operation CHARM: Car repair manuals for everyone.
Manuals through 2025 now available!

Our trusted friends have launched a new website named LEMON, which has newer manuals. It also contains all the CHARM manuals.

LEMON is the spiritual successor to CHARM, I recommend you try it!

Link: lemon-manuals.la or lemon-manuals.org.ua

(Some people have issue connecting. LEMON is investigating. For now, use Firefox or change your DNS server)

Or, hide this message: temporarily or permanently

TCM

TCM, FA 57 (502a)

Location

TCM, FA 57 (502a)





Main use

Controlling shifting points, system pressure and engagement of lock up.

Type

Microprocessor controlled IO device, working memory and one programmable EEPROM read memory.

Power supply, ground and bus communication

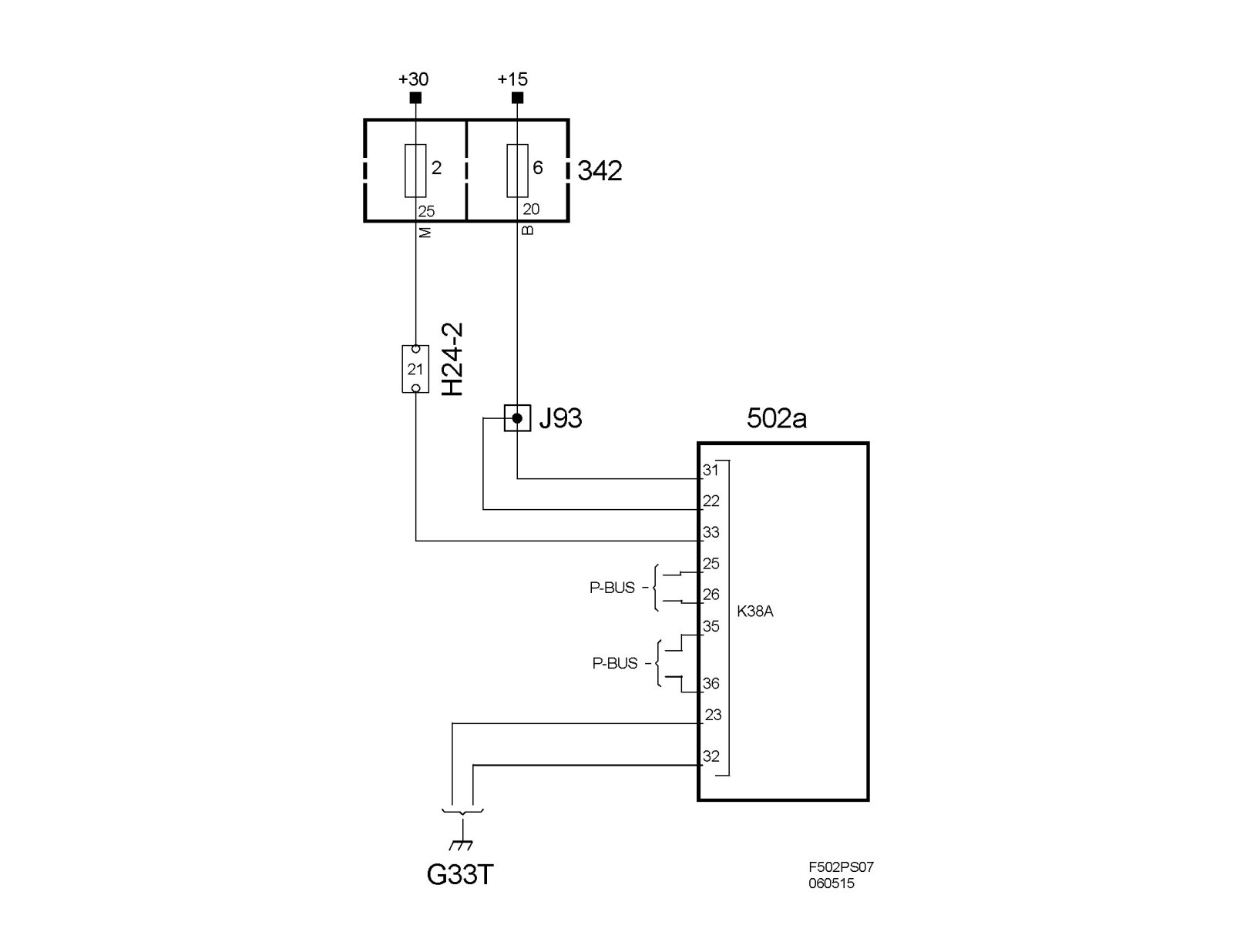
The control module is powered on pin 33 (A) with +30 voltage and on pins 31 (A) and 22 (A) with +15 voltage. The module is grounded via pins 32 (A) and 23 (A) to grounding point G33T. Bus communication (P-bus) takes place on pins 25-26 (A) and 35-36 (A).














Important
When handling the control module, it is important first to create a ground connection between yourself and for example the vehicle engine. Avoid touching the pins of the control module.