Operation CHARM: Car repair manuals for everyone.
Manuals through 2025 now available!

Our trusted friends have launched a new website named LEMON, which has newer manuals. It also contains all the CHARM manuals.

LEMON is the spiritual successor to CHARM, I recommend you try it!

Link: lemon-manuals.la or lemon-manuals.org.ua

(Some people have issue connecting. LEMON is investigating. For now, use Firefox or change your DNS server)

Or, hide this message: temporarily or permanently

Information Bus



Data Communication Schematics

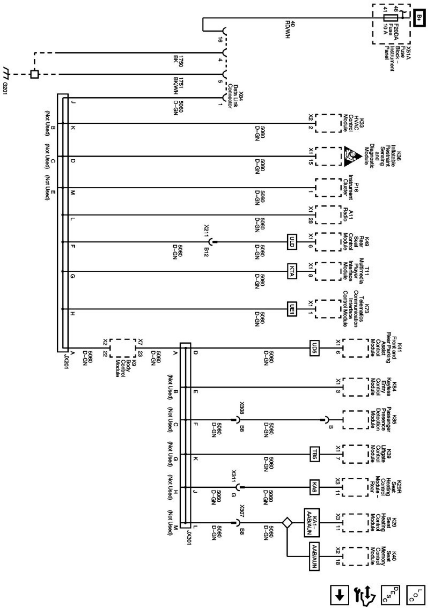
Low Speed GMLAN






High Speed GMLAN






Enable Serial Data






Linear Interconnect Network Buses






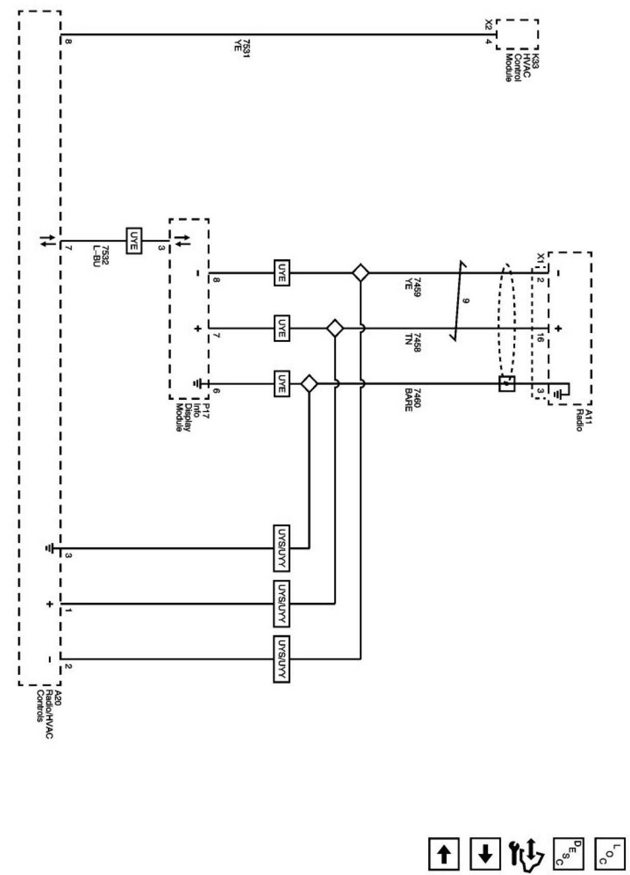
Radio/HVAC Linear Interconnect Network Bus and CAN Graphical Interface






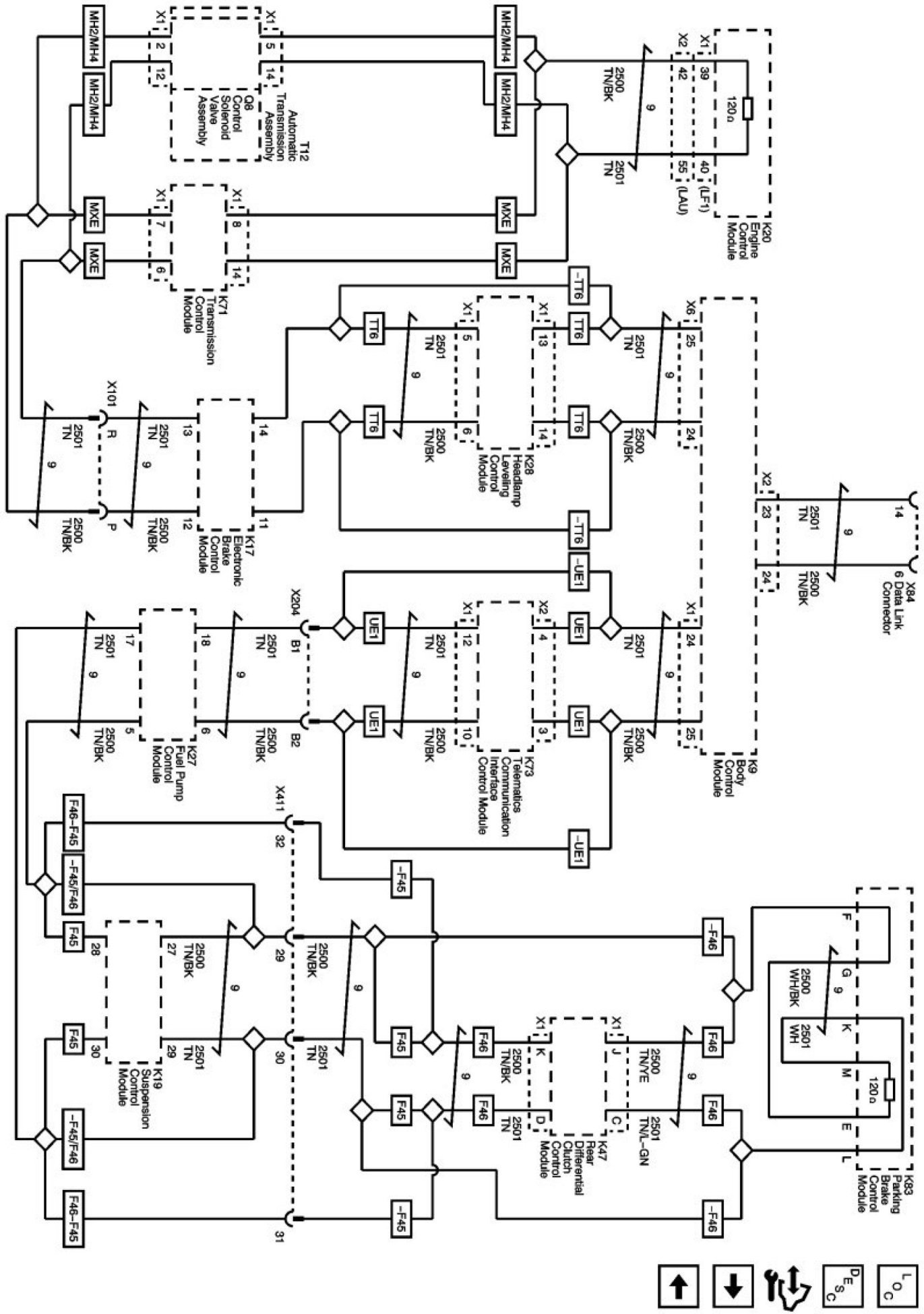
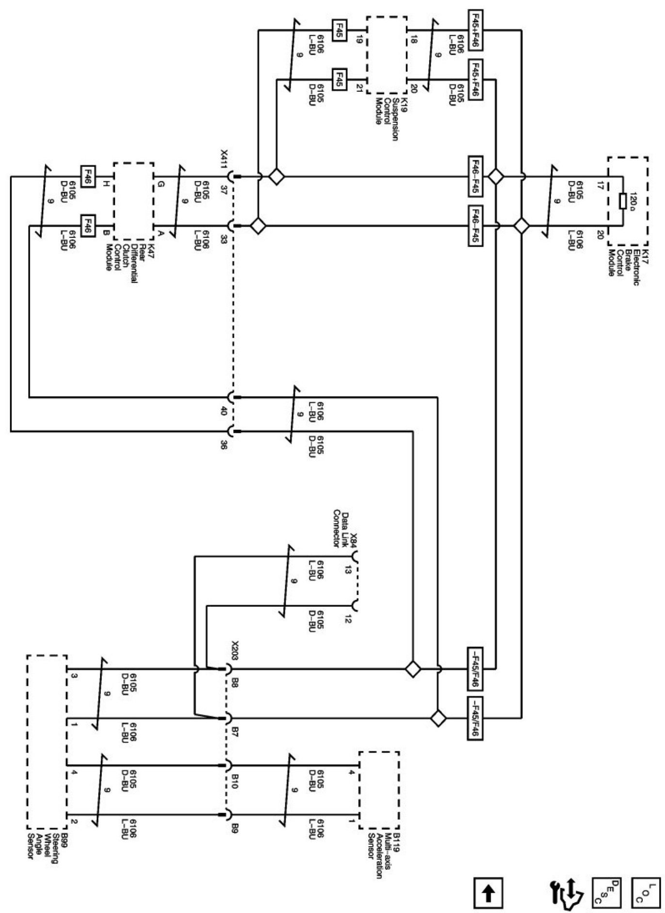
Chassis Expansion Bus






Power Supply Diagrams: The diagrams for the power supplies that may be feeding this system (+30, +15, +54, +X, and +B) ) can be found at Power and Ground Distribution diagrams. Electrical Diagrams