Operation CHARM: Car repair manuals for everyone.
Manuals through 2025 now available!

Our trusted friends have launched a new website named LEMON, which has newer manuals. It also contains all the CHARM manuals.

LEMON is the spiritual successor to CHARM, I recommend you try it!

Link: lemon-manuals.la or lemon-manuals.org.ua

(Some people have issue connecting. LEMON is investigating. For now, use Firefox or change your DNS server)

Or, hide this message: temporarily or permanently

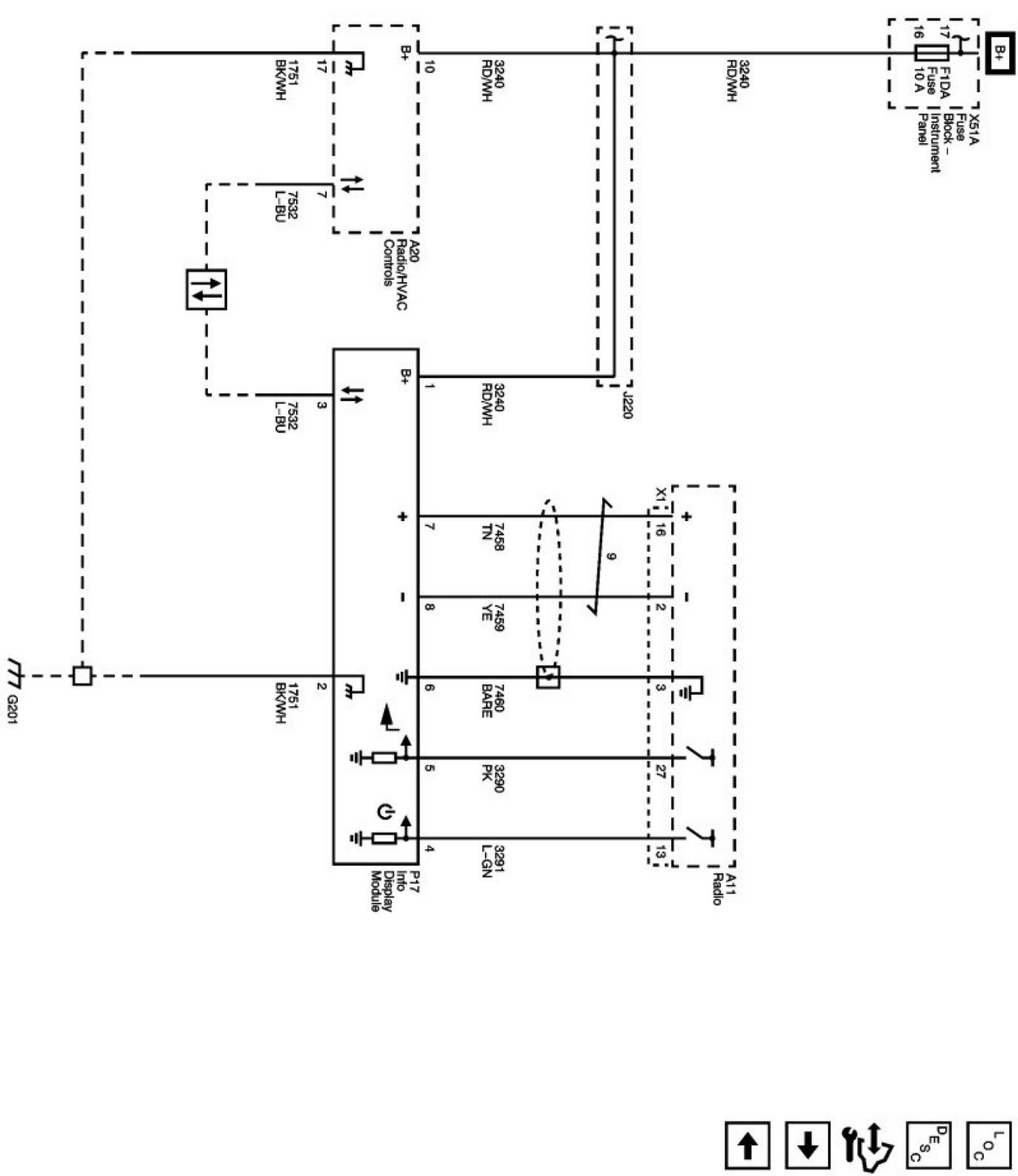
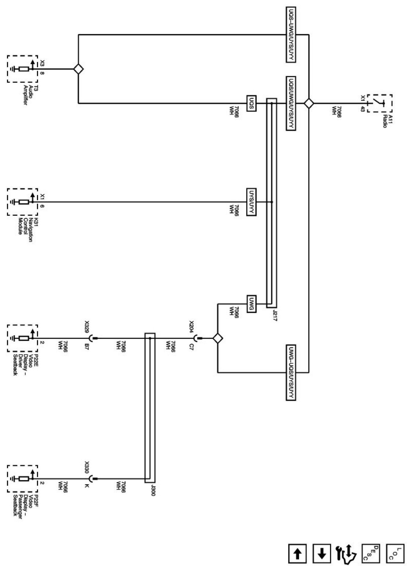
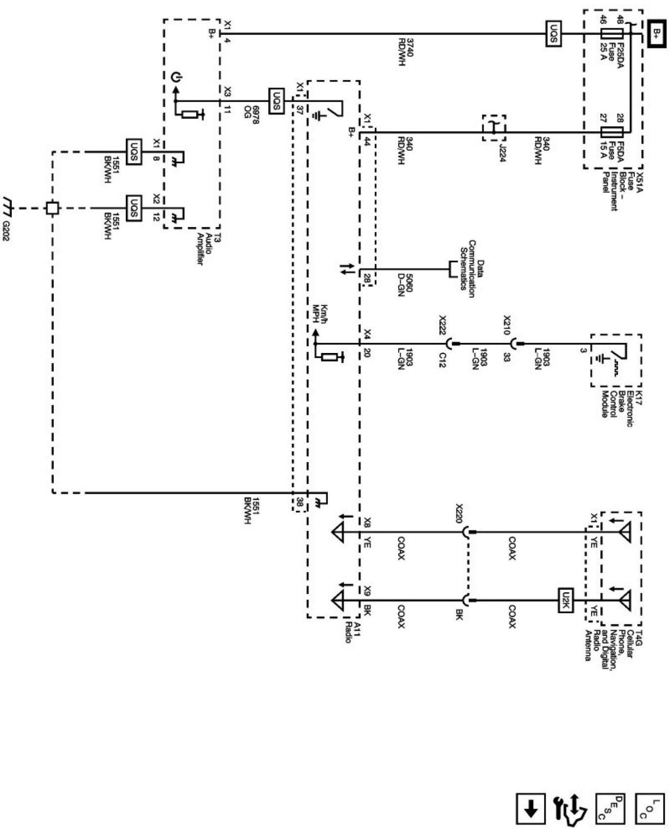
Navigation System



Radio/Navigation System Schematics

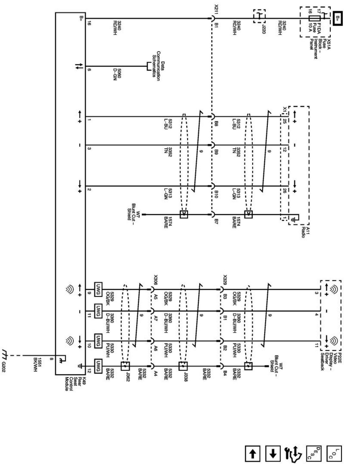
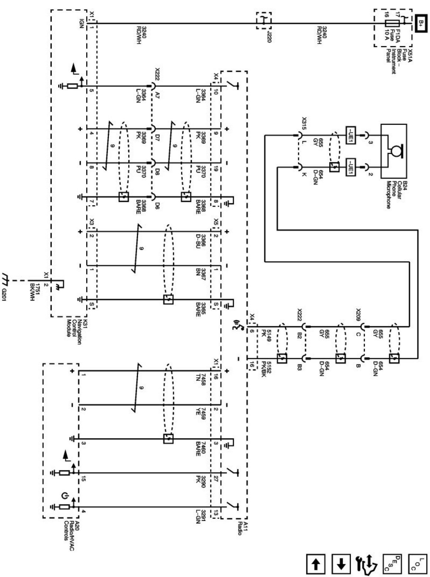
Power, Ground, Serial Data, and Antenna






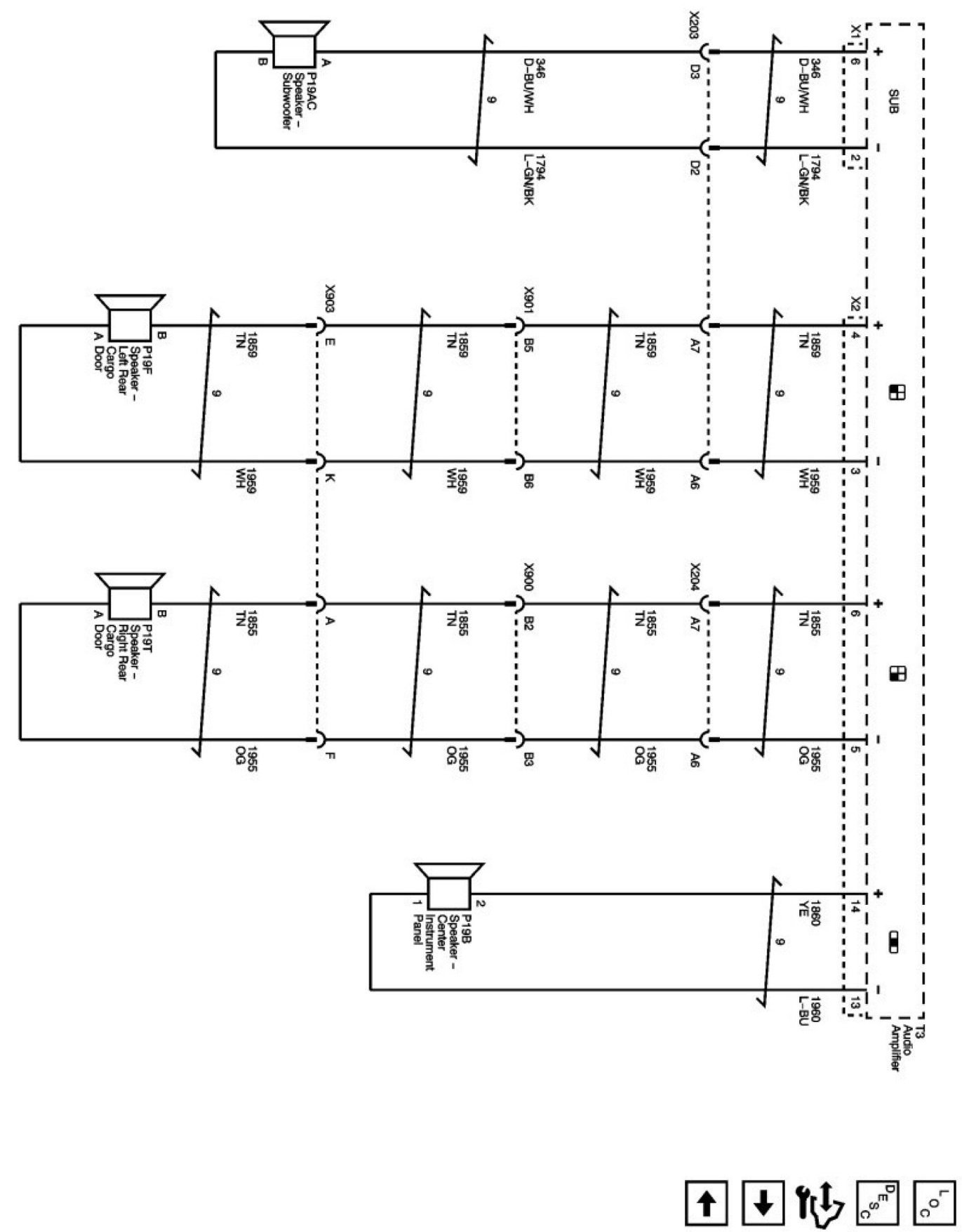
Amplifier Audio Signals (UQS)






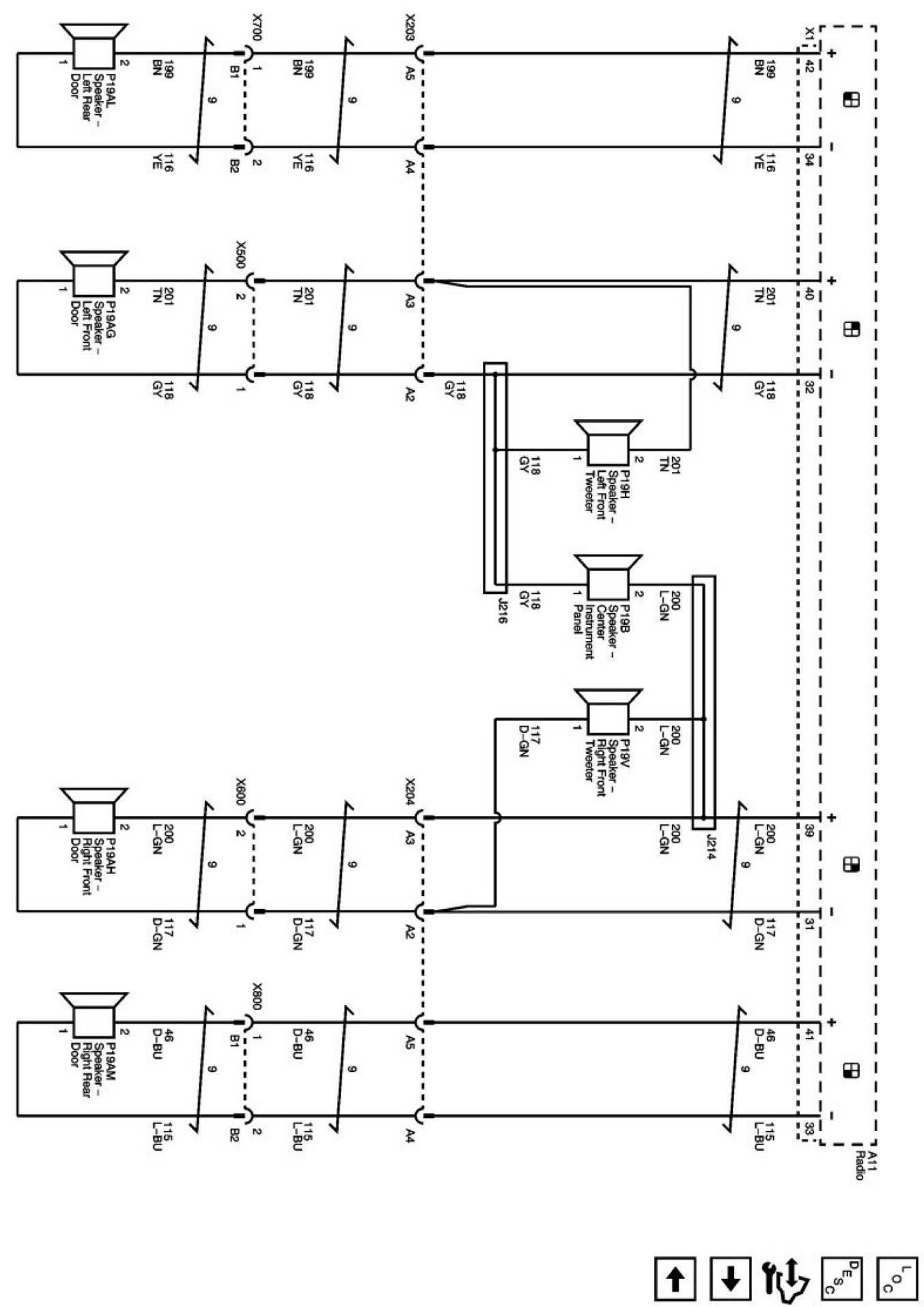
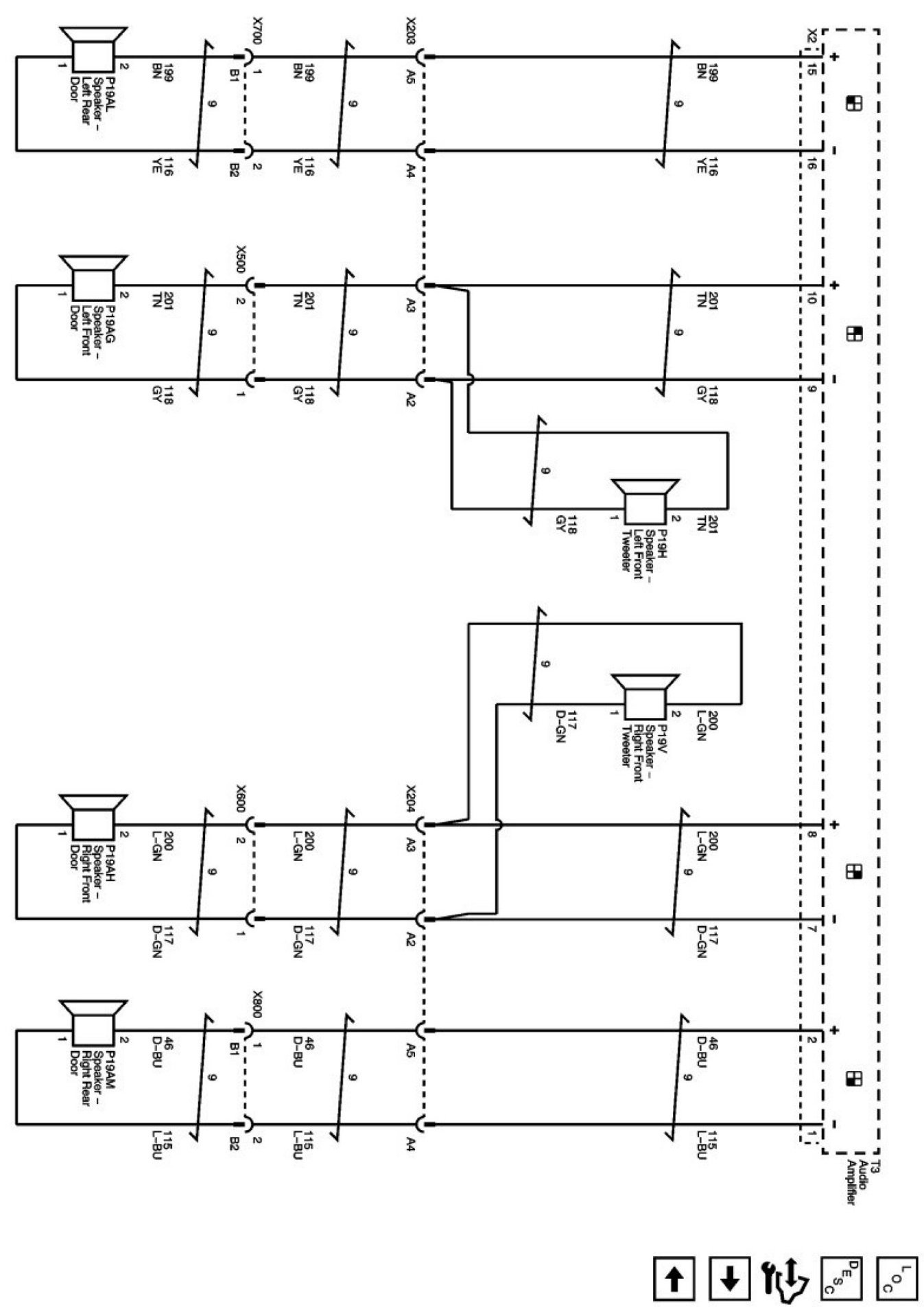
Speakers (UQ3)






Speakers (1 of 2) (UQS)






Speakers (2 of 2) (UQS)






Rear Seat Audio Controls (ULD)






Radio Display (UYE)






Radio Display (UYS or UYY)






Remote Device Enable






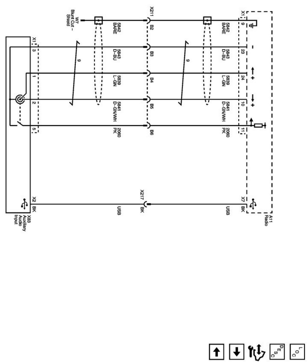
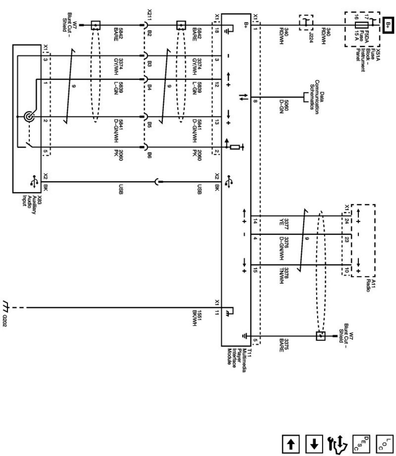
External Device Interfaces (UYS or UYY without KTA)






External Device Interfaces (KTA)






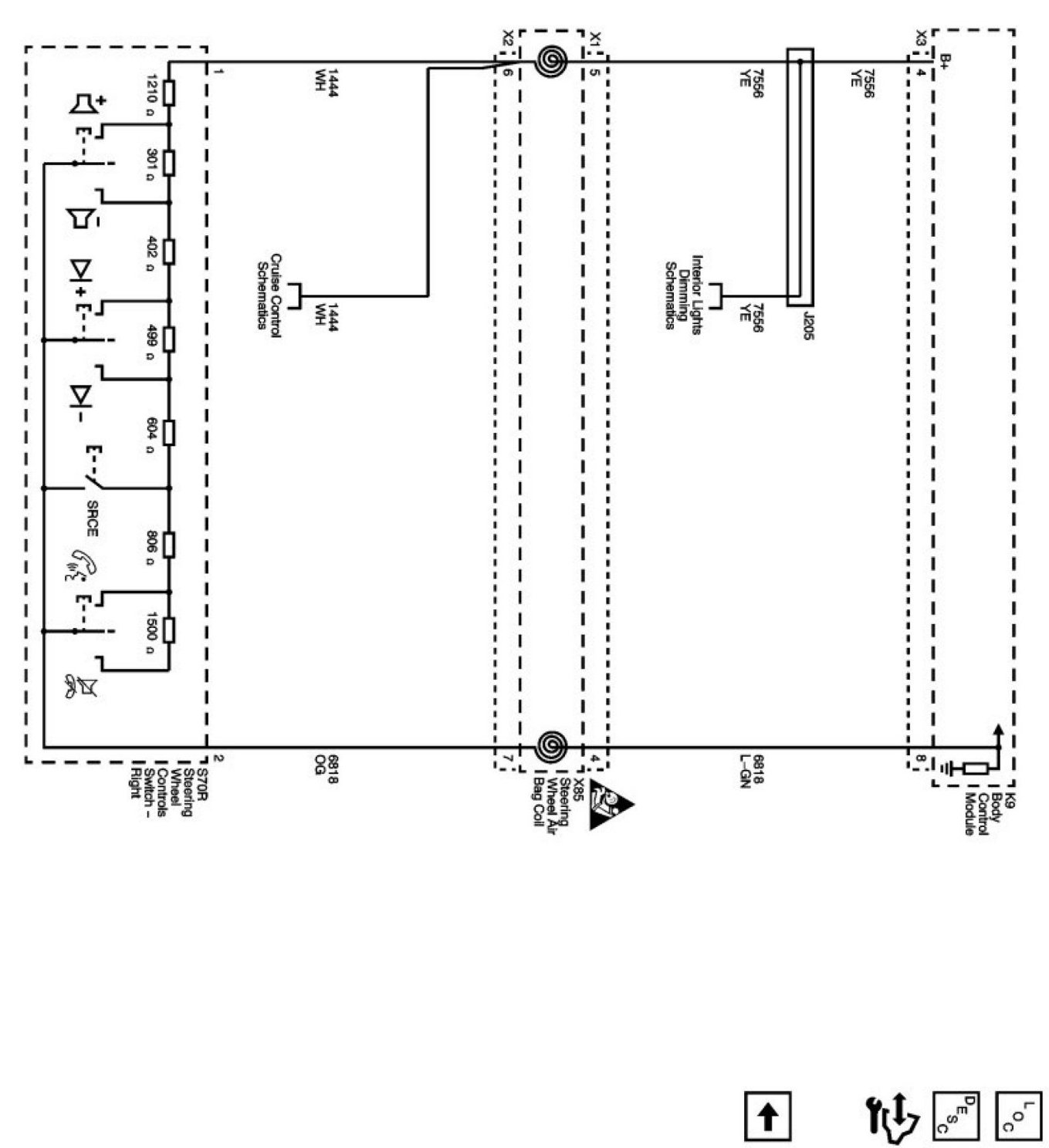
Steering Wheel Audio Controls






Power Supply Diagrams: The diagrams for the power supplies that may be feeding this system (+30, +15, +54, +X, and +B) ) can be found at Power and Ground Distribution diagrams. Electrical Diagrams