Operation CHARM: Car repair manuals for everyone.
Manuals through 2025 now available!

Our trusted friends have launched a new website named LEMON, which has newer manuals. It also contains all the CHARM manuals.

LEMON is the spiritual successor to CHARM, I recommend you try it!

Link: lemon-manuals.la or lemon-manuals.org.ua

(Some people have issue connecting. LEMON is investigating. For now, use Firefox or change your DNS server)

Or, hide this message: temporarily or permanently

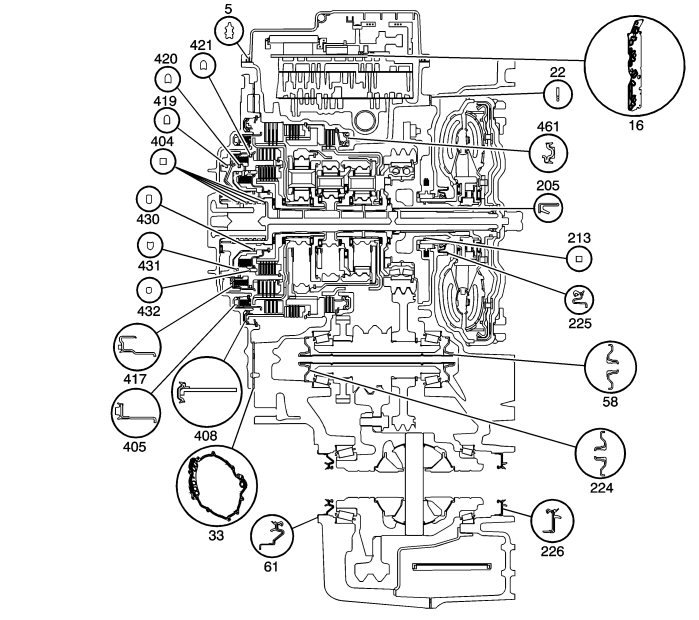
Seal Locations

Seal Locations

Seal Locations #1





(5) Control Valve Body Cover Assembly Gasket
(16) Control Solenoid (w/Body and TCM) Filter Plate Assembly
(22) Torque Converter Housing Outer Seal
(33) A/Trans Case Cover Gasket
(58) Front Differential Drive Pinion Gear Lube Dam
(61) Front Wheel Drive Shaft Oil Seal Assembly
(205) Front Differential Transfer Drive Gear Support Seal Assembly
(213) Front Differential Transfer Drive Gear Support Seal
(224) Front Differential Drive Pinion Gear Lube Dam
(225) Torque Converter Fluid Seal Assembly
(226) Front Wheel Drive Shaft Oil Seal Assembly
(404) 3-5-reverse and 4-5-6 clutch fluid seal ring
(405) 2-6 Clutch Piston
(408) Low and Reverse Clutch Piston Assembly
(417) 3-5-Reverse Clutch Piston
(419) 3-5-Reverse Clutch Piston Inner Seal
(420) 3-5-Reverse Clutch Piston Inner Seal
(421) 3-5-Reverse Clutch Piston Dam Seal
(430) 4-5-6 Clutch Piston Inner Seal
(431) 4-5-6 Clutch Piston Outer Seal
(432) 4-5-6 Clutch Piston Outer Seal
(461) 1-2-3-4 Clutch Piston

Seal Locations #2





(4) Fluid Level Indicator Tube Seal - Model Dependent
(10) Control Valve Body Cover Wiring Connector Hole Seal
(54) A/Trans Fluid Trough O-Ring Seal
(57) A/Trans Pump Fluid Outlet Seal Assembly
(65) 1-2-3-4 Clutch Fluid Passage Seal
(202) Filter Neck Seal
(206) Front Differential Transfer Drive Gear Support Torque Converter Fluid Seal Assembly
(212) Front Differential Transfer Drive Gear Support Fluid Passage Tube Gasket
(402) ISS O-Ring Seal
(508) Manual Shift Shaft Seal