Operation CHARM: Car repair manuals for everyone.
Manuals through 2025 now available!

Our trusted friends have launched a new website named LEMON, which has newer manuals. It also contains all the CHARM manuals.

LEMON is the spiritual successor to CHARM, I recommend you try it!

Link: lemon-manuals.la or lemon-manuals.org.ua

(Some people have issue connecting. LEMON is investigating. For now, use Firefox or change your DNS server)

Or, hide this message: temporarily or permanently

Engine

Disassembled Views

Engine Covers and Component Assemblies (1 of 2) (LAU)





(1) Ignition Coil
(2) Ignition Coil Bolt
(3) Intake Manifold Assembly
(4) Intake Manifold Bolt - Long
(5) Intake Manifold Bolt - Short
(6) Turbocharger Assembly
(7) Ignition Coil Bolt
(8) Ignition Coil
(9) Left Camshaft Cover Bolt
(10) Left Camshaft Cover Assembly
(11) Left Camshaft Cover Gasket
(12) Engine Flywheel
(13) Engine Flywheel Bolt
(14) Left Exhaust Manifold Heat Shield
(15) Left Exhaust Manifold Heat Shield Bolt
(16) Left Exhaust Manifold Bolt
(17) Left Exhaust Manifold
(18) Oil Filter Adapter Assembly Bolt
(19) Left Exhaust Manifold Gasket
(20) Oil Filter Adapter Assembly
(21) Oil Pan Assembly
(22) Engine Assembly
(23) Engine Front Cover Assembly
(24) Crankshaft Balancer
(25) Crankshaft Balancer Bolt Washer
(26) Crankshaft Balancer Bolt
(27) Right Exhaust Manifold Assembly
(28) Right Exhaust Manifold Bolt
(29) Right Exhaust Manifold Heat Shield
(30) Right Exhaust Manifold Heat Shield Bolt
(31) Right Camshaft Cover Gasket
(32) Right Camshaft Cover Assembly
(33) Right Camshaft Cover Assembly

Engine Covers and Component Assemblies (2 of 2) (LAU)





(4) Engine Short Block Assembly
(7) Left Cylinder Head Assembly
(8) Right Cylinder Head Assembly
(13) Oil Pump Assembly
(16) Oil Filter Adapter Assembly
(19) Timing Drive Assembly
(295) Engine Coolant Air Bleed Pipe
(296) Engine Coolant Air Bleed Hose
(297) Engine Coolant Air Bleed Hose Clamp
(298) Engine Coolant Air Bleed Pipe Stud
(299) Engine Coolant Air Bleed Pipe Bolt
(302) Left Cylinder Head Gasket
(303) Right Cylinder Head Gasket
(365) Engine Cooling Thermostat
(366) Engine Cooling Thermostat Gasket
(367) Engine Cooling Thermostat Housing
(368) Engine Cooling Thermostat Housing Bolt
(369) Engine Cooling Thermostat Bolt - Short
(377) Water Outlet Seal
(378) Water Outlet O-ring
(379) Water Outlet Bolt
(380) Water Outlet
(430) Fluid Level Indicator
(431) Oil Level Indicator Tube
(432) Oil Level Indicator Tube O-ring
(433) Oil Level Indicator Tube Bolt
(434) Oil Level Indicator Handle O-ring
(720) Crankshaft Position Sensor
(721) Crankshaft Position Sensor O-ring
(722) Crankshaft Position Sensor Bolt
(723) Knock Sensor
(723) Knock Sensor
(724) Knock Sensor Bolt
(724) Knock Sensor Bolt

Engine Covers and Component Assemblies (1 of 2) (LF1)





(1) Right Camshaft Cover Assembly
(2) Ignition Coil Bolt
(3) Ignition Coil
(4) Spark Plug
(5) Intake Manifold Assembly
(6) Left Camshaft Cover Assembly
(7) Fuel Rail Noise Shield
(8) Fuel Pump Cover
(9) Fuel Pump Cover Bolt
(10) Engine Flywheel
(11) Engine Flywheel Bolt
(12) Engine Assembly
(13) Oil Pan Assembly
(14) Engine Front Cover Assembly
(15) Crankshaft Balancer
(16) Crankshaft Balancer Bolt
(17) Crankshaft Position Sensor Heat Shield Bolt - Large
(18) Crankshaft Position Sensor Heat Shield
(19) Crankshaft Position Sensor Heat Shield Bolt - Small

Engine Covers and Component Assemblies (2 of 2) (LF1)





(1) Water Outlet Bolt
(2) Water Outlet
(3) Water Outlet O-ring
(4) Water Outlet Seal
(5) Knock Sensor Bolt
(6) Knock Sensor
(7) Engine Coolant Heater Assembly
(8) Crankshaft Position Sensor Bolt
(9) Crankshaft Position Sensor
(10) Crankshaft Position Sensor O-ring
(11) Right Cylinder Head Assembly
(12) Right Cylinder Head Gasket
(13) Lower Fuel Rail Noise Shield
(14) Engine Cooling Thermostat Gasket
(15) Engine Cooling Thermostat
(16) Engine Cooling Thermostat Housing
(17) Engine Cooling Thermostat Bolt - Short
(18) Engine Cooling Thermostat Housing Bolt - Long
(19) Fuel Feed Pipe Assembly
(20) Fuel Feed Pipe Assembly Bolt
(21) Fuel Feed Intermediate Pipe Assembly
(22) Fuel Pump Gasket
(23) Fuel Pump O-ring Seal
(24) Fuel Pump
(25) Fuel Pump Bolt
(26) Left Cylinder Head Assembly
(27) Left Cylinder Head Gasket
(28) Fluid Level Indicator
(29) Oil Level Indicator Handle O-ring
(30) Oil Level Indicator Tube Bolt
(31) Oil Level Indicator Tube
(32) Oil Level Indicator Tube O-ring
(33) Oil Filter Adapter Assembly
(34) Engine Short Block Assembly
(35) Oil Pump Assembly
(36) Timing Drive Assembly

Camshaft Cover Assembly





(250) Left Camshaft Cover
(251) Left Camshaft Cover Gasket
(252) Right Camshaft Cover
(253) Right Camshaft Cover Gasket
(254) Camshaft Cover Spark Plug Port Seal
(254) Camshaft Cover Spark Plug Port Seal
(255) Camshaft Cover Bolt
(255) Camshaft Cover Bolt
(256) Camshaft Cover Bolt Insulator
(256) Camshaft Cover Bolt Insulator
(257) Ignition Coil Bolt Thread Insert
(258) Oil Fill Cap
(259) Oil Fill O-ring
(259) Oil Fill O-ring
(260) Left Camshaft Cover PCV Fitting
(261) Right Camshaft Cover PCV Fitting Orifice
(262) Oil Fill Tube
(263) Left Camshaft Cover PCV Fitting O-ring
(265) Left Camshaft Housing Cover Insulator
(266) Right Camshaft Housing Cover Insulator
(704) Ignition Coil
(704) Ignition Coil
(705) Ignition Coil Bolt
(705) Ignition Coil Bolt
(719) Spark Plug
(719) Spark Plug

Camshaft Timing Components





(1) Primary Timing Chain Tensioner Bolt
(2) Left Secondary Timing Chain Shoe Bolt
(3) Right Secondary Timing Chain Tensioner
(4) Right Secondary Timing Chain Tensioner Gasket
(5) Right Secondary Timing Chain Shoe
(6) Secondary Timing Chain
(7) Camshaft Position Actuator Bolt
(8) Exhaust Camshaft Position Actuator
(9) Camshaft Position Actuator Thrust Washer
(10) Intake Camshaft Position Actuator
(11) Right Secondary Timing Chain Guide
(12) Left Camshaft Intermediate Drive Shaft Sprocket
(13) Camshaft Intermediate Drive Shaft Sprocket Bolt
(14) Left Secondary Timing Chain Shoe
(15) Left Secondary Timing Chain Tensioner Gasket
(16) Left Secondary Timing Chain Tensioner
(17) Left Secondary Timing Chain Guide
(18) Lower Primary Timing Chain Guide
(19) Lower Primary Timing Chain Guide Bolt
(20) Crankshaft Sprocket
(21) Primary Timing Chain
(22) Right Camshaft Intermediate Drive Shaft Sprocket
(23) Upper Primary Timing Chain Guide
(24) Primary Timing Chain Tensioner Gasket
(25) Primary Timing Chain Tensioner

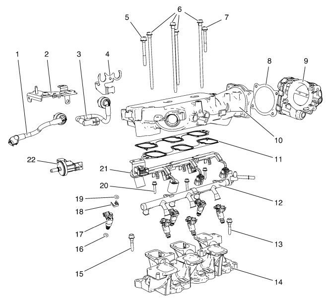
Intake Manifold (LAU)





(1) EVAP Purge Solenoid Tube - Intake Manifold to EVAP Solenoid
(2) EVAP Purge Solenoid Bracket
(3) Dirty PCV Hose
(4) Dirty PCV Hose Bracket
(5) Upper Intake Manifold Bolt - Short
(6) Upper Intake Manifold Bolt - Long
(7) Upper Intake Manifold Bolt - Short
(8) Throttle Body Gasket
(9) Throttle Body
(10) Upper Intake Manifold
(11) Upper Intake Manifold Gasket
(12) Fuel Rail
(13) Lower Intake Manifold Bolt
(14) Lower Intake Manifold
(15) Lower Intake Manifold Bolt
(16) Fuel Injector Lower Seal
(17) Fuel Injector
(18) Fuel Injector Retainer
(19) Fuel Injector Upper Seal
(20) Fuel Rail Bolt
(21) Fuel Injector Wiring Harness
(22) EVAP Purge Solenoid

Intake Manifold (LF1)





(1) EVAP Solenoid
(2) PCV Tube O-ring Seal
(3) PCV Tube
(4) MAP Sensor Bolt
(5) MAP Sensor
(6) Upper Intake Manifold
(7) Upper Intake Manifold Bolt
(8) Throttle Body Gasket
(9) Throttle Body
(10) Throttle Body Bolt

Fuel Rail (LAU)





(532) Fuel Rail Bolt
(560) Fuel Rail
(561) Fuel Injector
(562) Fuel Injector Retainer
(563) Fuel Injector Upper Seal
(564) Fuel Injector Lower Seal
(565) Fuel Pressure Service Valve Cap
(566) Fuel Pressure Service Valve
(571) Fuel Rail Bracket
(572) Fuel Rail Bracket Bolt
(572) Fuel Rail Bracket Bolt
(700) Fuel Injector Wiring Harness
(765) Fuel Injector Wiring Harness Bracket
(766) Fuel Injector Wiring Harness Bracket Bolt

Fuel Rail (LF1 or LFW)





(1) Fuel Rail Bolt
(2) Fuel Pressure Sensor
(3) Fuel Injector Retainer
(4) Fuel Injector O-ring Seal
(5) Fuel Injector Spacer
(6) Fuel Injector
(7) Fuel Injector Teflon Seal
(8) Fuel Rail

Cylinder Head





(300) Left Cylinder Head
(301) Right Cylinder Head
(302) Left Cylinder Head Gasket
(303) Right Cylinder Head Gasket
(310) Cylinder Head Bolt
(311) Cylinder Head Front Bolt
(313) Cylinder Head Coolant Hole Threaded Plug
(318) Spark Plug Sleeve
(319) Cylinder Head Oil Gallery Expansion Plug - 14 mm
(319) Cylinder Head Oil Gallery Expansion Plug - 14 mm
(320) $ exhaust valve
(321) $ intake valve
(322) Valve Rocker Arm Assembly
(323) Hydraulic Valve Lash Adjuster Assembly
(324) Valve Stem Oil Seal
(325) Valve Spring
(326) Valve Spring Cap
(327) Valve Stem Key
(328) Cylinder Head Camshaft Front Thrust Bearing Cap
(328) Cylinder Head Camshaft Front Thrust Bearing Cap
(329) Camshaft Oil Seal Ring
(330) Left Exhaust Camshaft
(331) Left Intake Camshaft
(332) Right Intake Camshaft
(333) Right Exhaust Camshaft
(336) Cylinder Head Camshaft Cap - Intermediate
(337) Cylinder Head Camshaft Cap Bolt
(339) Cylinder Head Oil Gallery Check Valve
(711) Engine Coolant Temperature Sensor

Engine Front Cover (LF1)





(1) Water Pump Pulley Bolt
(2) Water Pump Pulley
(3) Water Pump Assembly
(4) Water Pump Pulley Gasket
(5) Camshaft Position Actuator Solenoid Valve Seal
(6) Camshaft Position Sensor Bolt
(7) Camshaft Position Sensor
(8) Camshaft Position Sensor O-ring Seal
(9) Camshaft Position Actuator Solenoid Valve Bolt
(10) Camshaft Position Actuator Solenoid Valve
(11) Engine Front Cover Gasket
(12) Engine Front Cover Locating Pin
(13) Engine Front Cover
(14) Engine Front Cover Bolt
(15) Engine Front Cover Seal
(16) Crankshaft Balancer
(17) Crankshaft Balancer Bolt
(18) Engine Front Cover Bolt
(19) Water Pump Bolt

Engine Front Cover (LAU)





(132) Engine Front Cover Locating Pin
(348) Engine Front Cover Bolt - Long
(350) Engine Front Cover
(351) Engine Front Cover Gasket
(352) Engine Front Cover Bolt
(353) Engine Front Cover Seal
(354) Engine Front Cover Deadener
(360) Water Pump Assembly
(361) Water Pump Bolt
(362) Water Pump Gasket
(363) Water Pump Pulley
(364) Water Pump Pulley Bolt
(390) Crankshaft Balancer
(391) Crankshaft Balancer Bolt
(725) Camshaft Position Sensor
(726) Camshaft Position Sensor O-ring
(727) Camshaft Position Sensor Bolt
(732) Camshaft Position Actuator Solenoid Valve
(733) Camshaft Position Actuator Solenoid Valve Bolt
(734) Camshaft Position Actuator Solenoid Valve Seal

Oil Pump





(151) Lower Primary Timing Chain Guide
(154) Lower Primary Timing Chain Guide Bolt
(463) Oil Pump Housing
(464) Oil Pump Cover
(465) Oil Pump Driven Gear
(466) Oil Pump Drive Gear
(468) Oil Pump Cover Bolt
(470) Oil Pressure Relief Valve Bore Plug
(471) Oil Pressure Relief Valve Spring
(472) Oil Pressure Relief Valve
(474) Oil Pressure Relief Valve Bore Plug Retainer Clip
(475) Oil Pump Bolt

Engine Block Assembly (LF1)





(1) Crankshaft
(2) Crankshaft Key
(3) Crankshaft Lower Bearing
(4) Crankshaft Bearing Cap
(5) Crankshaft Bearing Cap Outboard Bolt
(6) Crankshaft Bearing Cap Inboard Bolt
(7) Crankshaft Bearing Thrust Cap
(8) Piston Oil Nozzle Bolt
(9) Piston Oil Nozzle
(10) Oil Pan Locating Pin
(11) Crankshaft Bearing Cap Side Bolt - Long
(12) Engine Block Oil Gallery Threaded Plug - 14 mm
(13) Crankshaft Rear Oil Seal Housing Assembly
(14) Crankshaft Rear Oil Seal Housing Assembly Bolt
(15) Transaxle Locating Pin
(16) Piston and Connecting Rod Assembly
(17) Engine Block Coolant Drain Threaded Plug - 14 mm
(18) Engine Block Core Coolant Expansion Plug - 34.3 mm
(19) Cylinder Head Locating Pin
(20) Engine Block
(21) Engine Block Oil Gallery Expansion Plug - 14
(22) Engine Front Cover Stud
(23) Engine Block Oil Gallery Threaded Plug - 20 mm
(24) Engine Block Oil Gallery Expansion Plug - 10 mm
(25) Crankshaft Bearing Cap Side Bolt - Short
(26) Crankshaft Upper Thrust Bearing #3
(27) Crankshaft Upper Bearing

Engine Block Assembly (LAU)





(15) Piston and Connecting Rod Assembly
(100) Engine Block
(110) Crankshaft Bearing Cap
(111) Crankshaft Bearing Thrust Cap
(114) Crankshaft Bearing Cap Inboard Bolt
(115) Crankshaft Bearing Cap Outboard Bolt
(116) Crankshaft Bearing Cap Side Bolt - Short
(117) Crankshaft Bearing Cap Side Bolt - Long
(119) Engine Block Oil Gallery Expansion Plug - 10 mm
(120) Crankshaft
(121) Crankshaft Sprocket Locating Pin
(122) Crankshaft Upper Bearing
(123) Crankshaft Lower Bearing
(124) Crankshaft Upper Thrust Bearing #3
(126) Engine Block Oil Gallery Expansion Plug - 14 mm
(127) Engine Block Oil Gallery Threaded Plug - 14 mm
(127) Engine Block Oil Gallery Threaded Plug - 14 mm
(128) Engine Block Coolant Drain Threaded Plug - 14 mm
(129) Engine Block Oil Gallery Threaded Plug - 20 mm
(130) Engine Block Core Coolant Expansion Plug - 34.3 mm
(131) Transaxle Locating Pin
(133) Crankshaft Rear Oil Seal Housing Assembly
(134) Crankshaft Rear Oil Seal Housing Assembly Bolt
(135) Oil Pan Locating Pin
(137) Cylinder Head Locating Pin
(490) Piston Oil Nozzle
(491) Piston Oil Nozzle Bolt

Piston, Rings, Bearing and Connecting Rod





(200) Connecting Rod
(201) Connecting Rod Bolt
(202) Connecting Rod Bushing
(203) Connecting Rod Bearing
(210) Piston
(211) Piston Pin
(212) Piston Pin Retainer
(212) Piston Pin Retainer
(213) Piston Upper Compression Ring
(214) Piston Lower Compression Ring
(215) Piston Oil Control Rail Ring
(216) Piston Oil Control Ring Spacer

Oil Pan





(400) Oil Pan
(405) Oil Pump Suction Pipe
(406) Oil Pump Suction Pipe Gasket
(407) Oil Pump Suction Pipe Bolt
(407) Oil Pump Suction Pipe Bolt
(410) Oil Pan Baffle Scraper
(411) Oil Pan Baffle Scraper Bolt
(412) Oil Pan Drain Plug
(413) Oil Pan Drain Plug - O-Ring
(420) Oil Pan Bolt
(422) Oil Pan Bolt - Long

Oil Filter Adapter (LAU)





(1) Heat Shield
(2) Oil Filter Cap
(3) Oil Filter
(4) Oil Filter Cap Ring
(5) Oil Filter Adapter
(6) Heat Shield Bolt
(7) Oil Filter Adapter Bolt
(8) Engine Oil Pressure Sensor - O-Ring
(9) Engine Oil Pressure Sensor
(10) Oil Filter Adapter Bolt
(11) Oil Filter Adapter Gasket
(12) Heat Shield Bolt
(13) Oil Cooler - O-Ring
(14) Oil Cooler
(15) Oil Cooler Bolt

Oil Filter Adapter (LF1)





(440) Oil Filter Adapter
(441) Oil Filter Adapter Gasket
(442) Oil Filter Adapter Bolt
(443) Oil Filter Adapter Bolt - Long
(445) Oil Filter Fitting
(449) Oil Filter
(728) Engine Oil Pressure Sensor
(729) Engine Oil Pressure Sensor O-ring