Operation CHARM: Car repair manuals for everyone.
Manuals through 2025 now available!

Our trusted friends have launched a new website named LEMON, which has newer manuals. It also contains all the CHARM manuals.

LEMON is the spiritual successor to CHARM, I recommend you try it!

Link: lemon-manuals.la or lemon-manuals.org.ua

(Some people have issue connecting. LEMON is investigating. For now, use Firefox or change your DNS server)

Or, hide this message: temporarily or permanently

Engine Replacement

Engine Replacement

Special Tools

- CH-49290 Engine fixture
- CH-49289 Support frame fixture
- CH-904 Basic tool

For equivalent regional tools, refer to Special Tools

Removal Procedure

1. Disconnect the negative battery cable. See Battery, negative cable, disconnection and connection.
2. Remove the bolt (1) from the coupler and disconnect the steering shaft coupling from the steering gear. Refer to Intermediate Steering Shaft Replacement.
3. Place the vehicle on the hoist.
4. Recover the refrigerant. Refer to Refrigerant Recovery and Recharging (Belt Driven Compressor)
5. Remove the intake manifold cover. Refer to Intake Manifold Cover Replacement.





6. Drain the cooling system. Refer to Cooling System, Draining and Filling (GE 47716) Cooling System, Draining and Filling (Static Fill LAU) Cooling System, Draining and Filling (Static Fill LF1).
7. Remove the air cleaner assembly. Refer to Air Cleaner Assembly Replacement (LAU) Air Cleaner Assembly Replacement (LF1).





8. Remove the front compartment fuse block (2). Refer to Front Compartment Fuse Block Replacement.





9. Remove the battery. Refer to Battery Replacement.





10. Remove the battery tray. Refer to Battery Tray Replacement





11. Disconnect the transmission shifter cable.





12. Disconnect the radiator outlet hose from the engine. Refer to Radiator Outlet Hose Replacement (LAU) Radiator Outlet Hose Replacement (LF1).





13. Disconnect the radiator inlet hose from the engine. Refer to Radiator Inlet Hose Replacement (LAU) Radiator Inlet Hose Replacement (LF1).





14. Release the clip from the quick disconnect (1) and remove the heater inlet hose (2) from the heater core tube.





15. Release the clip from the quick disconnect (1) and remove the heater outlet hose (2) from the heater core tube.





16. Remove the A/C connectors from the service ports.
17. Remove the radiator surge tank. Refer to Radiator Surge Tank Replacement (LAU) Radiator Surge Tank Replacement (LF1).





18. Remove the radiator air lower deflector. Refer to Radiator Air Lower Deflector Replacement.





19. Remove both front wheels. Refer to Tire and Wheel Removal and Installation.
20. Remove right side front wheelhouse liner front fasteners. Refer to Front Wheelhouse Liner Replacement.





21. Remove the catalytic converter(s). Refer to Catalytic Converter Replacement - Left Side (LF1) and Catalytic Converter Replacement - Right Side (LF1) or Catalytic Converter Replacement (LAU)
22. For AWD, remove the propeller shaft. Refer to Propeller Shaft Replacement.
23. Prepare CH-49290 and CH-49289 tools according to the SPX instruction.
24. Install the tool CH-49290 Engine fixture (1) and CH-904 Basic tool to the engine attaching the hooks to the support frame.





25. Remove the right side engine mount. Refer to Engine Mount Replacement - Right Side.





26. Disconnect the fuel feed line (1). Refer to Metal Collar Quick Connect Fitting Service.





27. Disconnect the evaporative emission line (1). Refer to Plastic Collar Quick Connect Fitting Service





28. Disconnect the transmission fluid cooler pipes. Refer to Transmission Fluid Cooler Inlet Pipe Replacement and Transmission Fluid Cooler Outlet Pipe Replacement.
29. Mark the torque converter to flexplate relationship.

Note
Rotate engine clockwise using the crankshaft balancer bolt to gain access to each bolt.





30. Remove the bolt (1) from the coupler and disconnect the steering shaft coupling from the steering gear. Refer to Intermediate Steering Shaft Replacement.





31. Remove the wheel drive shafts from the hub/ bearing assemblies. See Front wheel drive shaft, replacement.
32. Disconnect the power steering cooler lines from the cooler.
33. Disconnect and reposition harnesses as required.
34. Disconnect the steering pump hydraulic lines
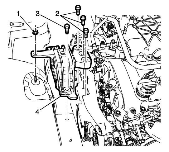
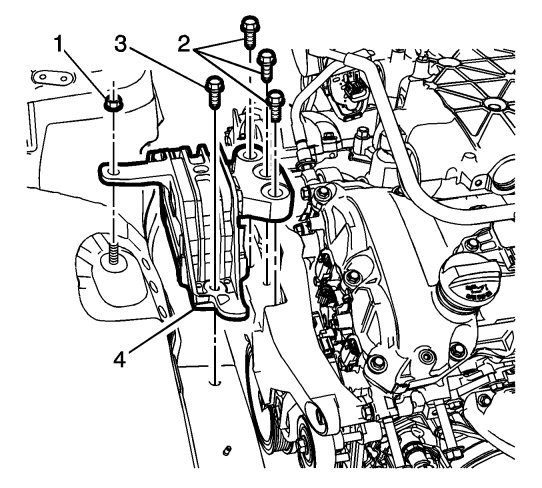
35. Install CH 49289 Support frame fixture (1) to the CH-904 Basic tool (3) and position the tool to the CH-49290 Engine fixture (2) and the zero holes in the body.





36. Remove the support frame fasteners.
37. Remove the front and rear frame to the body bolts. Refer to Drivetrain and Front Suspension Frame Replacement
38. Lower the powertrain from the vehicle.
39. Lift the powertrain assembly off the frame and place on the floor.
40. Separate the engine from the transmission.
41. Disconnect electrical connectors as necessary.

Installation Procedure

1. Install the engine to the transmission and tighten the upper bolts to 75 Nm (55 lb ft).
2. Place the powertrain assembly on the frame.
3. Install the rear transmission through bolt.
4. Place the powertrain and frame assembly on the engine support table.
5. Align the engine to the transmission
6. Lift the powertrain assembly to the vehicle
7. Align the CH-49289 Support frame fixture wings to the zero holes
8. Install NEW reinforcement arm bolts (1) to body and tighten to 58 Nm (43 lb ft). Install the front and rear frame bolts. Refer to Drivetrain and Front Suspension Frame Replacement.





9. Install the body to frame reinforcement fasteners. Tighten to 58 (43 lb ft).
10. Remove the engine support tools.
11. Install the lower transaxle-to-engine bolts and tighten to 75 Nm (55 lb ft).
12. Install the right side engine mount. Refer to Engine Mount Replacement - Right Side.





13. Connect the steering pump hydraulic lines.
14. Connect the power steering cooler lines to the cooler.
15. For AWD, install the propeller shaft. Refer to Propeller Shaft Replacement.
16. Align the torque converter and flexplate marks and install the torque convertor-to-flexplate bolts and tighten to 62 Nm (46 lb ft).





17. Install the catalytic converter(s). Refer to Catalytic Converter Replacement - Left Side (LF1) and Catalytic Converter Replacement - Right Side (LF1) or Catalytic Converter Replacement (LAU)
18. Install the left and right wheel drive shafts. Refer to Front Wheel Drive Shaft Replacement.
19. Connect the steering shaft coupling to the steering gear and install the bolt (1). Refer to Intermediate Steering Shaft Replacement.





20. Install the right side front wheelhouse liner. Refer to Front Wheelhouse Liner Replacement.





21. Install the front wheels. Refer to Tire and Wheel Removal and Installation.
22. Install the radiator air lower deflector. Refer to Radiator Air Lower Deflector Replacement.





23. Install the radiator outlet hose. Refer to Radiator Outlet Hose Replacement (LAU) Radiator Outlet Hose Replacement (LF1)





24. Install the radiator inlet hose. Refer to Radiator Inlet Hose Replacement (LAU) Radiator Inlet Hose Replacement (LF1)





25. Install the heater inlet hose (2) to the heater core tube and clip the quick disconnect (1).





26. Install the heater outlet hose (2) to the heater core tube and clip the quick disconnect (1).





27. Install the radiator surge tank. Refer to Radiator Surge Tank Replacement (LAU) Radiator Surge Tank Replacement (LF1).





28. Connect the transmission fluid cooler pipes. Refer to Transmission Fluid Cooler Inlet Pipe Replacement and Transmission Fluid Cooler Outlet Pipe Replacement.
29. Install the fuel EVAP line.





30. Connect the fuel feed line. Refer to Fuel Feed Pipe Replacement.





31. Connect the transmission shifter cable.





32. Install the air cleaner assembly. Refer to Air Cleaner Assembly Replacement (LAU) Air Cleaner Assembly Replacement (LF1).





33. Connect the wiring harness to the underhood junction block. Refer to Front Compartment Fuse Block Replacement.
34. Install the battery tray. Refer to Battery Tray Replacement





35. Install the battery. Refer to Battery Replacement.





36. Connect the negative battery cable. Refer to Battery Negative Cable Disconnection and Connection.
37. Fill the vehicle with coolant. Refer to Cooling System, Draining and Filling (GE 47716) Cooling System, Draining and Filling (Static Fill LAU) Cooling System, Draining and Filling (Static Fill LF1).
38. Check the engine oil. Refer to Engine Oil and Oil Filter Replacement (LAU) Engine Oil and Oil Filter Replacement (LF1 or LFW).
39. Install the intake manifold cover. Refer to Intake Manifold Cover Replacement.





40. Perform the throttle learn procedure. Refer to Throttle/Idle Learn (LF1, LFW) Throttle/Idle Learn (Without LF1, LFW).