Operation CHARM: Car repair manuals for everyone.
Manuals through 2025 now available!

Our trusted friends have launched a new website named LEMON, which has newer manuals. It also contains all the CHARM manuals.

LEMON is the spiritual successor to CHARM, I recommend you try it!

Link: lemon-manuals.la or lemon-manuals.org.ua

(Some people have issue connecting. LEMON is investigating. For now, use Firefox or change your DNS server)

Or, hide this message: temporarily or permanently

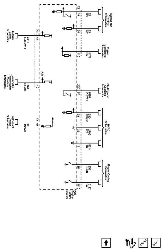
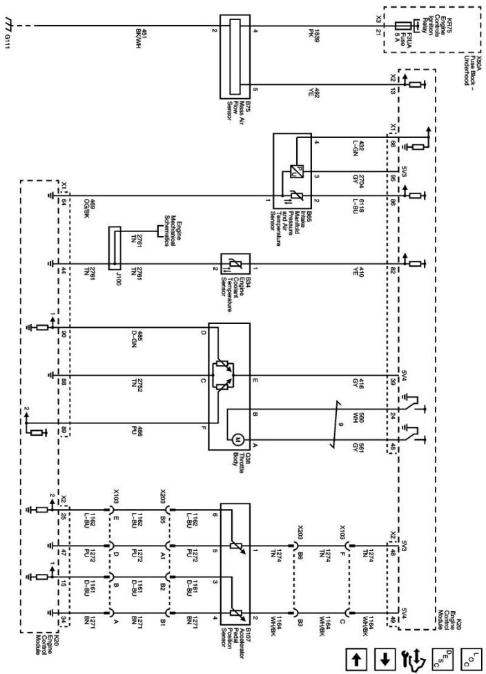
Engine Controls Schematics



Engine Controls Schematics (2.8L (LAU))

Module Power, Ground Serial Data, and Indicator






5V1 and Low Reference Bus






5V2, 5V3, 5V4, and Low Reference Bus






Engine Data Sensors - Pressure, Temperature, and Throttle Controls






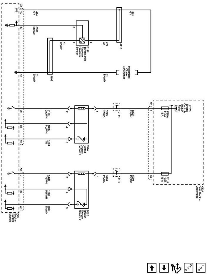
Engine Data Sensors - Pressure Controls and Oxygen Sensors






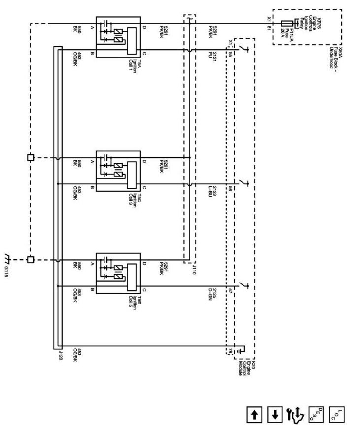
Ignition Controls - Bank 1 Ignition System






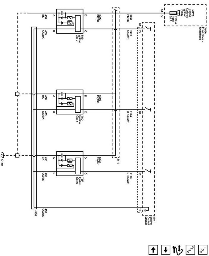
Ignition Controls - Bank 2 Ignition System






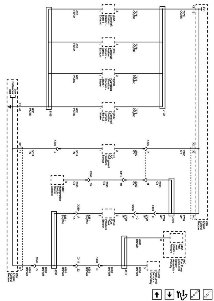
Ignition Controls - Camshaft, Crankshaft, Knock Sensors and Camshaft Actuators






Fuel Controls - Fuel Injectors






Fuel Controls - Fuel Pump






Fuel Controls - Evaporative Emission and Fuel Economy Controls






Fuel Controls - Secondary Air Injection and Turbocharger Controls






Controlled and Monitored Subsystem References