Operation CHARM: Car repair manuals for everyone.
Manuals through 2025 now available!

Our trusted friends have launched a new website named LEMON, which has newer manuals. It also contains all the CHARM manuals.

LEMON is the spiritual successor to CHARM, I recommend you try it!

Link: lemon-manuals.la or lemon-manuals.org.ua

(Some people have issue connecting. LEMON is investigating. For now, use Firefox or change your DNS server)

Or, hide this message: temporarily or permanently

Electrical Diagrams



Control module engine, schematics

Module Power, Ground, Serial Data, and MIL










5-Volt Reference 1 and 2 as well as Low Reference Bus (1 of 2)










5-Volt Reference 3 and 4 as well as Low Reference Bus (2 of 2)










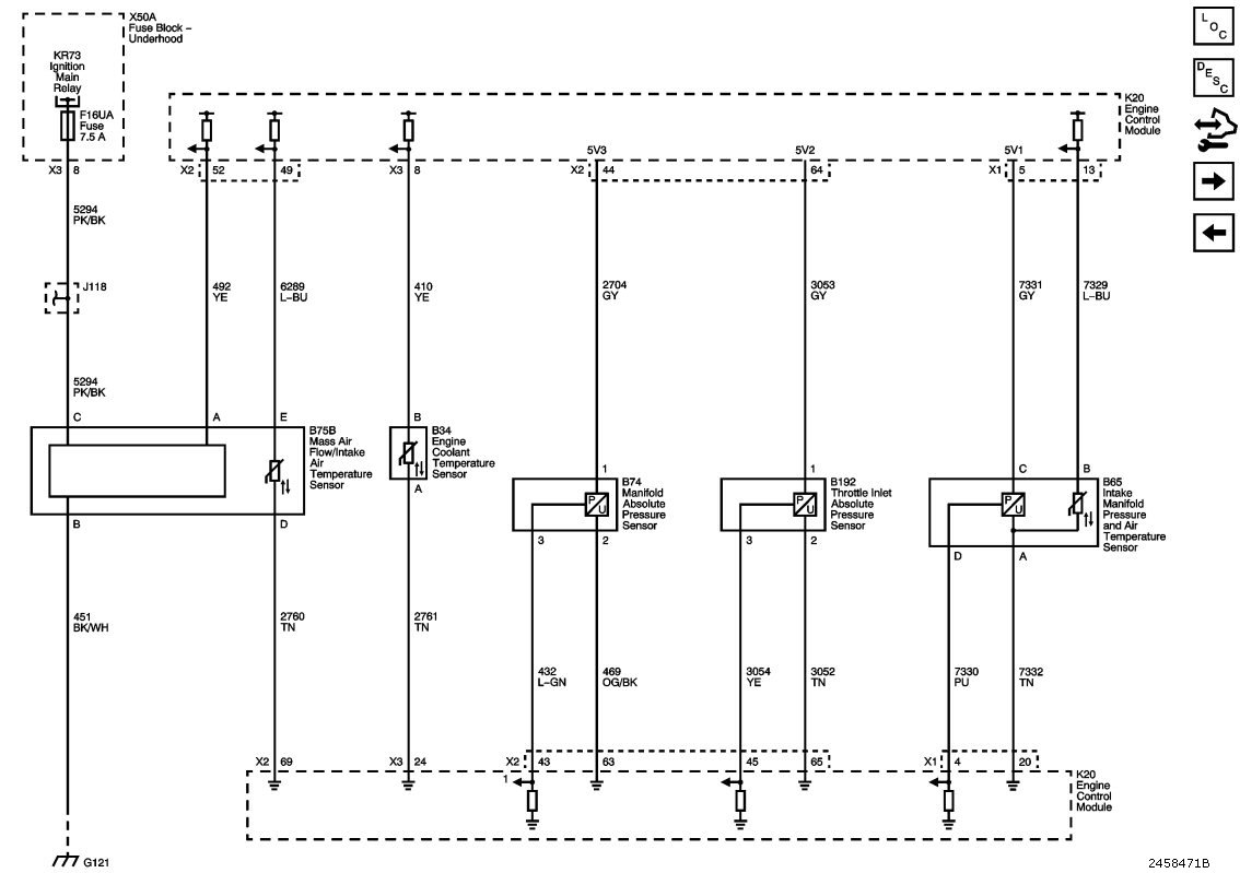
Engine data sensors - pressure and temperature










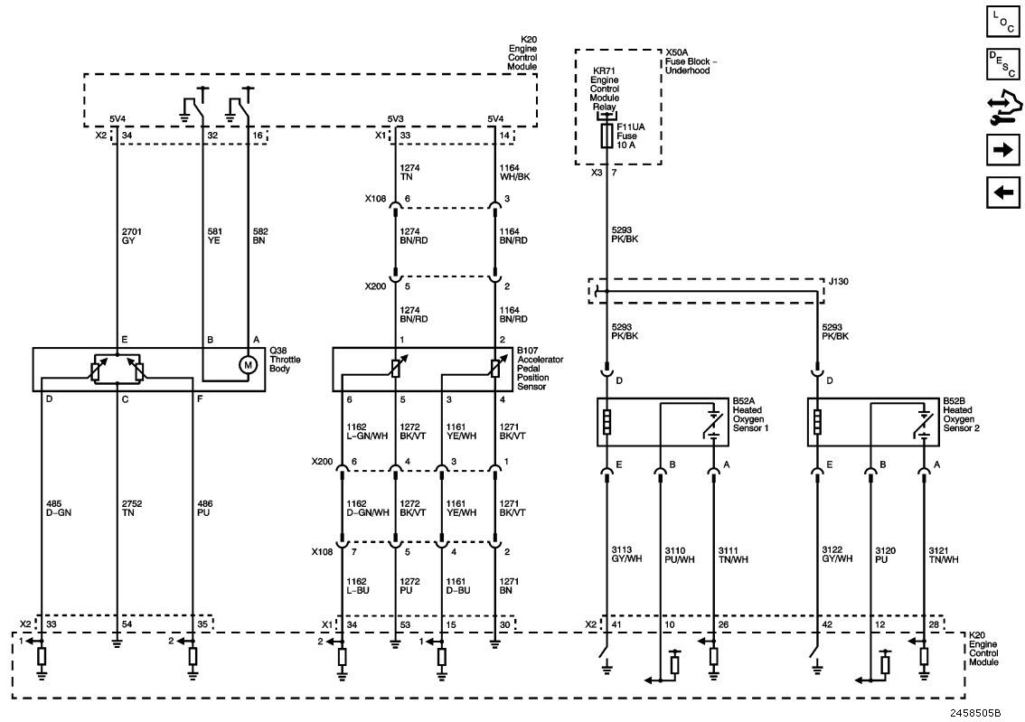
Engine data sensors - position sensors and oxygen sensors










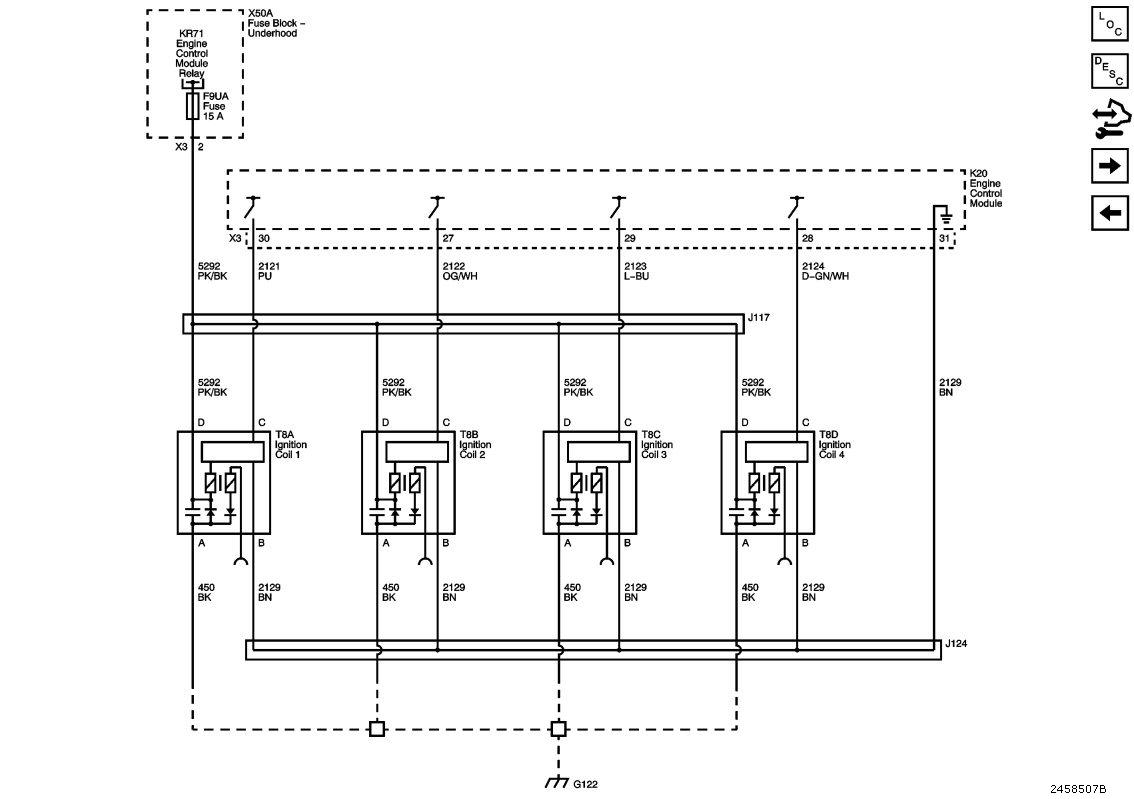
Ignition Controls - Ignition System Coils










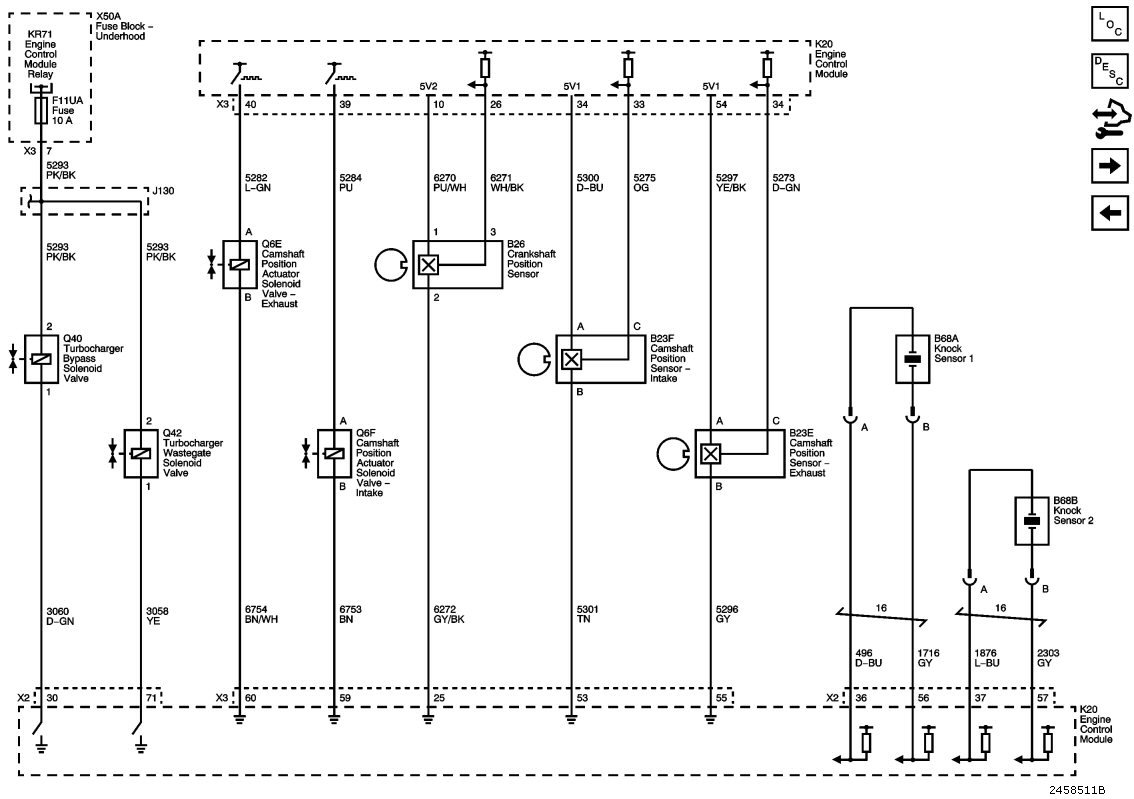
Ignition Controls - Sensors and Solenoids, as well as Turbocharger Controls










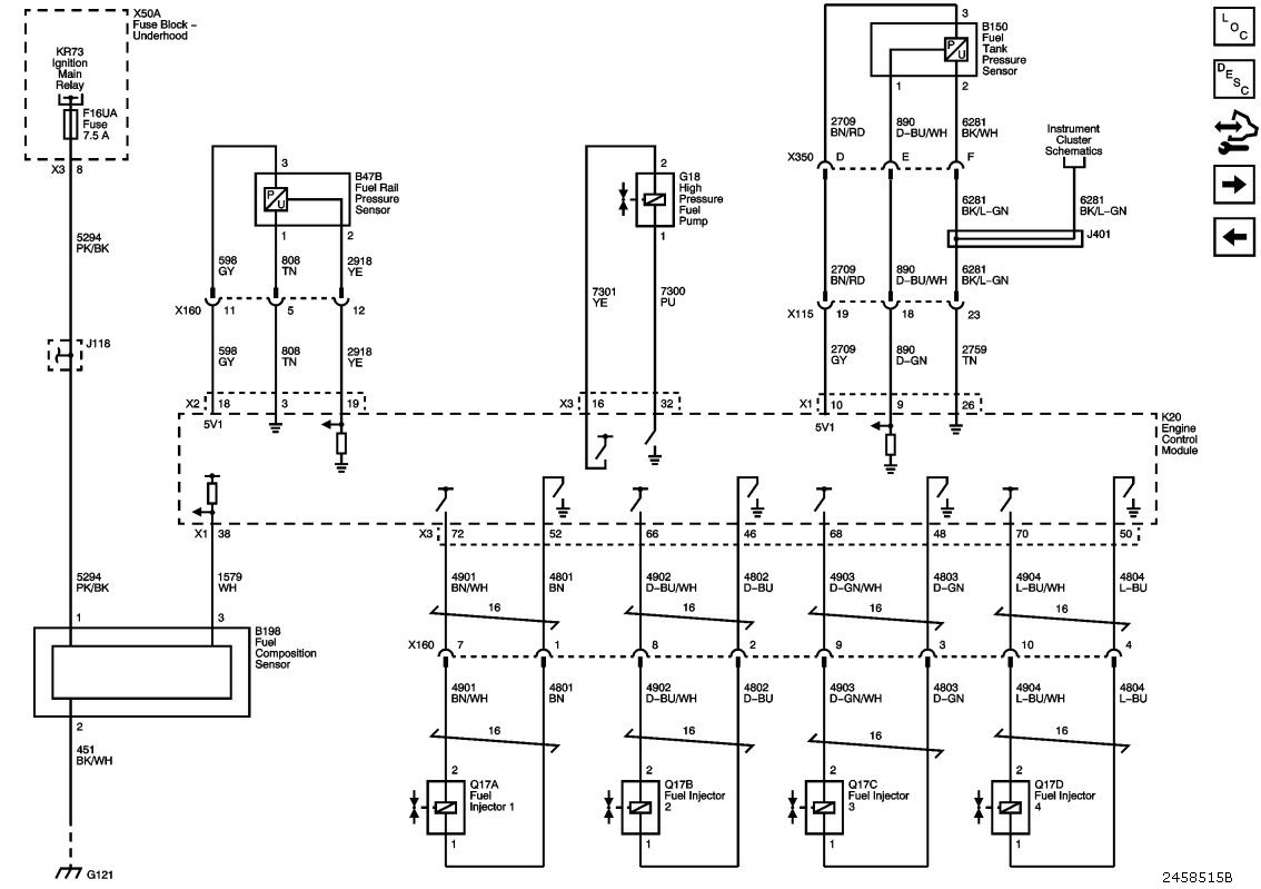
Fuel control - fuel injectors










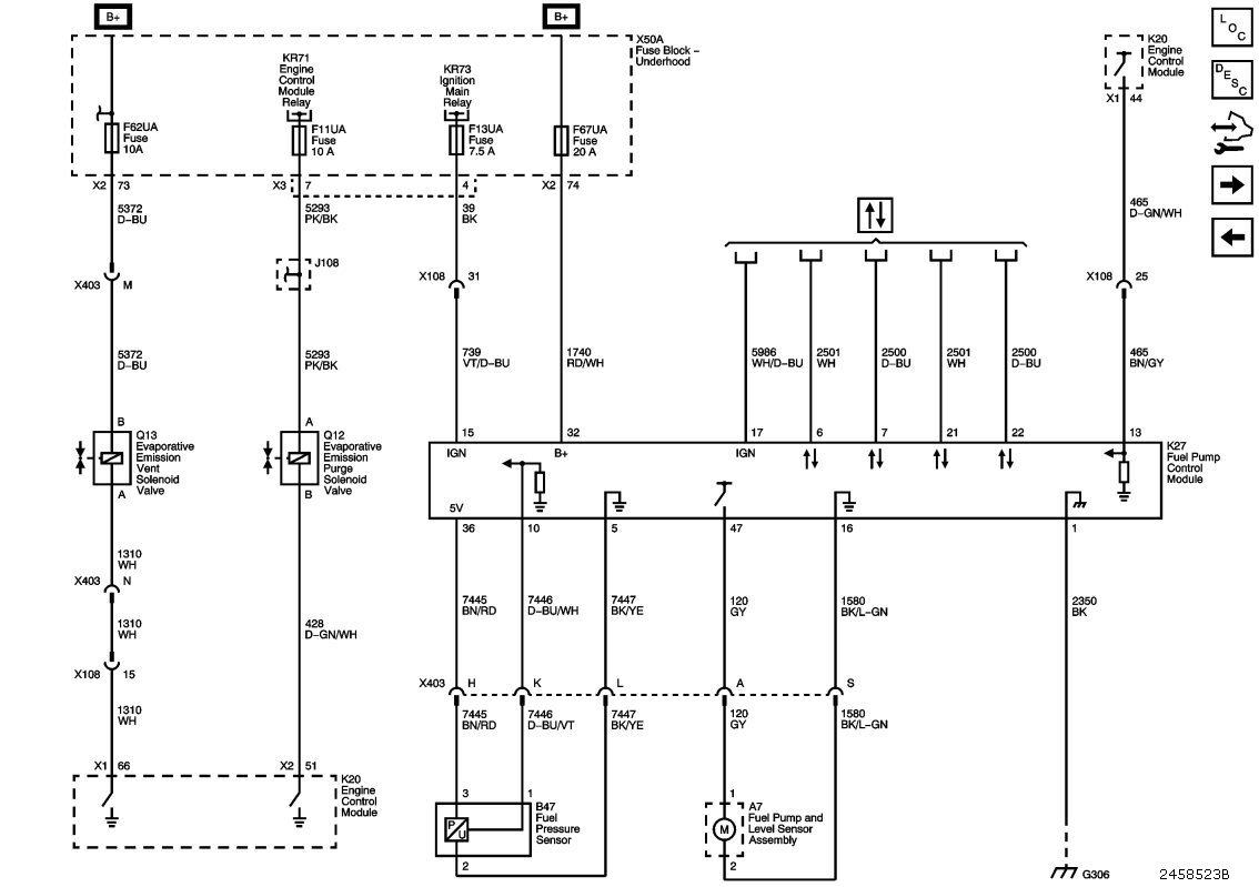
Fuel Controls - Fuel Pump and EVAP Controls










Controlled/Monitored Subsystem References