Operation CHARM: Car repair manuals for everyone.
Manuals through 2025 now available!

Our trusted friends have launched a new website named LEMON, which has newer manuals. It also contains all the CHARM manuals.

LEMON is the spiritual successor to CHARM, I recommend you try it!

Link: lemon-manuals.la or lemon-manuals.org.ua

(Some people have issue connecting. LEMON is investigating. For now, use Firefox or change your DNS server)

Or, hide this message: temporarily or permanently

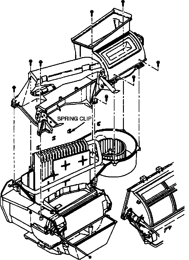
Evaporator Core: Service and Repair

Fig. 11 Upper Instrument Panel Removal.:




Fig. 12 Upper Instrument Panel Insulator Removal.:




Fig. 3 Connector Position Assurance Removal:




Fig. 13 Instrument Panel Removal.:




Fig. 14 Windshield Defroster Nozzle Removal.:




Fig. 15 Front Dash Seal Removal.:




Fig. 12 Mode Valve Removal:




Fig. 13 Upper Air Inlet Case Removal:




Fig. 14 Evaporator Removal:






1. Discharge A/C system, then drain cooling system.
2. Remove air cleaner cover and air induction hose at intake manifold.
3. Remove suction hose and liquid line from thermal expansion valve.
4. Place protective cover over A/C hoses, lines and expansion module to prevent A/C contamination.
5. .Remove thermal expansion valve from evaporator.
6. Raise and support vehicle.
7. Move heater core inlet and outlet clamps up.
8. Lower vehicle.
9. Remove heater core hoses, then using an air hose, blow excess coolant from heater core.
10. Remove left and right instrument panel end caps.
11. Remove left and right center instrument panel extensions by disconnecting Velcro fasteners, then pulling rearward to unclip.
12. Remove center air outlet trim panel by pulling outward, start at bottom then work upward.
13. Disconnect traction control/fog lamp electrical connector.
14. Disengage trim panel extension strip clip.
15. Remove upper trim panel, noting the following:
a. Remove upper trim panel screw caps and screws. Then remove upper trim panel and upper trim panel insulator Fig. 11 and 12.
b. Lift upper trim panel to disengage clips at rear edge.
c. Pull panel rearward out of clips at bottom of windshield, then remove upper trim panel.
16. Open glove compartment.
17. Remove cluster trim panel attaching screws, then pull upward to disengage.
18. Remove lockpins, then disconnect electrical connectors from instrument panel lighting rheostat and rear window defogger switches and Connector Position Assurance (CPA) devices, Fig. 4.
19. Remove instrument cluster, then remove glove box attaching screws, then remove glove compartment.
20. Remove passenger side air bag harness from cross car beam and energy absorber.
21. Remove Assembly Line Diagnostic Link (ALDL) attaching screws, then the ALDL connector.
22. Remove steering column filler panel attaching screws. Do not scratch console with mounting tabs.
23. Remove hood release lever.
24. Remove instrument cluster attaching screws, then pull rearward.
25. Disconnect cluster electrical connectors, then remove cluster.
26. Remove radio and heater and air conditioning control panels.
27. Disconnect lighter connector, then remove lighter bulb holder by rotating counterclockwise and pull straight rearward.
28. Apply parking brake, then lift and remove parking brake filler panel at rear edge.
29. On models equipped with manual transaxle, remove gear shift knob by pulling straight upward.
30. Remove ashtray, then unclip ashtray bulb holder.
31. Remove window/mirror switch by lifting at back edge and pulling rearward.
32. Remove lockpins and disconnect window/mirror electrical connectors.
33. Remove console rear storage compartment liner.
34. Remove console side screws, then remove console rear compartment attaching screws.
35. Lift rear of console, push seat belt bezels from console.
36. Remove instrument fuse block attaching screws, then remove dash reinforcement ground wire.
37. Remove instrument panel junction block electrical connector and attaching screw.
38. On models equipped with automatic transaxle, disconnect two way instrument panel to body electrical connector and CPA devices.
39. Remove antenna hold-down clips and electrical connectors.
40. Loosen floor shifter assembly.
41. Remove attaching nuts and bolts, then lift lower reinforcement bracket from stud, then slide bracket rearward.
42. Remove instrument panel retainer and reinforcement bracket attaching screws and nuts, Fig. 13.
43. Remove steering column attaching screws, then lower steering column to seat, then cover steering column.
44. Remove instrument panel assembly.
45. Lift rear heater duct from mounting bolt, then remove. Do not remove rear foam seal.
46. Remove center air outlet duct attaching screws, then remove.
47. Remove windshield defroster nozzle from mode valve assembly, Fig. 14.
48. Rotate front of defroster nozzle up and away from windshield, then remove.
49. Remove CPA devices and disconnect blower motor resistor connector.
50. Remove heater and air conditioning module hold-down clips and disconnect electrical connector.
51. Disconnect blower motor and recirc motor electrical connectors.
52. Remove heater and air conditioning module attaching screws and nuts, then remove module.
53. Remove and discard drain, heater core pipes, evaporator block and evaporator pipe O-ring front of dash seals, Fig. 15.
54. Remove mode valve assembly attaching screws, Fig. 16. then lift mode valve assembly upward to remove.
55. Remove upper air inlet case attaching screws, then lift upward to remove, Fig. 17.
56. Remove evaporator pipe clamp attaching screws, then lift evaporator upward to remove, Fig. 18.
57. Reverse procedure to install, noting the following:
a. Torque steering column attaching screws to 33 ft. lbs.
b. Torque thermal expansion valve to evaporator to 7.9 ft. lbs.
c. Torque thermal expansion valve liquid and suction lines to 19 ft. lbs.