Operation CHARM: Car repair manuals for everyone.
Manuals through 2025 now available!

Our trusted friends have launched a new website named LEMON, which has newer manuals. It also contains all the CHARM manuals.

LEMON is the spiritual successor to CHARM, I recommend you try it!

Link: lemon-manuals.la or lemon-manuals.org.ua

(Some people have issue connecting. LEMON is investigating. For now, use Firefox or change your DNS server)

Or, hide this message: temporarily or permanently

VC Output Circuit






FA20 ENGINE CONTROL: SFI SYSTEM: VC Output Circuit; 2013 MY FR-S [03/2012 -]
- VC Output Circuit

DESCRIPTION

The ECM constantly generates 5 V power from the battery voltages supplied to the +B terminal and +B2 terminal to operate the microprocessor. The ECM also provides this power to the sensors through the VC output circuit.





When the VC circuit is short-circuited, the microprocessor in the ECM and sensors that are supplied with power through the VC circuit are deactivated because the power is not supplied from the VC circuit. Under this condition, the system does not start up and the MIL does not illuminate even if the system malfunctions.

HINT
Under normal conditions, the MIL is illuminated when the ignition switch is turned to ON. The MIL goes off when the engine is started.

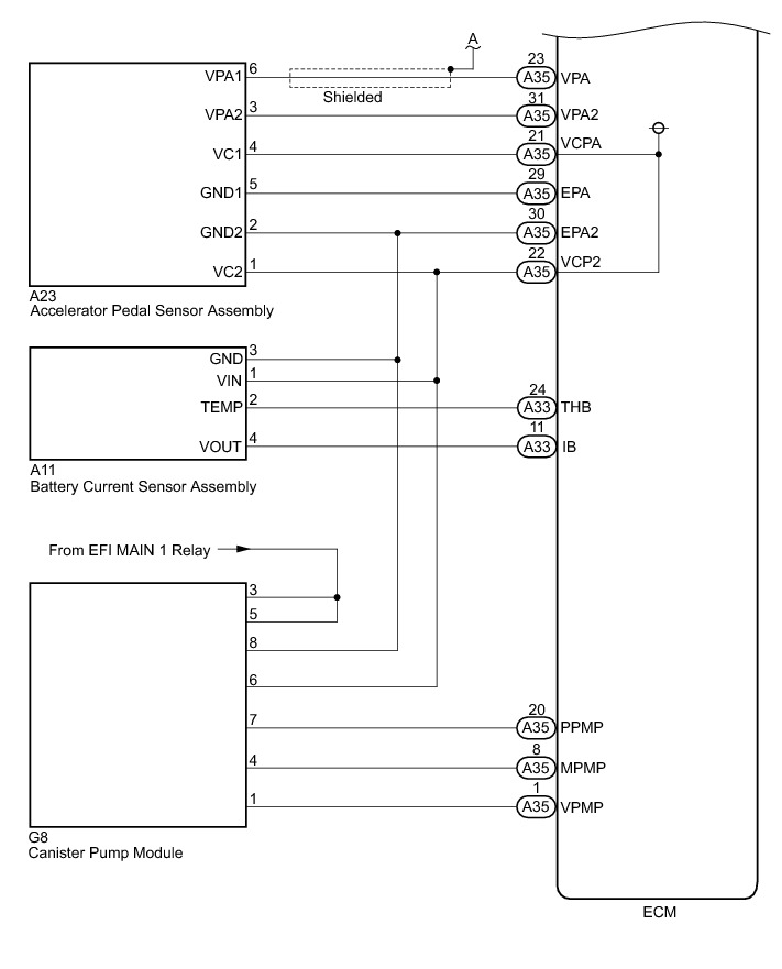
WIRING DIAGRAM









INSPECTION PROCEDURE

PROCEDURE

1. CHECK MIL CONDITION

(a) Check that the Malfunction Indicator Lamp (MIL) lights up when turning the ignition switch to ON.

OK:

MIL lights up.

Result





B -- PROCEED TO NEXT SUSPECTED AREA SHOWN IN PROBLEM SYMPTOMS TABLE Symptom Related Diagnostic Procedures
A -- Continue to next step.

2. CHECK CONNECTION BETWEEN TECHSTREAM AND ECM

(a) Connect the Techstream to the DLC3.

(b) Turn the ignition switch to ON.

(c) Turn the Techstream on.

(d) Check for communication between the Techstream and ECM.

Result





B -- GO TO MIL CIRCUIT MIL Circuit
A -- Continue to next step.

3. CHECK MIL (THROTTLE POSITION SENSOR)

(a) Disconnect the throttle with motor body assembly connector.

(b) Turn the ignition switch to ON.

(c) Check the MIL.

Result





B -- REPLACE THROTTLE WITH MOTOR BODY ASSEMBLY Removal
A -- Continue to next step.

4. CHECK MIL (MANIFOLD ABSOLUTE PRESSURE SENSOR)

(a) Disconnect the manifold absolute pressure sensor connector.

(b) Turn the ignition switch to ON.

(c) Check the MIL.

Result





B -- REPLACE MANIFOLD ABSOLUTE PRESSURE SENSOR Removal
A -- Continue to next step.

5. CHECK MIL (FUEL PRESSURE SENSOR)

(a) Disconnect the fuel pressure sensor connector.

(b) Turn the ignition switch to ON.

(c) Check the MIL.

Result





B -- REPLACE FUEL PRESSURE SENSOR Removal
A -- Continue to next step.

6. CHECK MIL (ACCELERATOR PEDAL SENSOR ASSEMBLY)

(a) Disconnect the accelerator pedal sensor assembly connector.

(b) Turn the ignition switch to ON.

(c) Check the MIL.

Result





B -- REPLACE ACCELERATOR PEDAL SENSOR ASSEMBLY Removal
A -- Continue to next step.

7. CHECK MIL (BATTERY CURRENT SENSOR ASSEMBLY)

(a) Disconnect the battery current sensor assembly connector.

(b) Turn the ignition switch to ON.

(c) Check the MIL.

Result





B -- REPLACE BATTERY CURRENT SENSOR ASSEMBLY Removal
A -- Continue to next step.

8. CHECK MIL (CANISTER PUMP MODULE)

(a) Disconnect the canister pump module connector.

(b) Turn the ignition switch to ON.

(c) Check the MIL.

Result





B -- REPLACE CANISTER PUMP MODULE Removal
A -- Continue to next step.

9. CHECK HARNESS AND CONNECTOR (EACH SENSOR - ECM)

(a) Disconnect the throttle with motor body assembly connector.

(b) Disconnect the manifold absolute pressure sensor connector.

(c) Disconnect the fuel pressure sensor connector.

(d) Disconnect the accelerator pedal sensor assembly connector.

(e) Disconnect the battery current sensor assembly connector.

(f) Disconnect the canister pump module connector.

(g) Disconnect the ECM connectors.

(h) Measure the resistance according to the value(s) in the table below.

Standard Resistance:





NG -- REPAIR OR REPLACE HARNESS OR CONNECTOR

OK -- REPLACE ECM Removal