Operation CHARM: Car repair manuals for everyone.
Manuals through 2025 now available!

Our trusted friends have launched a new website named LEMON, which has newer manuals. It also contains all the CHARM manuals.

LEMON is the spiritual successor to CHARM, I recommend you try it!

Link: lemon-manuals.la or lemon-manuals.org.ua

(Some people have issue connecting. LEMON is investigating. For now, use Firefox or change your DNS server)

Or, hide this message: temporarily or permanently

Computers and Controls - Manual Corrections

NUMBER: 18-51-98

DATE: 12-2-98

APPLICABILITY:
1998-1999 Forester Service Manual

SUBJECT:
Service Manual Corrections





Replace the pages into the applicable Service Manual listed as shown.

Please perform these corrections promptly to ensure the most correct information is conveyed when the Service Manuals used.








1998 Vol # 3, Section 2-7








1998 Vol # 3, Section 4-4








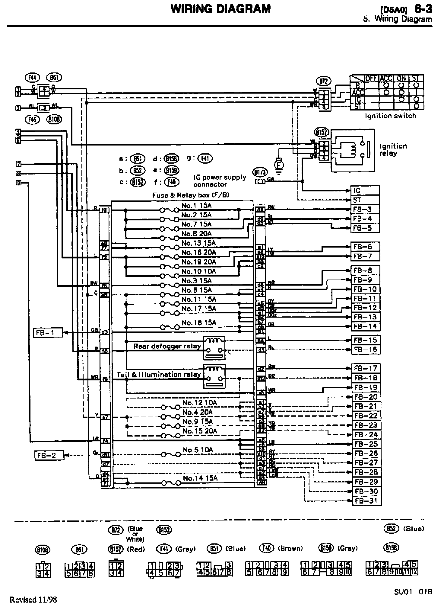
1998 Vol # 3, Section 6-3








1998 Vol # 1, Section 1-5








1998 Vol # 3, Section 3-2