Operation CHARM: Car repair manuals for everyone.
Manuals through 2025 now available!

Our trusted friends have launched a new website named LEMON, which has newer manuals. It also contains all the CHARM manuals.

LEMON is the spiritual successor to CHARM, I recommend you try it!

Link: lemon-manuals.la or lemon-manuals.org.ua

(Some people have issue connecting. LEMON is investigating. For now, use Firefox or change your DNS server)

Or, hide this message: temporarily or permanently

Diagnostic Chart With Select Monitor





A: BASIC DIAGNOSTIC CHART





B: BATTERY VOLTAGE





C: CHECK VEHICLE SPEED SENSOR 1.





D: CHECK VEHICLE SPEED SENSOR 2.





E: CHECK ENGINE SPEED SIGNAL.





F: CHECK ATF TEMPERATURE SENSOR.








G: CHECK THROTTLE POSITION SENSOR.





H: CHECK GEAR POSITION.








I: CHECK LINE PRESSURE DUTY.








J: CHECK LOCK-UP DUTY.








K: CHECK TRANSFER DUTY.





L: CHECK THROTTLE POSITION SENSOR POWER SUPPLY.








M: CHECK MASS AIR FLOW SIGNAL.














N: CHECK FWD SWITCH.
Diagnosis:
- LED does not come on even if FWD switch is ON.
- FWD switch circuit is open or short.





Wiring Diagram:





O: CHECK KICK-DOWN SWITCH.





P: CHECK BRAKE SWITCH.





Q: CHECK ABS SWITCH.





R: CHECK CRUISE CONTROL SWITCH.





S: CHECK POWER MODE SWITCH.

















T: CHECK "N/P" RANGE SWITCH.
Diagnosis:
Input signal circuit of "P" or "N" range is open or shorted.





Wiring Diagram:











U: CHECK "R" RANGE SWITCH.
Diagnosis:
Input signal circuit of "R" range is open or shorted.





Wiring Diagram:











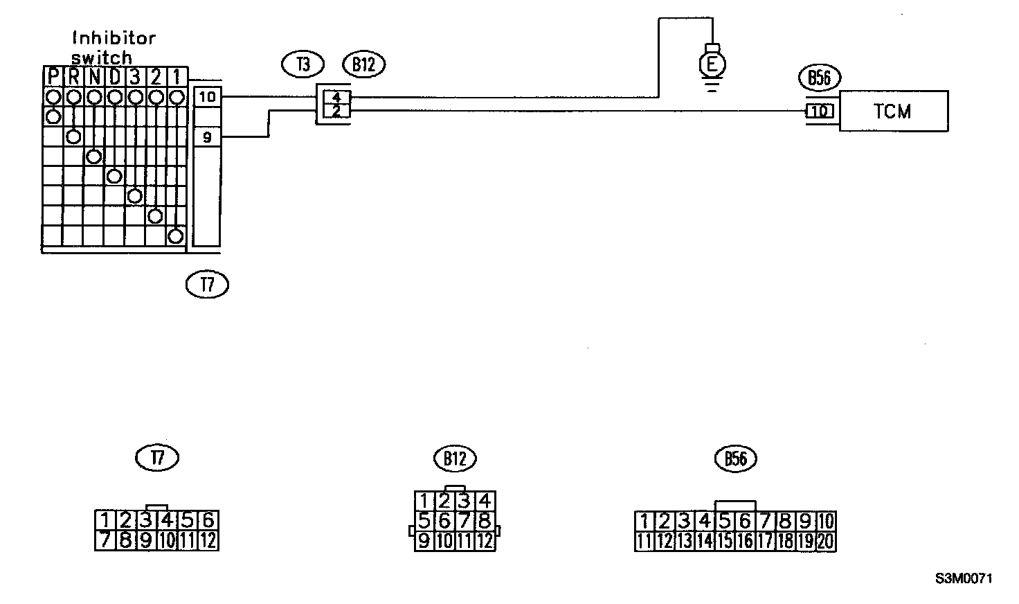
V: CHECK "D" RANGE SWITCH.
Diagnosis:
Input signal circuit of "D" range is open or shorted.
Trouble Symptom:
Shift characteristics are erroneous.





Wiring Diagram:











W: CHECK "3" RANGE SWITCH.
Diagnosis:
Input signal circuit of "3" range is open or shorted.
Trouble Symptom:
- Shift characteristics are erroneous.
- Engine brake is not effected when selector lever is in "3" range.





Wiring Diagram:











X: CHECK "2" RANGE SWITCH.
Diagnosis:
Input signal circuit of "2" range is open or shorted.
Trouble Symptom:
- Shift characteristics are erroneous.
- Engine brake is not effected when selector lever is in "2" range.





Wiring Diagram:











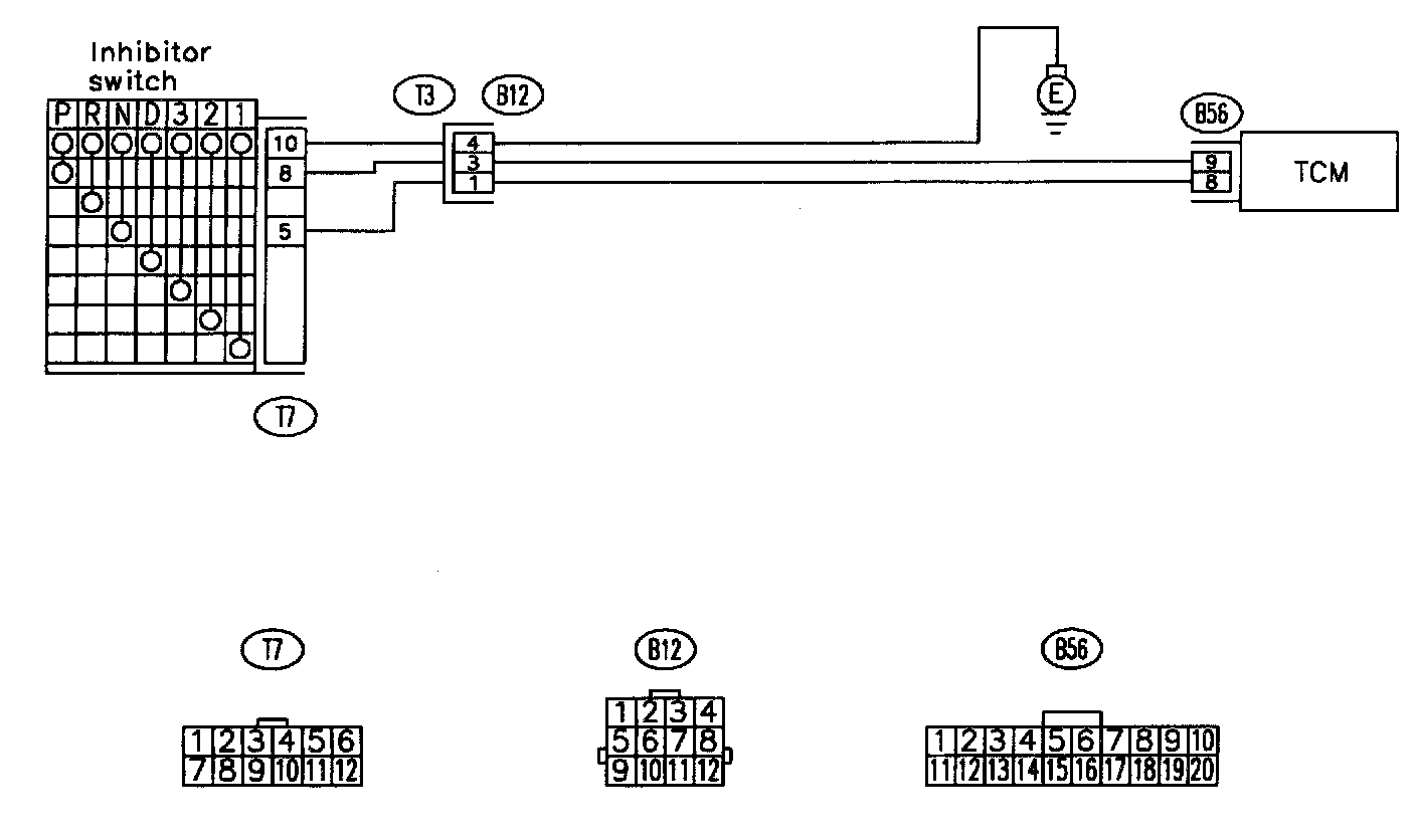
Y: CHECK "1" RANGE SWITCH.
Diagnosis:
Input signal circuit of "1" range is open or shorted.
Trouble Symptom:
- Shift characteristics are erroneous.
- Engine brake is not effected when selector lever is in "1" range.





Wiring Diagram:





Z: CHECK OLD SWITCH.





AA: CHECK SHIFT SOLENOID 1.





AB: CHECK SHIFT SOLENOID 2.





AC: CHECK OVERRUNNING SOLENOID.





AD: CHECK ATF TEMPERATURE WARNING LAMP.





AE: CHECK HOLD LAMP.





AF: CHECK FWD LAMP.





AG: CHECK TORQUE CONTROL SIGNAL.