Exterior Lighting Module
ILLUMI-01 - Clearance Light And Illumination Light System:
ILLUMI-02 - Clearance Light And Illumination Light System:
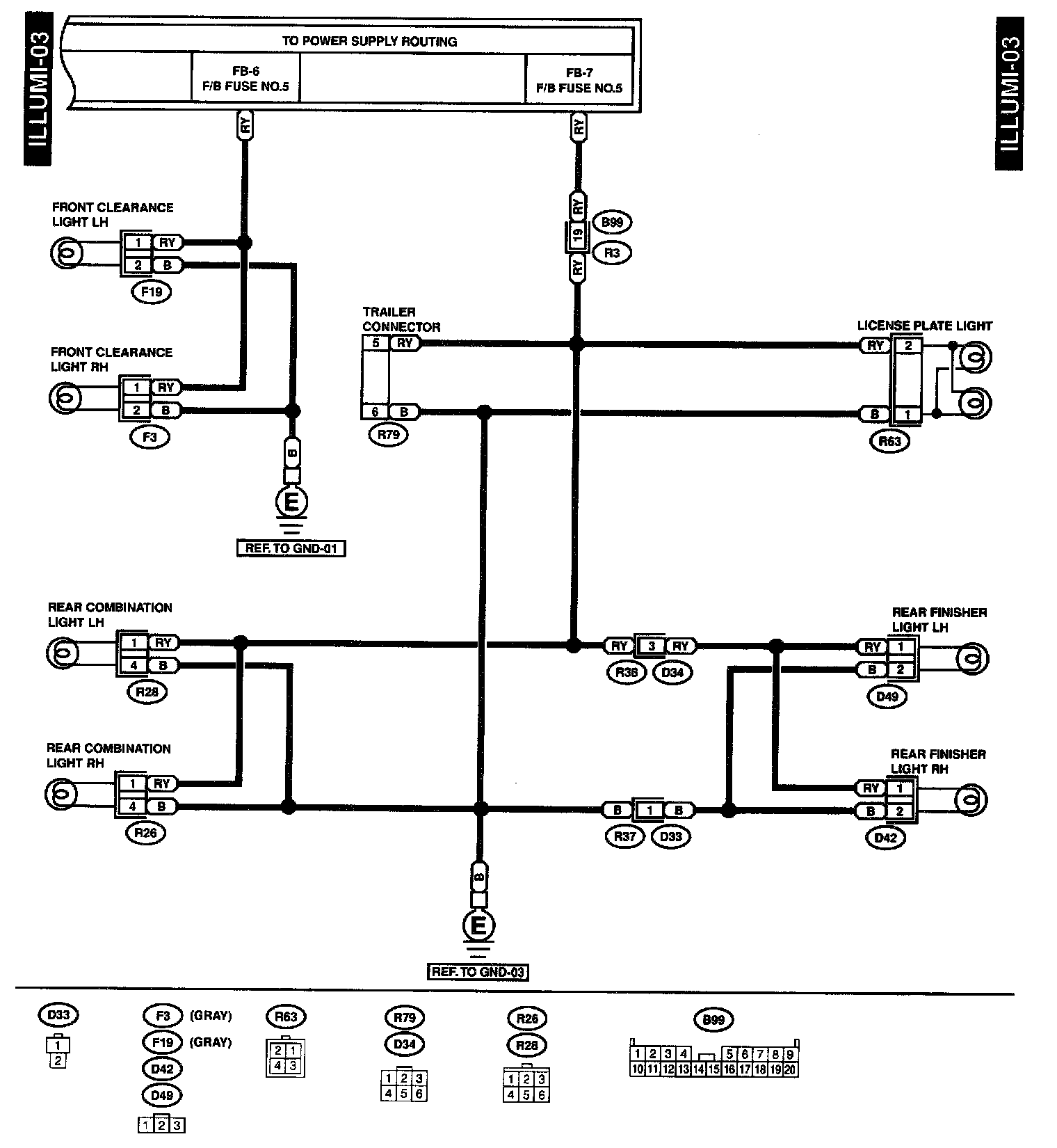
ILLUMI-03 - Clearance Light And Illumination Light System:
Fuse/Relay Locations: For fuse and/or relay locations refer to Starting and Charging / Power and Ground Distribution: Power and Ground Distribution
Ground Locations: For ground locations refer to Vehicle / Locations / Grounds: Ground Locations
Connector Locations: For connector locations refer to Vehicle / Locations / Harness: Harness Locations
Component Locations: For component locations refer to Vehicle / Locations / Harness: Harness Locations
NOTE:
To locate Connectors, Components and/or Grounds using Harness Connector Location diagram(s) use the connector's alphanumeric name [referred to in the wiring diagram(s)] to identify the appropriate Harness Connector Location diagram. For example, the prefix letter "B" in the connector name "B-38" indicates the location is displayed in the Bulkhead Wiring Harness Connector Location diagram.
Legend:
Prefix Harness Connector Diagram
F Front
B Bulkhead
i Instrument Panel
P Power Window
D Door
R Rear