Operation CHARM: Car repair manuals for everyone.
Manuals through 2025 now available!

Our trusted friends have launched a new website named LEMON, which has newer manuals. It also contains all the CHARM manuals.

LEMON is the spiritual successor to CHARM, I recommend you try it!

Link: lemon-manuals.la or lemon-manuals.org.ua

(Some people have issue connecting. LEMON is investigating. For now, use Firefox or change your DNS server)

Or, hide this message: temporarily or permanently

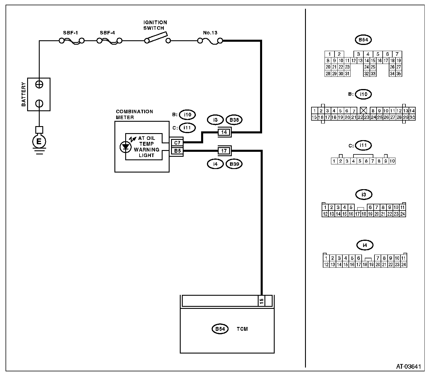
Oil Temp Warning Light Display Inspection

OIL TEMP Warning Light Display

INSPECTION

DIAGNOSIS:
The AT OIL TEMP warning light circuit is open or shorted.

TROUBLE SYMPTOM:
^ When the ignition switch is turned to ON (engine OFF), AT OIL TEMP warning light does not illuminate.

WIRING DIAGRAM:
^ Non-turbo model

Non-turbo Model:





^ Turbo model

Turbo model:




Step 1 - Step 3:




Step 4 - Step 8: