Operation CHARM: Car repair manuals for everyone.
Manuals through 2025 now available!

Our trusted friends have launched a new website named LEMON, which has newer manuals. It also contains all the CHARM manuals.

LEMON is the spiritual successor to CHARM, I recommend you try it!

Link: lemon-manuals.la or lemon-manuals.org.ua

(Some people have issue connecting. LEMON is investigating. For now, use Firefox or change your DNS server)

Or, hide this message: temporarily or permanently

Drive Belt: Service and Repair

V-belt

REMOVAL

NOTE:
Perform the work with the engine installed to body when replacing a single part.

FRONT SIDE BELT
1) Remove the V-belt covers.





2) Remove the air intake duct (rear).
3) Loosen the bolt (A).
4) Loosen the slider bolt (B).
5) Remove the front side belt (C).





REAR SIDE BELT
1) Remove the front side belts.
2) Cut the rear side belt with a wire cutter, etc., and discard.





INSTALLATION

FRONT SIDE BELT

CAUTION:
^ When reusing the front side belt, wipe off dust and water with cloth.
^ Do not use the front side belt if there is any oil, grease or coolant on the belt.
^ Be careful not to rub the belt end surface with bare hands; exposed core may cause injury.


1) Wipe off any dust, oil and water on the groove of each pulley with cloth.
2) Install the front side belt (c), and adjust the slider bolt (B) so as to obtain the specified belt tension.
3) Tighten the bolt (A).
4) Tighten the slider bolt (B).





5) Install the air intake duct (rear).
6) Install the V-belt cover.





REAR SIDE BELT

CAUTION:
^ Always use new rear side belt.
^ Be careful that the new rear side belt does not come into contact with any oil, grease or coolant.
^ Be careful not to rub the belt end surface with bare hands; exposed core may cause injury.
^ When installing the rear side belt, always use the provided tools (belt stopper, belt guide, belt guide holder and bolt).






1) Wipe off any dust, oil and water on the groove of each pulley with cloth.
2) Wipe off any oil, water, dirt, and rust on the front of the crank pulley with cloth.
3) Slowly turn the crank pulley clockwise so that the service hole of the crank pulley comes around the top.

CAUTION:
Do not turn the crank pulley counterclockwise.






4) Attach a new rear side belt on the A/C compressor pulley.





5) Insert the claw of the belt stopper (A) into the lower hole (B) on the compressor bracket as shown in the figure, and attach using bolt (C).





6) Mount the belt guide by matching to the belt line on the front side belt of the crank pulley.





7) Insert the belt guide holder into the service hole of the crank pulley so that the belt guide comes in between.

NOTE:
Place the belt guide holder with the longer side up.





8) Slowly turn the crank pulley clockwise until the belt guide comes to approximately 45°.





9) Place the rib surface of the rear side belt into the crank pulley groove, so that the rear side belt comes in between the belt guide holder.

CAUTION:
If the rear side belt does not fit onto the groove of the crank pulley easily, pull out the belt guide holder halfway, then insert the rear side belt into the groove, and sandwich it with the belt guide holder.






10) Place the tool through the loop of the rear side belt, and set on the crank pulley bolt.





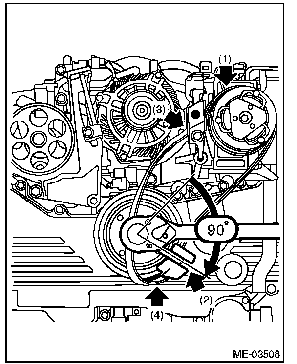
11) While checking for the following, turn the crank pulley slowly to the right by approximately 90° and set the belt guide to the position shown in the figure.

CAUTION:
When rotating the crank pulley, be careful that the belt guide does not slip off the groove of the crank pulley.






1) The ribs of the rear side belt are properly riding on the grooves of the A/C compressor pulley.





2) The ribs of the rear side belt are properly riding on the grooves of the crank pulley.





3) The surface of the rear side belt is being pressed by the belt stopper.





4) The rear side belt is riding properly on the belt guide.





12) While checking for the following, turn the crank pulley slowly to the right by approximately 90° and set the belt guide to the position shown in the figure.





1) The rear side belt is not twisted.





2) The ribs of the rear side belt are properly riding on the grooves of the A/C compressor pulley.





3) The ribs of the rear side belt are properly riding on the grooves of the crank pulley.





4) The surface of the rear side belt is being pressed by the belt stopper.





5) The rear side belt is riding properly on the belt guide.





13) Turn the crank pulley slowly to the right, and attach the rear side belt.

CAUTION:
Because there is a possibility of damage to the rear side belt, and the belt guide holder failing off, care must be taken to make sure that the total of steps 8), 11), 12), and 13) does not exceed 330°.






14) Remove the belt guide and belt guide holder from the crank pulley.





15) Remove the belt stopper from the compressor bracket.

CAUTION:
Make sure to remove the belt stopper, as leaving it on can cause smoke, flames or belt breakage.






16) Make sure that the belt ribs are properly riding on the grooves of the pulleys, and turn the crank pulley slowly to the right twice to break in the rear side belt.





17) Discard the provided tools (belt stopper, belt guide, belt guide holder, bolt).
18) Install the front side belt.

INSPECTION

FRONT SIDE BELT

CAUTION:
Check and adjust the front side belt tension so that it is within the specified range. Using the belt with a tension out of the specified range may result in a fault such as the following:
^ If the front side belt tension is higher, unexpected force is generated at the power steering oil pump, generator and crankshaft bearing, causing abnormal noise due to abnormal wear of the bearing.
^ If the front side belt tension is lower, the front side belt and crank pulley slip, causing abnormally high temperature on the crank pulley due to frictional heat. If this condition repeatedly occurs, the front side belt may abnormally wear, causing abnormal noise, front side belt damage or crank pulley damage.


1) Replace the front side belt, if crack, fraying or wear is found.
2) Check the front side belt tension and adjust it if necessary by changing the generator installing position.








REAR SIDE BELT
If cracks, fraying or wear is found, and when abnormal noise is produced, replace the rear side belt.

NOTE:
Because the rear side belt is a stretch type belt, it is not necessary to check deflection and tension.