Operation CHARM: Car repair manuals for everyone.
Manuals through 2025 now available!

Our trusted friends have launched a new website named LEMON, which has newer manuals. It also contains all the CHARM manuals.

LEMON is the spiritual successor to CHARM, I recommend you try it!

Link: lemon-manuals.la or lemon-manuals.org.ua

(Some people have issue connecting. LEMON is investigating. For now, use Firefox or change your DNS server)

Or, hide this message: temporarily or permanently

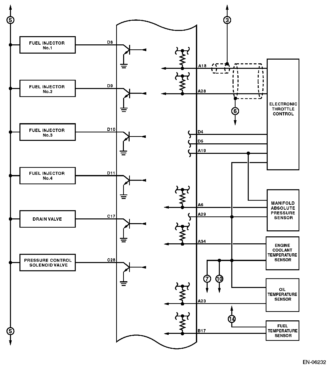
Pinout Values and Diagnostic Parameters

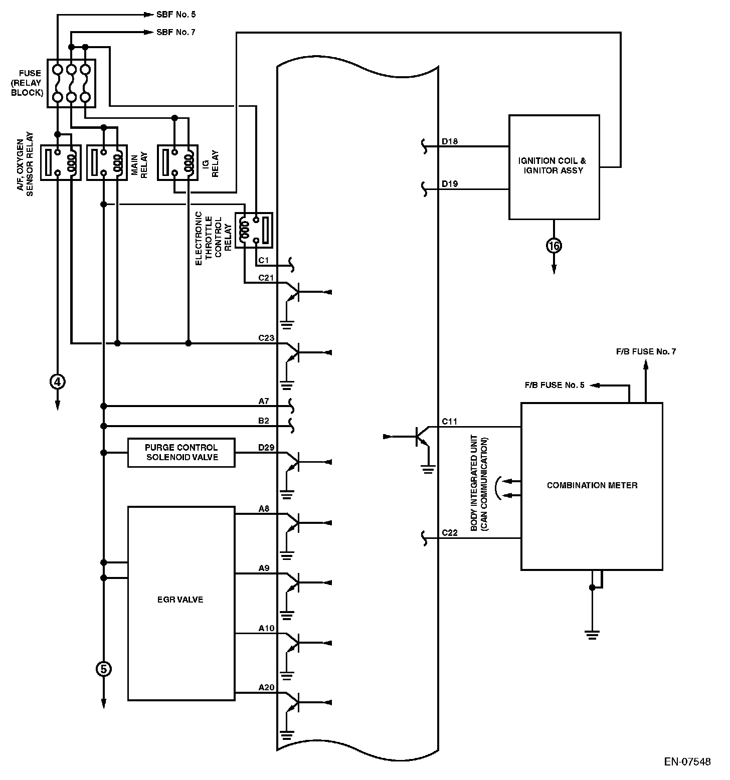
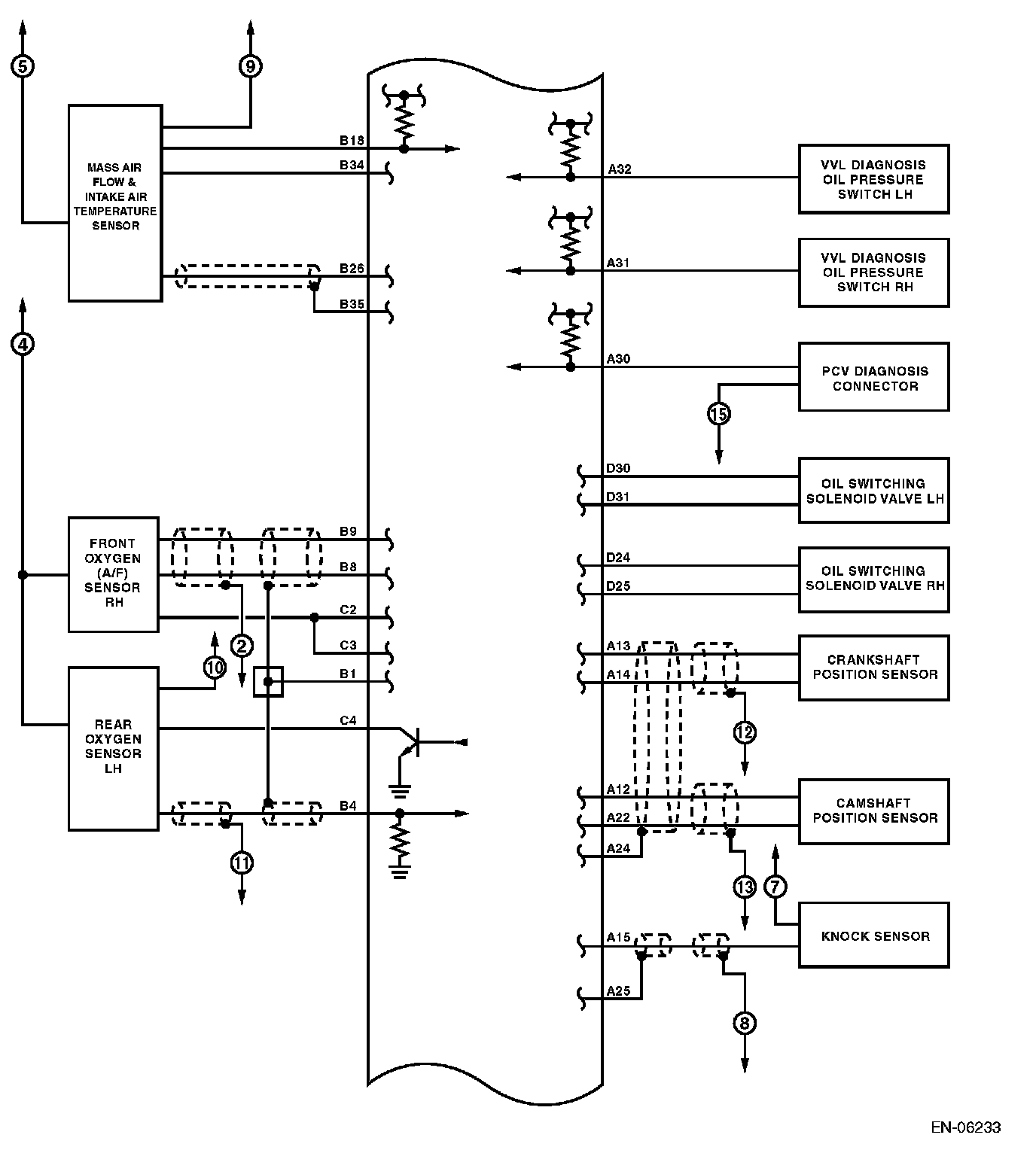
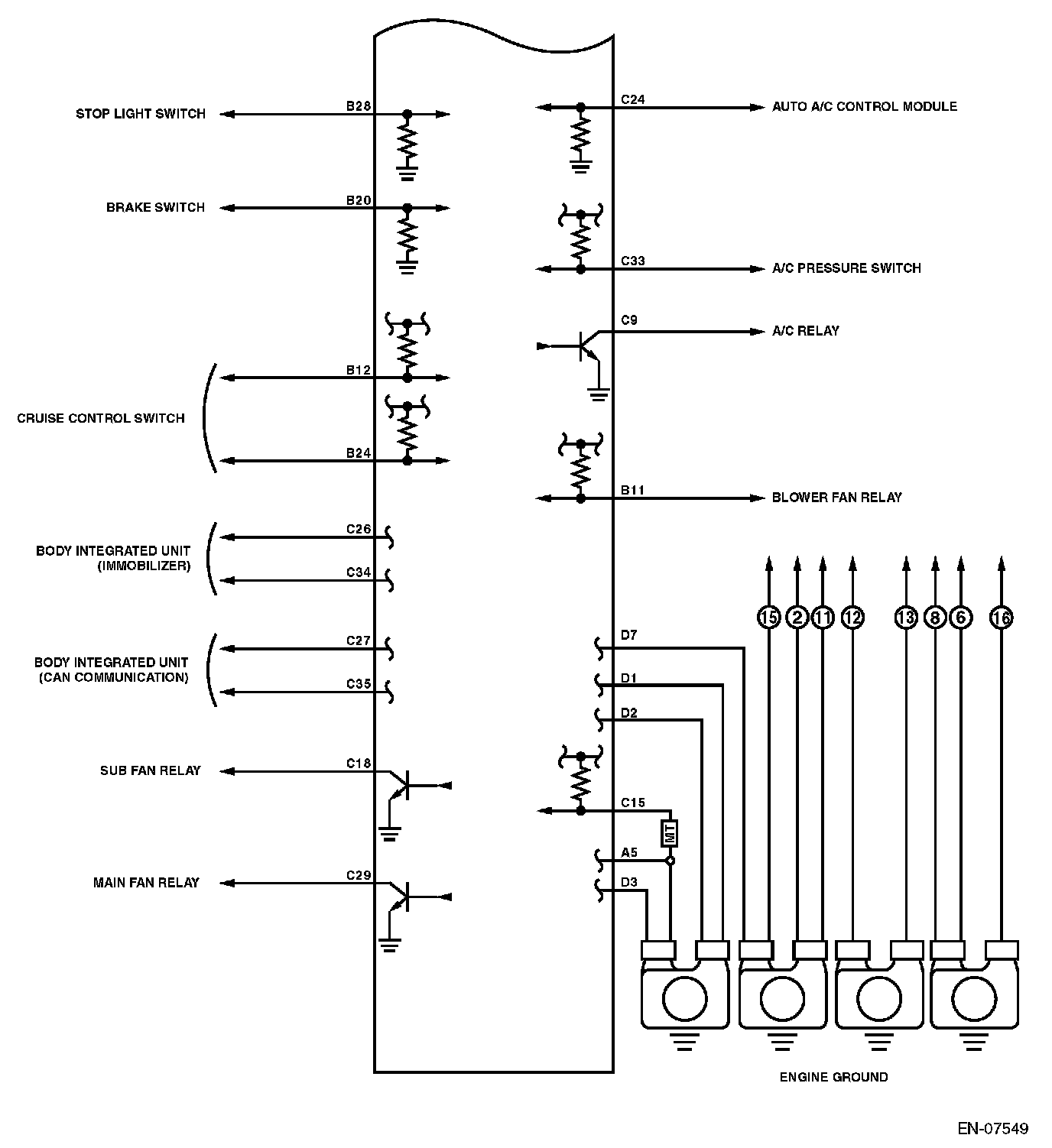
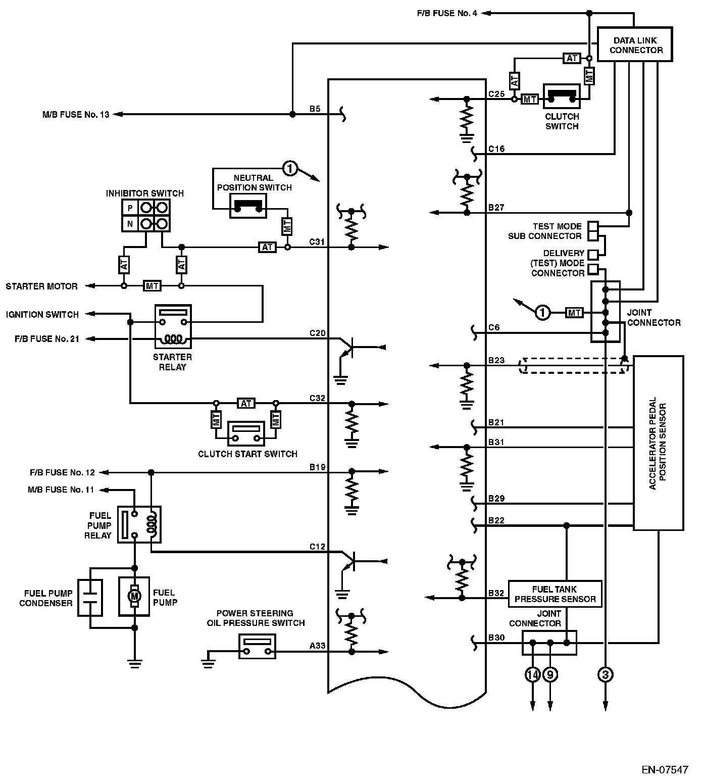
Engine Control Module (ECM) I/O Signal

ELECTRICAL SPECIFICATION

Engine Control Module (ECM) I/O Signal (Part 1):




Engine Control Module (ECM) I/O Signal (Part 2):




Engine Control Module (ECM) I/O Signal (Part 3):




Engine Control Module (ECM) I/O Signal (Part 4):






Input/output name:
- Crankshaft position sensor
- Camshaft position sensor

Measuring condition:
- After warming-up
- At idling

Engine Control Module (ECM) I/O Signal (Part 5):




Engine Control Module (ECM) I/O Signal (Part 6):




Engine Control Module (ECM) I/O Signal (Part 7):




Engine Control Module (ECM) I/O Signal (Part 8):




Engine Control Module (ECM) I/O Signal (Part 9):




Engine Control Module (ECM) I/O Signal (Part 10):