Manuals through 2025 now available!
Our trusted friends have launched a new website named LEMON, which has newer manuals. It also contains all the CHARM manuals.
LEMON is the spiritual successor to CHARM, I recommend you try it!
Link:
lemon-manuals.la or
lemon-manuals.org.ua
(Some people have issue connecting. LEMON is investigating. For now, use Firefox or change your DNS server)
Or, hide this message:
temporarily or
permanently
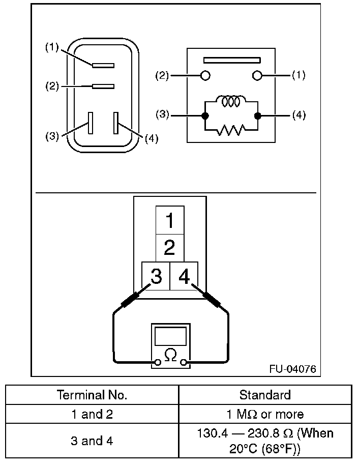
Main Relay (Computer/Fuel System): Testing and Inspection
Main RelayINSPECTION 1.
Measure the resistance between main relay terminals.
2.
Connect terminal No. 3 to the battery positive terminal and the No. 4 terminal to the battery ground terminal, and measure the resistance between the main relay terminals.