Operation CHARM: Car repair manuals for everyone.
Manuals through 2025 now available!

Our trusted friends have launched a new website named LEMON, which has newer manuals. It also contains all the CHARM manuals.

LEMON is the spiritual successor to CHARM, I recommend you try it!

Link: lemon-manuals.la or lemon-manuals.org.ua

(Some people have issue connecting. LEMON is investigating. For now, use Firefox or change your DNS server)

Or, hide this message: temporarily or permanently

Oil Level Sensor: Service and Repair

Oil Level Switch

REMOVAL
1) Disconnect the ground cable from battery.





2) Lift up the vehicle.
3) Remove the under cover.
4) Drain the engine oil.
5) Disconnect the connector of oil level switch from the engine harness.





6) Remove the clip holding the oil level switch harness.
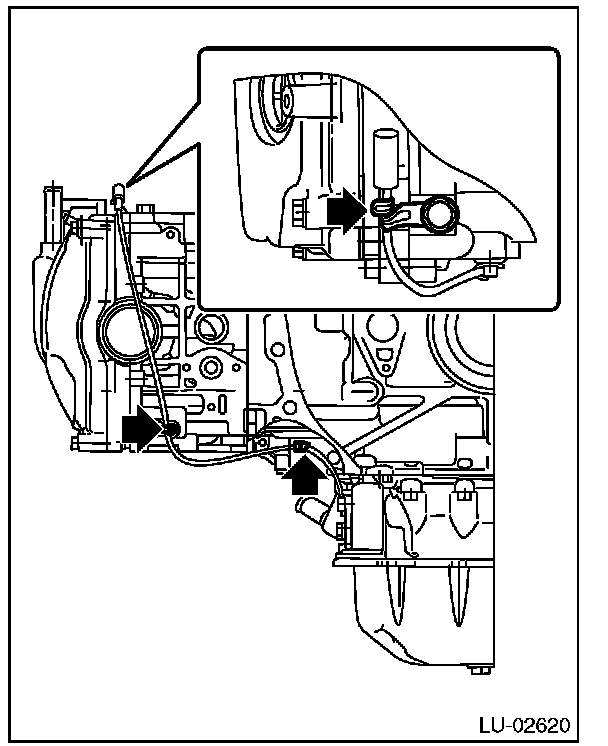
^ Turbo model





^ 2.5 L non-turbo model





7) Remove the oil level switch from cylinder block lower.





INSTALLATION
1) Install the oil level switch to cylinder block lower.





2) Hold the oil level switch harness with clip.
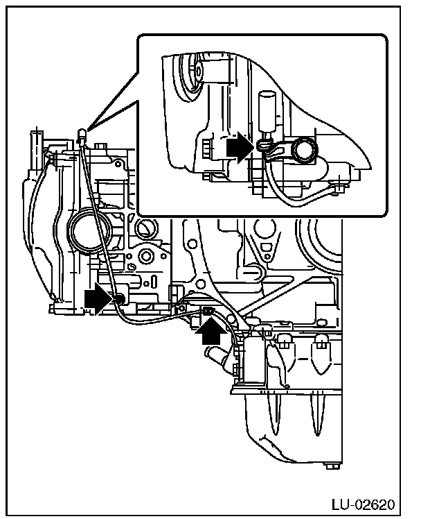
^ Turbo model





^ 2.5 L non-turbo model





3) Connect the connector of oil level switch to the engine harness.





4) Install the under cover.
5) Lower the vehicle.
6) Refill the engine oil.
7) Check the engine oil level.
8) Connect the ground cable to battery.