Operation CHARM: Car repair manuals for everyone.
Manuals through 2025 now available!

Our trusted friends have launched a new website named LEMON, which has newer manuals. It also contains all the CHARM manuals.

LEMON is the spiritual successor to CHARM, I recommend you try it!

Link: lemon-manuals.la or lemon-manuals.org.ua

(Some people have issue connecting. LEMON is investigating. For now, use Firefox or change your DNS server)

Or, hide this message: temporarily or permanently

Malfunction Indicator Light Does Not Come ON

MALFUNCTION INDICATOR LIGHT DOES NOT COME ON

DIAGNOSIS:

The malfunction indicator light circuit is open or shorted.

TROUBLE SYMPTOM:

When the ignition switch is turned to ON (engine OFF), malfunction indicator light does not illuminate.

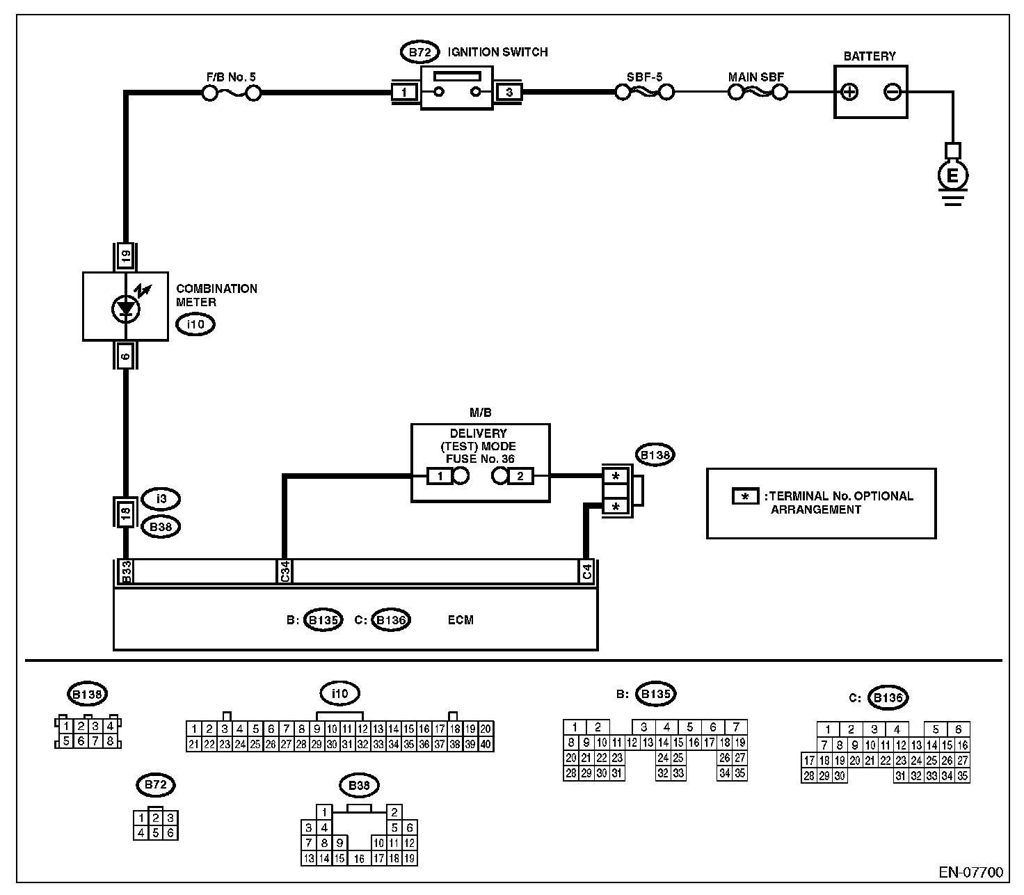
WIRING DIAGRAM:






Step 1-6: